Инструкция по обеспечению пожарной безопасности на моторвагонном подвижном составе
ОТКРЫТОЕ АКЦИОНЕРНОЕ ОБЩЕСТВО "РОССИЙСКИЕ ЖЕЛЕЗНЫЕ ДОРОГИ"
(ОАО "РЖД")
РАСПОРЯЖЕНИЕ
от 24 февраля 2009 г. № 373р
Об утверждении технических требований систем сигнализации и пожаротушения для моторвагонного подвижного состава и инструкции по обеспечению пожарной безопасности на моторвагонном подвижном составе
В целях обеспечения пожарной безопасности моторвагонного подвижного состава ОАО "РЖД":
1. Утвердить и ввести в действие с 1 марта 2009 г. "Системы сигнализации и пожаротушения для моторвагонного подвижного состава. Технические требования" № ЦЛПр-11/16
2. Утвердить и ввести в действие с 1 апреля 2009 г. прилагаемую Инструкцию по обеспечению пожарной безопасности на моторвагонном подвижном составе ОАО "РЖД" № ЦЛПр-11/17
3. Начальникам железных дорог - филиалов ОАО "РЖД":
довести настоящее распоряжение до сведения причастных работников;
обеспечить в установленном порядке изучение Инструкции по обеспечению пожарной безопасности на моторвагонном подвижном составе ОАО "РЖД", утвержденной настоящим распоряжением.
Вице-президент ОАО "РЖД"
М.П. Акулов
ИНСТРУКЦИЯ ПО ОБЕСПЕЧЕНИЮ ПОЖАРНОЙ БЕЗОПАСНОСТИ НА МОТОРВАГОННОМ ПОДВИЖНОМ СОСТАВЕ
ЦЛПР-11/17
1. Общие положения
1.1. Настоящая Инструкция устанавливает основные положения и требования пожарной безопасности, находящихся в эксплуатации моторвагонного подвижного состава ОАО "РЖД" и является обязательной для всех работников железнодорожного транспорта, связанных с эксплуатацией и ремонтом моторвагонного подвижного состава.
1.2. Настоящая Инструкция подготовлена в соответствии с распоряжением ОАО "РЖД" от 31 марта 2006 г. № 568р с учетом требований, установленных Федеральным законом от 22 июля 2008 г. № 123-ФР "Технический регламент о требованиях пожарной безопасности".
Инструкция содержит основные сведения по эксплуатации, обслуживанию и ремонту установленных на моторвагонном подвижном составе (МВПС) средств обнаружения и тушения пожаров.
Внедрение новых средств обнаружения и тушения пожаров осуществляется по технической документации разработчиков до внесения в настоящую Инструкцию дополнений и изменений.
1.3. Ответственность за пожарную безопасность эксплуатируемого МВПС несут:
машинисты - за принятый ими МВПС;
начальники депо - за МВПС, приписанный к депо;
начальники дорог и начальники отделений дорог - за состояние МВПС соответственно дороги и отделения дороги;
главные инженеры ремонтных заводов - за МВПС, находящийся в ремонте.
1.4. На основе настоящей инструкции, с учетом конструктивных особенностей применяемых средств обнаружения и тушения пожара на МВПС, разрабатываются конкретные инструкции о действии локомотивной бригады при возникновении пожара или загорания для каждого типа МВПС, которые согласовываются с подразделениями ФГП ВО ЖДТ дороги и утверждаются начальником дирекции по обслуживанию пассажиров в пригородном сообщении. Ответственность за их выполнение несут начальники депо и их заместители.
1.5. Требования настоящей инструкции должны учитываться при разработке правил технического обслуживания, текущего и капитальных ремонтов для каждого конкретного типа моторвагонного подвижного состава.
1.6. Начальники депо и директора ремонтных заводов на основе анализа предыдущей работы и имевших место пожаров ежегодно разрабатывают и осуществляют мероприятия по снижению пожарной опасности моторвагонного подвижного состава.
1.7. Начальники депо разрабатывают и согласовывают с подразделениями ФГП ВО ЖДТ дороги программы обучения машинистов и помощников машинистов, которые должны охватывать:
основные пожароопасные узлы и причины возникновения пожаров на МВПС;
правила пожарной безопасности на МВПС;
обязанности локомотивной бригады при приемке, эксплуатации и сдаче МВПС в части пожарной безопасности;
действия при возникновении пожара, методы и приемы его тушения; устройство и работа средств пожаротушения и пожарной сигнализации.
1.8. Начальники депо и директора ремонтных заводов разрабатывают и согласовывают с подразделениями ФГП ВО ЖДТ дороги программы обучения рабочих и служащих, связанных с техническим обслуживанием и ремонтом МВПС, которые должны содержать;
основные пожароопасные узлы и причины возникновения пожаров на МВПС;
требования правил пожарной безопасности на МВПС при производстве технического обслуживания и ремонта;
устройство и работа средств пожаротушения и пожарной сигнализации, методы их ремонта и меры безопасности при их обслуживании и ремонте;
действия при возникновении пожара, методы и приемы его тушения.
1.9. Обучение мерам пожарной безопасности должно проводиться в соответствии с требованиями приказа МЧС РФ от 12.12.2007 № 645.
Для раскрытия тем, предусмотренных программой обучения, следует использовать натурные образцы, учебные модели и макеты, схемы, плакаты, планшеты с рисунками, фотографии, а также современные технические средства обучения.
1.10. Начальники депо и директора ремонтных заводов по согласованию с подразделениями ФГП ВО ЖДТ дороги своими приказами должны установить:
а) порядок и сроки занятий по программе пожарно-технического минимума;
б) порядок направления вновь принимаемых на работу для прохождения учебы по утвержденной программе;
в) перечень работников, связанных с техническим обслуживанием и ремонтом моторвагонного подвижного состава, которые должны проходить обучение. Машинисты и помощники машинистов проходят обучение все без исключения. Машинисты и помощники машинистов МВПС, ранее в отопительный сезон не работавшие, должны пройти обучение до его начала;
г) место обучения по программе пожарно-технического минимума;
д) перечень должностных лиц, на которых возлагается проведение занятий.
1.11. По окончании изучения пожарной безопасности МВПС у машинистов и помощников машинистов, а также у работников, связанных с ремонтом МВПС, должны быть приняты зачеты.
Результаты зачетов оформляют протоколом (актом).
Не сдавшие зачетов, к работе не допускаются.
1.12. Контроль за своевременностью и качеством проведения занятий по пожарной безопасности МВПС возлагается на руководство службы пригородных перевозок и по согласованию на подразделения ФГП ВО ЖДТ дороги, а учет охваченных учебой - на лиц, назначаемых начальниками депо и директорами ремонтных заводов.
1.13. Периодичность проведения занятий с последующим принятием зачетов в депо моторвагонного подвижного состава с локомотивными и ремонтными бригадами, а также с другими работниками, связанными с ремонтом и обслуживанием моторвагонного подвижного состава, по вопросам пожарной защиты и действиям при возникновении пожара - не реже двух раз в год.
2. Содержание моторвагонного подвижного состава
2.1. Правила пожарной безопасности
2.1.1. В кабинах машинистов, дизельных отделениях (отсеках), высоковольтных камерах, аппаратных камерах и других служебных помещениях МВПС запрещается хранить и провозить посторонние предметы. Служебные помещения и все узлы моторвагонного подвижного состава должны постоянно содержаться в чистоте.
В кабинах машинистов должны быть установлены и закреплены пепельницы в местах, удобных для обслуживающей бригады. Выбрасывать в окна незатушенные окурки и спички запрещается.
2.1.2. Смазочные материалы должны находиться только в металлических емкостях (бидонах, масленках и т.д.) с узкими горловинами и плотно закрывающимися крышками, а обтирочные концы, как чистые, так и загрязненные - в металлических ящиках, ведрах с крышками. Хранение смазочных и обтирочных материалов допускается только в строго определенных местах служебных отделений или в специальных подкузовных ящиках.
2.1.3. Все защитные устройства электрооборудования должны находиться в полной исправности.
Сечения токонесущих кабелей, проводов, а также устройств заземления должны соответствовать требованиям чертежей и нормативной документации.
Вводы кабелей и проводов в электрические аппараты, клеммовые и переходные коробки, металлрукавов и выходы из них должны быть оборудованы переходными уплотнителями и втулками из изоляционного материала исключающих возможность повреждения изоляции проводов и кабелей в процессе монтажа и эксплуатации и выполняться в соответствии с требованиями чертежей и правилами ремонта.
Места электрических соединений должны иметь надежные контакты. Расстояние между токонесущими и заземленными частями должно быть в пределах, установленных чертежами соответствующего оборудования.
2.1.4. При обесточивании по каким-либо причинам отдельных участков электрической цепи, электрические провода должны быть отсоединены от клемм с обеих сторон. Отсоединенные концы следует тщательно изолировать и подвязать для исключения соприкосновений с электрическими контактами и подвижными деталями.
2.1.5. Электрические провода и кабели, а также отдельные детали и узлы электрического оборудования, расположенные в местах возможного воздействия на них масла или топлива, должны быть покрыты маслостойкими красками или надежно защищены кондуитами, кожухами и т.п.
2.1.6. Запрещается применять нетиповую аппаратуру защиты или несоответствующую данной цепи по току срабатывания.
2.1.7. Запрещается эксплуатировать электрооборудование без дугогасительных камер там, где они предусмотрены заводом изготовителем, с нарушенной изоляцией электропроводки, не закрепленными контактами, соединять электрические провода между собой холодной скруткой, включать или отключать контакты реле принудительным способом.
2.1.8. Запрещается применять электропровода и кабели с горючей изоляцией в цепях аварийного освещения, пожарной сигнализации и пожаротушения при всех видах ТО и ТР.
2.1.9. Установленные электропечи должны быть только закрытого исполнения, с исправными кожухами, надежно укреплены и изолированы от примыкающих конструкций, изготовленных из горючих материалов.
Внутренние части тамбурных шкафов с электрооборудованием, камеры электрокалориферов и каналы калориферного отопления на длине 1,5 м от камер должны быть надежно изолированы от примыкающих конструкций, изготовленных из горючих материалов.
2.1.10. Следует обращать особое внимание на то, чтобы кожухи электропечей и места подвода к ним электрических проводов были очищены от посторонних предметов и мусора.
2.1.11. Электропечи, электрокалориферы, вентиляционные каналы, надпотолочные пространства тамбуров, шкафы с электроаппаратами и тому подобное оборудование должны систематически очищаться от пыли, горючих материалов и мусора. Конкретные сроки очистки устанавливаются в каждом депо в зависимости от типа моторвагонного подвижного состава и условий эксплуатации.
2.1.12. Для изготовления гибких соединений вентиляционных каналов тяговых электродвигателей и других систем, а также защитных рукавов силовых кабелей следует применять негорючий или трудногорючий материал, сохраняющий свои свойства в процессе эксплуатации.
2.1.13. В вагонах запрещается загромождать проходы и выходы и провозить опасные грузы (легковоспламеняющиеся жидкости, газы, взрывчатые и ядовитые вещества и т.п.).
2.1.14. Подтекание масла или топлива в трубопроводах, на дизелях, компрессорах, редукторах и других узлах не допускается.
2.1.15. Очистка от нефтепродуктов крыш, пространства под половицами дизельного помещения, поддонов и других емкостей, специально предназначенных для сбора нефтепродуктов, очистка глушителей и искрогасителей от нагара, проверка и очистка дренажных труб дизель-поездов, автомотрис и рельсовых автобусов должны производиться согласно требованиям соответствующих правил ремонта и технического обслуживания.
2.1.16. Наполнение топливных баков дизель-поездов, автомотрис и рельсовых автобусов должно производиться ниже верхнего его уровня не менее чем на 50 мм, имея в виду свойство топлива расширяться при повышении температуры наружного воздуха и при включении топливоподогревательных устройств. Заправочный пистолет отводится от горловины бака только после полного прекращения вытекания топлива.
Заправочный пистолет должен иметь устройства для наворачивания на горловину бака, снятия статического электричества и быстрого отключения подачи топлива.
После набора топлива пробки баков должны быть плотно закрыты.
Курить при заправке топливных баков запрещается.
2.1.17. В дизельных отделениях (отсеках) дизель-поездов, автомотрис и рельсовых автобусов, кроме того, запрещается:
а) пользоваться для освещения и других целей открытым огнем (факелами, свечами, паяльными лампами и т.п.);
б) курить в дизельном помещении и вблизи аккумуляторных батарей;
в) сушить спецодежду и другие горючие материалы на дизелях, электродвигателях, генераторах, выхлопных трубах и других пожароопасных местах;
г) оставлять открытыми индикаторные краны дизелей;
д) промывать бензином и керосином кузов и агрегаты.
2.1.18. У дизель-поездов и автомотрис, где конструкцией выпускной системы дизеля предусмотрена установка искрогасительных устройств, последние должны быть исправны, а сетки не иметь прогаров. В установленные сроки должна производиться их очистка от несгоревших частиц и нагара, а также регулирование обеспечивающих эжекцию зазоров, размеры которых должны соответствовать чертежам.
2.1.19. Запрещается эксплуатировать моторвагонный подвижной состав:
а) с нарушением требований настоящего подраздела (2.1);
б) с неполным комплектом или неисправными средствами пожаротушения и пожарной сигнализации.
2.1.20. Установка печей для обогрева помещений проводников сопровождающих МВПС, пересылаемый в недействующем состоянии, должна соответствовать п. 2.3. Главы 5 "Правил пожарной безопасности на железнодорожном транспорте" ППБО 109-92/ЦУО/112.
2.2. Оснащение средствами пожаротушения и пожарной сигнализации
2.2.1. Моторвагонный подвижной состав обеспечивается огнетушителями, пожарным инвентарем, оборудованием и ручным инструментом согласно "Нормам оснащения объектов и подвижного состава федерального железнодорожного транспорта первичными средствами пожаротушения".
Нормы оснащения МВПС первичными средствами пожаротушения приведены в таблице А.1 приложения А к настоящей инструкции.
2.2.2. При отсутствии в вагонах установок пожаротушения, электропоезда, кроме огнетушителей, поэтапно оснащаются генераторами огнетушащего аэрозоля оперативного применения.
Нормы оснащения электропоездов генераторами огнетушащего аэрозоля оперативного применения приведены в таблице А.1 приложения А к настоящей инструкции.
Устройство и работа генераторов приведена в приложении Б к настоящей инструкции.
2.2.3. Для оснащения МВПС допускаются системы и установки пожарной сигнализации и пожаротушения разработанные с соблюдением требований ГОСТ Р 15.201-200 "Продукция производственно-технического назначения. Порядок разработки и постановки продукции на производство".
2.2.4. Вагоны МВПС, салоны которых переоборудованы для просмотра видеопрограмм (видеосалоны), оснащаются дополнительными средствами пожаротушения. Норма оснащения приведена в таблице А.1 приложения А к настоящей инструкции.
Размещение дополнительных средств пожаротушения должны соответствовать конструкторским документам и техническим условиям, специально разработанным для переделки вагона данного типа дизель- или электропоезда и утвержденными в установленном порядке.
2.2.5. Основные типы огнетушителей, рекомендуемых для укомплектования МВПС, и их технические характеристики приведены в приложении Б к настоящей инструкции.
Укомплектование должно производиться только полностью заряженными и опломбированными огнетушителями, снабженными бирками с указаниями даты (месяц и год) зарядки и даты очередной перезарядки, контроля и технического освидетельствования, в зависимости от типа огнетушителя. Допускается укомплектование огнетушителями, у которых вместо бирки ее содержание нанесено штемпельной краской на корпусе со стороны, противоположной насадке.
2.2.6. На МВПС пожарные ведра должны быть наполнены сухим песком.
2.2.7. На дизель-поездах огнетушители и ведра с песком размещаются равномерно по всем служебным помещениям моторных вагонов.
2.2.8. На электропоездах огнетушители и пожарный инвентарь размещаются поровну в служебных помещениях головных вагонов, а пожарный инструмент - в подвагонных ящиках.
2.2.9. На рельсовых автобусах огнетушители и пожарный инвентарь размещаются в служебных помещениях моторного вагона, а пожарный ручной инструмент - в подвагонных ящиках.
2.2.10. МВПС, в соответствии с указаниями ОАО "РЖД", при КР проходит модернизацию, с целью повышения его пожарной безопасности, с заменой морально устаревших установок пожаротушения и пожарной сигнализации на современные системы или установками пожаротушения и автоматической пожарной сигнализацией с устройствами оповещения о пожаре.
Устройство и работа систем и установок пожаротушения, а также автоматической сигнализации приведены в приложении В к настоящей инструкции.
Перечень проектов по модернизации МВПС с целью повышения их пожарной безопасности приведен в приложении Е к настоящей инструкции.
2.2.11. В кабинах машинистов МВПС на видном месте должны находиться памятки с необходимыми сведениями о действиях при пожаре и правилами применения установок пожаротушения.
3. Пожарная профилактика на моторвагонном подвижном составе
3.1. Пожарная профилактика осуществляется посредством выполнения организационных и технических мероприятий, направленных на предотвращение пожаров на МВПС, ограничения их распространения и создания условий для успешного тушения.
3.2. Основным средством обеспечения пожарной безопасности МВПС является выполнение в установленные сроки, в полном объеме и с высоким качеством работ, предусмотренных планово-предупредительной системой технического обслуживания и ремонта, а также инструкций, разработанных и утвержденных в соответствии с п. 1.3 настоящей инструкции.
3.3. Объем работ, производимых в депо при технических обслуживаниях и ремонтах, а также техническое состояние моторвагонного подвижного состава в части обеспечения их пожарной безопасности, должны соответствовать требованиям, установленным ОАО "РЖД" для данного типа МВПС.
3.4. Объем работ при капитальных ремонтах, а также техническое состояние МВПС в части обеспечения их пожарной безопасности должны соответствовать требованиям, установленным ОАО "РЖД" для данного типа МВПС. Содержание и ремонт средств пожаротушения и автоматической пожарной сигнализации должны соответствовать требованиям приложения Г к настоящей инструкции.
3.5. Содержание и ремонт установок пожаротушения и автоматической пожарной сигнализации МВПС в период гарантийного срока эксплуатации, должны производиться в соответствии с инструкциями предприятий-изготовителей.
Изготовление, содержание, ремонт и эксплуатация резервуаров установок пожаротушения должны, кроме того, соответствовать требованиям Правил устройства и безопасной эксплуатации сосудов, работающих под давлением (ПБ 03-576-03). Гостехнадзор России от 11.06.03 №91, Минюст России от 19.06.03 № 4776.
3.6. Запрещается выпуск в эксплуатацию из всех видов технического обслуживания и ремонта МВПС, не имеющих полного комплекта средств пожаротушения по нормам п. 2.2 настоящей инструкции, с неисправными или незаряженными установками пожаротушения, а также с неисправной пожарной сигнализацией.
3.7. Запрещается отправка в капитальный ремонт на завод или пересылка на другие дороги МВПС, не имеющих полного комплекта средств пожаротушения по нормам п. 2.2 настоящей инструкции.
При пересылке МВПС в недействующем состоянии водный раствор пенообразователя из резервуаров установок пенного пожаротушения должен быть слит, трубопровод продут, а огнетушители и другое пожарное оборудование должно находиться в помещениях для проводников.
3.8. После прохождения МВПС технического обслуживания ТО-3 и всех видов текущего ремонта, должностным лицом, назначенным приказом начальника депо, в журнале технического состояния (форма ТУ-152 и ТУ-28) должна быть сделана запись по типу: "Дизель-поезд средствами пожаротушения укомплектован, пожарная сигнализация исправна, установка пожаротушения исправна и заряжена полностью" и поставлена подпись.
4. Обязанности локомотивной бригады при приемке и сдаче моторвагонного подвижного состава, в пути следования и при тушении пожара
4.1. Обязанности при приемке и сдаче
4.1.1. Локомотивная бригада обязана просмотреть журнал технического состояния (форма ТУ-152) принимаемого моторвагонного подвижного состава. При наличии в нем записей о неисправностях, проверить их устранение, обратив особое внимание на записи, касающиеся пожарной безопасности. Если такие неисправности не устранены, машинист не должен принимать МВПС в эксплуатацию.
4.1.2. При приемке моторвагонного подвижного состава, после технического обслуживания ТО-3 и всех видов текущего ремонта следует удостовериться в наличии в журнале технического состояния записи о полном укомплектовании и исправности средств пожаротушения и пожарной сигнализации в соответствии с требованиями п. 3.8 настоящей инструкции. Если такая запись отсутствует, машинист обязан потребовать ее внесения и не должен принимать МВПС, пока такая запись не будет сделана.
4.1.3. Необходимо убедиться в том, что принимаемый МВПС соответствуют требованиям "Правил пожарной безопасности" ППБО 109- 92/ЦУО/112 (глава 4 пункты 2 и 3).
Произвести осмотр и проверку оборудования, предусмотренные руководствами по эксплуатации и обслуживанию, утвержденными для данного типа МВПС и другими нормативно-техническими документами. Особое внимание обратить на места, агрегаты и узлы конструкции, представляющие повышенную пожарную опасность.
4.1.4. Основные узлы представляющие повышенную пожарную опасность, и возможные причины пожара приведены в приложении Д к настоящей инструкции. Принимая моторвагонный подвижной состав, бригада должна на основании внешнего осмотра пожароопасных узлов убедиться в их технически-исправном состоянии. При обнаружении неисправностей они должны быть устранены.
Особое внимание следует обратить на чистоту пожароопасных мест, наличие посторонних предметов, течей, скопление масла или дизельного топлива, неубранных концов, тряпок, ветоши и т.п.
4.1.5. Локомотивная бригада должна проверить наличие средств пожаротушения в соответствии с нормами п. 2.2 и исправное их состояние. У огнетушителей проверяется наличие пломбы и дата освидетельствования. Огнетушитель, неопломбированный или не прошедший очередное освидетельствование в установленные сроки, считается неисправным и подлежит замене.
4.1.6. На МВПС, оборудованных установками порошкового пожаротушения, проверяются узлы и элементы на предмет:
- их целостности;
- отсутствия повреждений, загрязнения и пыли;
- надежность крепления всех составных частей;
- правильность подсоединения разъемов узлов пуска модулей пожаротушения.
4.1.7. На дизель-поездах, автомотрисах и рельсовых автобусах, оборудованных установкой (системой) газового пожаротушения, проверяется:
- давление в баллонах с огнетушащим составом, которое должно быть не менее установленного для данной температуры окружающего воздуха;
- отсутствие механических повреждений баллонов установки (системы) и их запорно-пусковых устройств (вмятины, трещины, сильная коррозия);
- надежность крепления всех составных частей
4.1.8. На электропоездах, оборудованных установкой аэрозольного пожаротушения проверяются генераторы на отсутствие на корпусе трещин, сильной коррозии.
Автономные источники тока пуска генераторов являются одноразовыми. Поэтому опробование установки не допустимо.
4.1.9. На МВПС, оборудованных системой автоматической пожарной сигнализации, проверяется ее исправность. Система считается исправной, если при подаче питания загорается световая сигнализация в соответствии с условиями, предусмотренными для данного типа МВПС.
4.1.10. МВПС, оборудованный системой "Сигнал" связи салонов с машинистом и видеонаблюдением, проверяется их исправность в соответствии с инструкцией или РЭ на данную систему .
4.1.11. При сдаче МВПС машинист, делая запись о необходимом ремонте в журнале технического состояния формы ТУ-152, обязан, кроме того, записать:
а) случаи загорания, указав, где и когда они произошли, какими средствами пожаротушения были ликвидированы;
б) о приведении в действие установки пожаротушения, при каких обстоятельствах она включалась, продолжительность действия и другие данные, необходимые для оценки ее результативности и технического состояния после пользования.
4.2. Обязанности в пути следования
4.2.1. Порядок осмотра и обслуживания моторвагонного подвижного состава в пути следования должен устанавливаться начальником дирекции по обслуживанию пассажиров в пригородном сообщении дороги с учетом местных условий.
4.2.2. Локомотивная бригада должна периодически просматривать дизельные и моторные помещения через двери в кабине машиниста и экипажную часть в открытые окна кабины.
4.2.3. На дизель-поездах, автомотрисах и рельсовых автобусах, кроме того, дизельные отсеки и пожароопасные узлы должны быть осмотрены:
а) после запуска дизеля;
б) при прогреве дизелей при длительных стоянках на промежуточных станциях не реже чем через каждые 15-30 мин;
в) при прогреве дизелей в оборотных и основных депо не реже чем через один час.
4.2.4. В пути следования дизель-поездов и автомотрис локомотивная бригада должна следить за разряжением в картере дизеля по дифманометру. В случае уменьшения разряжения против установленной нормы следует выяснить причины и принять необходимые меры согласно утвержденному руководству по эксплуатации и обслуживанию.
4.2.5. При необходимости сборки аварийной электрической схемы она должна собираться непосредственно машинистом или под его руководством электрическими проводами сечения, соответствующего данной цепи с применением зажимов. Отключать аппараты защиты при введении аварийной схемы, если они сами не явились причиной ее сборки, не допускается.
О всех случаях сборки аварийной электрической схемы машинист обязан сделать запись в журнале технического состояния формы ТУ-152, с указанием причины и места подключений.
4.2.6. Плавкие вставки разборных предохранителей и неразборные предохранители должны заменяться только типовыми, соответствующими требованиям электрической схемы.
4.2.7. При срабатывании автоматической пожарной сигнализации с выдачей сигнала "ПОЖАР", локомотивная бригада должна немедленно проверить правильность сигнала о возникновении пожара и приступить к его тушению в соответствии с правилами, изложенными в п. 4.4 настоящей инструкции.
4.2.8. Если сигнал оказался ложным, из-за ложного срабатывания пожарного извещателя или другой причины, по возможности принимаются меры для восстановления системы автоматической пожарной сигнализации и приведение ее в исходное положение.
4.3. Обязанности при горячем отстое в депо
4.3.1. При постановке дизель-поезда, автомотрисы или рельсового автобуса на отстой с работающим дизелем локомотивная бригада перед уходом обязана:
а) проверить исправность системы (установки) пожарной сигнализации и пожаротушения;
б) переключить систему (установку) пожаротушения в режим "Автомат".
4.3.2. После окончания горячего отстоя или при нахождении локомотивной бригады на дизель-поезде, автомотрисе, рельсовом автобусе, необходимо произвести переключение системы (установки) пожаротушения с "Автомат" на "Ручной" режим работы.
4.4. Действия локомотивной бригады при пожаре в поезде
4.4.1. При возникновении пожара в поезде ответственность за организацию и руководство тушением пожара, эвакуацию пассажиров, спасение подвижного состава до прибытия подразделений пожарной охраны возлагается на машиниста не зависимо от места возникновения пожара.
4.4.2. При обнаружении пожара машинист обязан принять меры к остановке поезда, соблюдая следующие требования и условия:
а) категорически запрещается останавливать поезд на железнодорожных мостах, путепроводах, виадуках, эстакадах, в тоннелях, под мостами, вблизи трансформаторных подстанций, тяговых подстанций, сгораемых строений или других местах, создающих угрозу быстрого распространения огня или препятствующих организации тушения пожара и эвакуации пассажиров;
б) остановка электропоезда на электрифицированных линиях железных дорог должна производиться с таким расчетом, чтобы горящие вагоны не располагались под жесткими или гибкими поперечинами, секционными изоляторами, воздушными стрелками, а также на сопряжениях анкерных участков.
4.4.3. Одновременно с принятием мер по остановке поезда, машинист должен подать сигнал пожарной тревоги и, используя поездную радиосвязь или любой другой возможный в создавшейся ситуации вид связи, сообщить о пожаре поездному диспетчеру или дежурному по ближайшей станции для вызова пожарных подразделений.
4.4.4. Пожар на электрифицированных линиях железных дорог представляет особую опасность, так как провода и конструкции контактной сети находятся под номинальным напряжением 3 кВ при постоянном токе и 25 кВ при переменном.
В случае пожара в поезде на электрифицированном участке должны соблюдаться следующие требования:
а) если пожар возник на крыше вагона и в других случаях, когда имеется опасность поражения током во время действий по тушению пожара, машинист обязан сообщить об этом поездному диспетчеру или дежурному по станции и одновременно с вызовом пожарного подразделения потребовать снятия напряжения с контактной сети на участке, где остановился поезд;
б) при тушении пожара запрещается до снятия напряжения приближаться к проводам и другим частям контактной сети и воздушных линий на расстояние менее 2 м, а к оборванным проводам контактной сети и воздушных линий на расстояние менее 10 м до их заземления;
в) применение для тушения пожаров воды или пенных средств допускается только после снятия напряжения с контактной сети и воздушных линий и их заземления установленным порядком.
Контактная сеть и воздушные линии без заземления рассматриваются, как находящиеся под напряжением, даже, если напряжение снято.
Напряжение считается снятым только в том случае, когда получено письменное разрешение электромонтера района контактной сети на тушение пожара с указанием в нем номера приказа энергодиспетчера, с каких устройств снято напряжение и времени снятия напряжения.
В тех случаях, когда прибытие электромонтера и получение письменного разрешения требует времени, за которое может произойти значительное развитие пожара с опасными последствиями, допускается принятие разрешения по радио. В разрешении должен быть указан номер регистрируемого приказа энергодиспетчера, с каких устройств снято напряжение и время снятия напряжения. Получив разрешение, машинист электропоезда должен по киловольтметру убедиться в отсутствии напряжения в контактной сети, заземлить ее установленным порядком и доложить об этом руководителю тушения пожара. Когда убедиться в отсутствии напряжения в контактной сети не представляется возможным, а также нельзя надежно ее заземлить, письменное разрешение электромонтера обязательно.
На электрифицированных путях станций постоянного тока, оборудованных стационарными разъединителями контактной сети с заземляющим ножом, установка переносных заземляющих штанг не требуется. По регистрируемому приказу энергодиспетчера работником, имеющим на это право, производится отключение разъединителя и одновременное заземление контактной сети заземляющим ножом этого разъединителя. При переменном токе, кроме того, должны быть установлены переносные заземляющие штанги на расстоянии между ними не более 200 м.
Разрешением на тушение пожара в этом случае является уведомление дежурного по станции об отключении разъединителя и заземлении контактной сети заземляющим ножом этого разъединителя, которое должно быть зарегистрировано в оперативном журнале с указанием номера приказа энергодиспетчера и времени отключения разъединителя.
Об отключении контактной сети и воздушных линий дополнительно объявляется по громкоговорящей связи;
г) тушение горящих частей вагонов, расположенных на расстоянии менее 2 м от проводов и конструкций контактной сети и воздушных линий, находящихся под напряжением, разрешается производить только углекислотными и порошковыми огнетушителями;
д) тушение горящих предметов, расположенных на расстоянии 7 м и более от контактной сети и воздушных линий, находящихся под напряжением, а также очагов пожара внутри вагонов моторвагонного подвижного состава на электрифицированных участках допускается без снятия напряжения. При этом необходимо следить, чтобы струя воды или пены не касалась контактной сети и других предметов, находящихся под напряжением;
е) по окончании тушения пожара машинист, если он является согласно п. 4.4.1 настоящей инструкции руководителем работ, обязан убедиться в том, что люди удалены от частей контактной сети на расстояние не менее 2 м, после чего отметить время окончания работ на копии письменного разрешения, находящегося у электромонтера района контактной сети.
4.4.5. При возникновении пожара в электропоезде машинист обязан:
а) перевести в нулевое положение рукоятку контроллера, отключить выключатель управления (на поездах постоянного тока), или главный выключатель (на поездах переменного тока), опустить все токоприемники, остановить поезд на участках, для обеспечения подъезда пожарных машин, установленных в соответствии с местными условиями, и принять меры к его удержанию на месте;
б) подать сигнал пожарной тревоги и сообщить о пожаре в соответствии с требованиями п. 4.4.3 настоящей инструкции;
в) убедиться в том, что все токоприемники опущены и что контактный провод, который может быть пережжен, не касается вагонов;
г) при необходимости оповестить пассажиров о случившемся по поездной радиосвязи и информационным табло салона;
д) высадить пассажиров из горящего вагона и вагонов, которым угрожает опасность;
е) помощник машиниста приступает к тушению пожара, используя имеющиеся огнетушители и песок. Если салон вагона оборудован установкой пожаротушения, то ее необходимо привести в действие;
ж) если пожар не может быть ликвидирован своими силами и имеющимися средствами, принять меры к расцепке поезда и отводу горящего вагона на расстояние, исключающее возможность перехода огня на соседние вагоны или находящиеся вблизи здания и сооружения, но не менее 50 м.
4.4.6. При возникновении пожара на дизель-поезде, автомотрисе или рельсовом автобусе машинист обязан:
а) перевести в нулевое положение рукоятку контроллера и остановить дизель. На дизель-поездах ДР1 следует остановить также вспомогательный дизель. Выключить все приборы управления, остановить поезд и принять меры к его удержанию на месте;
б) подать сигнал пожарной тревоги и сообщить о пожаре в соответствии с требованиями п. 4.4.3. настоящей инструкции;
в) при необходимости оповестить пассажиров о случившемся по поездной радиосвязи;
г) высадить пассажиров из горящего вагона и вагонов, которым угрожает опасность;
д) при пожаре в прицепном вагоне или салоне моторного вагона, приступить вместе с помощником и проводником к тушению пожара, используя имеющиеся огнетушители. Если салон вагона оборудован установкой пожаротушения, то его необходимо привести в действие;
е) при небольшом очаге пожара в машинном помещении дизель-поезда или автомотрисы ликвидировать его, используя имеющиеся огнетушители;
ж) при значительном пожаре в дизельном отсеке, когда огнетушителями потушить пожар не удается, привести в действие установку пожаротушения и приступить к тушению пожара согласно указаниям приложения В к настоящей инструкции;
з) если пожар не может быть ликвидирован своими силами и имеющимися средствами, принять меры к расцепке дизель-поезда или автомотрисы (при наличии у нее прицепных вагонов) и отводу горящего вагона на участок, удобный для подъезда пожарных расчетов, на расстояние, исключающее возможность перехода огня на соседние вагоны или находящиеся вблизи здания и сооружения, не менее 50 м и совместно с прибывшими пожарными подразделениями ликвидировать пожар.
4.4.7. Порядок действий локомотивной бригады при остановке поезда на перегоне должен соответствовать требованиям Правил технической эксплуатации железных дорог действующей Инструкции по движению поездов и маневровой работе на железных дорогах, а порядок ограждения - действующей Инструкции по сигнализации на железных дорогах.
4.4.8. После ликвидации пожара, подача напряжения на электропоезд и запуск дизелей на дизель-поездах и автомотрисах, где имело место повреждение электрических аппаратов и проводов, запрещается.
Электросекции, поврежденные пожаром, должны следовать в депо с опущенными токоприемниками и отключенной цепью управления.
Приложение А
Обязательное
Нормы оснащения моторвагонного подвижного состава первичными средствами пожаротушения
Таблица А.1
| Наименование МВПС | Класс пожара | Норма на поезд, шт. | ||||||||
| Огнетушители вместимостью, л | Генераторы огнетушащего аэрозоля 1) | Пожарный инструмент | Ведро пожарное | |||||||
| Воздушно-пенные | Порошковые | Углекислотные | Топор ТПП | Багор БМП | ||||||
| 5, 10 | 2 | 5, 10 | 3 | 5, 6, 8 | ||||||
| 1 | 2 | 3 | 4 | 5 | 6 | 7 | 8 | 9 | 10 | 11 |
| Дизель-поезда: |
|
|
|
|
|
|
|
|
|
|
| Д1, 4-вагоный | А, В, Е | 4 |
| 2 |
| 2 |
|
|
| 4 |
| ДР1, 6-вагонный | А, В, Е | 4 |
| 2 |
| 2 |
|
|
| 4 |
| Автомотриса АЧ-2, 6-вагонная | А, В, Е | 4 |
| 2 |
| 2 |
|
|
| 4 |
| Рельсовый автобус: |
|
|
|
|
|
|
|
|
|
|
| РА-1, 1-вагоный | А, В, Е | 1 | 1 |
| 1 |
|
|
|
| 2 |
| РА-2, 2-и 3-вагоный | А, В, Е | 2 | 2 |
| 2 |
|
|
|
| 2 |
| Дизель-электропоезд ДТ1, 4-вагонный | А, В, Е | 4 |
| 2 |
| 2 |
|
|
| 2 |
| Электропоезда ЭР1, ЭР2, ЭР9: |
|
|
|
|
|
| 12 |
|
|
|
| 10- и 12-вагонные | А, Е | 6 | 1 | 2 | 1 | 2 | 12 | 2 | 2 | 4 |
| 8-вагонные | А, Е | 4 |
| 2 |
| 2 | 12 | 2 | 2 | 2 |
| 4-вагонные | А, Е | 2 |
| 1 |
| 1 | 12 | 1 | 1 | 1 |
| Электропоезда ЭР2Р, ЭР2Т, ЭД2Т, ЭД4, ЭД4М, ЭД9Т, ЭД9М, ЭТ2, 10-вагонные | А, Е | 6 | 1 | 2 | 1 | 4 | 12 | 2 | 2 | 4 |
| Электропоезд серии ЭМ4 «СПУТНИК», 6-вагонные | А, Е | 4 | 2 |
| 2 | 2 | 12 | 2 | 2 | 2 |
| Электропоезд серии ЭД4МКМ-АЭРО 8-вагонные | А, Е | 4 | 2 |
| 2 | 2 | 12 | 2 | 2 | 2 |
| Электропоезд ЭР200 14-вагонный | А, Е | 8 |
| 4 |
| 8 | 12 | 2 | 2 | 4 |
| Вагон с видео салоном 2) | А, Е | 1 |
| 2 |
| 3 |
|
|
|
|
Примечания:
1) Электропоезда о оснащаются генераторами оперативного применения типа АГС или АГОС если вагоны не оборудованы установками пожаротушения.
2) Вагон с видео салоном оснащается переносными огнетушителями независимо от поезда.
Приложение Б
Справочное
Средства пожаротушения устройство и работа огнетушителей
Огнетушитель - переносное или передвижное устройство, предназначенное для тушения очага пожара оператором за счет выпуска огнетушащего вещества, с ручным способом доставки к очагу пожара приведения в действие и управления струей огнетушащего вещества.
Б.1. Классификация переносных огнетушителей
1.1. Переносные огнетушители (далее - огнетушители) с полной массой не более 20 кг, предназначены для тушения пожаров классов А, В, С, Е.
1.2. Огнетушители в зависимости от применяемого огнетушащего вещества (ОТВ), подразделяют на следующие виды:
- водные (ОВ):
с распыленной струей - средний диаметр капель спектра распыления воды более 150 мкм (могут тушить только модельные очаги пожара класса А);
с тонкораспыленной струей - средний диаметр капель спектра распыления воды более 150 мкм и менее (могут тушить только модельные очаги пожара класса А и В);
- воздушно-эмульсионные (ОВЭ) с фторсодержащим зарядом;
- воздушно-пенные (ОВП), в том числе: с фторсодержащим или другим зарядом, которые в зависимости от кратности образуемого ими потока воздушно-механической пены подразделяются на:
огнетушители с генератором пены низкой кратности - кратность пены не более 20;
огнетушители с генератором пены средней кратности - кратность пены свыше 20 до 200 включительно;
- порошковые (ОП):
с порошком общего назначения, которым можно тушить очаги пожаров классов А, В, С, Е;
с порошком общего назначения, которым можно тушить очаги пожаров классов В, С, Е;
- газовые, в том числе:
углекислотные (ОУ);
хладоновые (ОХ).
1.3. По принципу создания избыточного давления газа для вытеснения ОТВ огнетушители подразделяют на следующие типы:
- закачные (з);
- с баллоном высокого давления для хранения сжатого или сжиженного газа (б);
с газогенерирующим устройством (г).
1.4. По возможности перезарядки огнетушители подразделяют на:
- перезаряжаемые;
- неперезаряжаемые (однократного пользования).
1.5. По величине рабочего давления огнетушители подразделяют на:
- низкого давления (Рраб£ 2,5 МПа при температуре окружающей среды (20±2) °C);
- высокого давления (Рраб > 2,5 МПа при температуре окружающей среды (20±2) °C.
1.6. В зависимости от вида заряженного ОТВ, огнетушители используют для тушения одного или нескольких пожаров следующих классов:
А - горение твердых веществ;
В - горение жидких веществ;
С - горение газообразных веществ;
D - горение металлов или металлосодержащих веществ (огнетушители специального назначения);
Е - пожары электрооборудования, находящихся под напряжением.
Б.2. Огнетушители порошковые
Порошковые огнетушители предназначены для тушения пожаров твердых веществ (класс А), жидких веществ (класс В), газообразных веществ (класс С) и электроустановок (класс Е) находящихся под напряжением до 1000 В (в зависимости от применяемого огнетушащего порошка), а также щелочных и щелочноземельных металлов (класс D) и других материалов, горение которых может проходить без доступа воздуха.
Порошковые огнетушители являются изделиями многоразового использования. Устройство огнетушителей приведено на рис. Б.1-Б.3. Технические характеристики огнетушителей представлены в таблице Б.1 и Б.2.

1 - игла; 2 - гайка накидная; 3 - трубка газоотводящая; 4 - головка; 5 - рукоятка запуска;
6 - корпус; 7 - баллон с химическим источником газа (газогенерирующее устройство);
8 - трубка сифонная; 9 - распылитель пистолетный; 10 - ручка распылителя;
11 - шланг гибкий; 12 -крышка; 13 -чека
Рис.Б.1. Устройство огнетушителей порошковых унифицированных ОПУ-5(ОПУ-10) и ОП-5(г), ОП-10(г) - с газогенерирующим устройством
Порядок приведения огнетушителя в действие
Для приведения огнетушителя в действие необходимо:
- выдернуть чеку;
- повернуть рукоятку запуска;
- направить пистолетный распылитель на очаг пожара;
- нажать ручку распылителя.
Принцип действия огнетушителя
Работа порошковых огнетушителей основана на использовании энергии химического источника газа для аэрирования и выброса огнетушащего состава (порошка).
После приведения огнетушителя в действие, рабочий газ поступает в корпус огнетушителя и вытесняет порошок, который по сифонной трубке подается в гибкий шланг поз.11. При нажатии на ручку распылителя поз. 10 происходит открытие пистолетного распылителя поз. 9 и выброс порошка.
Принцип работы пистолетного распылителя позволяет выпускать порошок порциями. Порошок, попадая на горящее вещество, изолирует его от кислорода воздуха.

1 - корпус; 2 - головка; 3 - химический источник газа; 4 - кнопка запуска; 5 - боек; 6 - шланг гибкий; 7 - клапан; 8 - крышка; 9 - ручка привода клапана; 10 - рукоятка для переноса; 11 - трубка сифонная; 12 - сопло; 13 - чека
Рис.Б.2. Устройство огнетушителя порошкового ОП-5-02ТМ
Порядок приведения огнетушителя в действие
Для приведения огнетушителя в действие необходимо:
- выдернуть чеку;
- резко ударить по кнопке запуска;
- направить огнетушитель или сопло огнетушителя на очаг пожара;
- нажать на ручку привода клапана.
Принцип действия огнетушителя
После приведения огнетушителя в действие, рабочий газ поступает в корпус огнетушителя и вытесняет порошок, который по сифонной трубке поз. 11 подается в полость клапана. При нажатии на ручку привода клапана поз. 9 происходит открытие клапана поз. 7 и выброс порошка через гибкий шланг.
Принцип работы головки поз. 2 позволяет выпускать порошок порциями. Порошок, попадая на горящее вещество, изолирует его от кислорода воздуха.
Данные огнетушители относятся к группе огнетушителей, у которых газ находится в отдельном баллоне высокого давления, размещенном внутри корпуса. Такие огнетушители менее трудоемки в эксплуатации, имеют более простую конструкцию, но требуют более повышенной герметичности.
|
|
|
| 1 - корпус; 2 - трубка сифонная; 3 - клапан; 4 - рукоятка для переноса; 5 - чека; 6 - ручка запуска; 7 - индикатор давления (манометр); 8 - запорно-пусковая головка; 9 - шланг гибкий; 10 - стрелка индикатора давления. |
Рис.Б.3. Устройство огнетушителей порошковых закачных ОП-2(з), ОП-3(з), ОП-10(з)
Порядок приведения огнетушителя в действие
Для приведения огнетушителя в действие необходимо:
- выдернуть чеку;
- направить огнетушитель или сопло огнетушителя на очаг пожара;
- нажать на ручку запуска.
Принцип действия огнетушителя
После приведения огнетушителя в действие (нажатие на ручку запуска поз. 6) порошок по сифонной трубке поз. 2 подается в сопло или в гибкий шланг для огнетушителей ОП-10(з) поз. 9 через которые происходит выброс порошка.
Принцип работы запорно-пусковой головки поз. 8 позволяет выпускать порошок порциями.
Закачные огнетушители относятся к группе огнетушителей, у которых внутри корпуса создано высокое давление сжатым воздухом. Такие огнетушители удобны в эксплуатации, менее сложные запорно-пусковые устройства, имеют визуальный индикатор давления поз. 7, но требуют повышенной герметичности. При нормальном давлении стрелка поз. 10 должна находиться в рабочем диапазоне давления (зеленая зона шкалы).
Таблица Б.1
Технические характеристики огнетушителей порошковых
| Наименование показателей | Модели порошковых огнетушителей | |||
| ОП-5(г) | ОП-10(г) | ОП-10(з) | ||
| 1 | 2 | 3 | 4 | |
| Марка огнетушащего порошка | П-2АП; | П-2АП; | П-2АП; | |
| Пирант-А; | Пирант-А; | Пирант-А; | ||
| Пирант-АН; | Пирант-АН; | Пирант-АН | ||
| ПСБ-3М; | ПСБ-3М; |
| ||
| "Вексон-АВС" | "Вексон-АВС" |
| ||
| Масса огнетушащего вещества, кг | 3,8 | 8,5 | 9,0 | |
| Огнетушащая способность при тушении модельного очага пожара | кл. А | 4А | 4А | 4А |
| кл. В, (м2) | 144В (4,52) | 144В (4,52) | 144В (4,52) | |
| Длина струи огнетушащего вещества, м | 3,0 | 4,5 | 6,5 | |
| Продолжительность подачи огнетушащего вещества, с | 8 | 12 | 13 | |
| Источник рабочего газа | ГГУ | ГГУ | Закачной (сж. воздух) | |
| Длинна гибкого шланга | - | 0,440 | 0,550 | |
| Диапазон рабочих температур, °C | от -50 до +50 | от -50 до +50 | от -40 до +55 | |
| Габаритные размеры, мм | Высота 440, диаметр 150 | Высота 545, диаметр 175 | Высота 520, диаметр 150 | |
| Масса огнетушителя полная, кг | 8,8 | 15,0 | 15,3 | |
| Средний срок службы, лет | 10 | 10 | 10 | |
Таблица Б.2
Технические характеристики огнетушителей порошковых
(транспортный вариант)
| Наименование показателей | Модели порошковых огнетушителей | |||
| ОП-3ТМ | ОП-5ТМ | ОП-10ТМ | ||
| ОП-5-01 (02)ТМ | ||||
| Марка огнетушащего порошка | П-2АП; | П-2АП; | П-2АП; | |
| Пирант-А; | Пирант-А; | Пирант-А; | ||
| Пирант-АН; | Пирант-АН; | Пирант-АН; | ||
| ПСБ-3М; | ПСБ-3М, | ПСБ-3М, | ||
| "Вексон-АВС" | "Вексон-АВС" | "Вексон-АВС" | ||
| Масса огнетушащего вещества, кг | 2,4 | 3,8 | 8,5 | |
| Огнетушащая способность при тушении модельного очага пожара | кл. А | 2А | 3А |
|
| кл. В, (м2) | 1,73 (55В) | 2,8 (89В) |
| |
| Длина струи огнетушащего вещества, м | 3,0 | 4,0 | 4,0 | |
| Продолжительность подачи огнетушащего вещества, с | 8,0 | 9 | 12,0 | |
| Источник рабочего газа | ХИГ | ХИГ | ХИГ | |
| Материал корпуса | Металл | Металл | Металл | |
| Диапазон рабочих температур, °C | от -50 до +50 | от -50 до +50 | от -50 до +50 | |
| Габаритные размеры, мм | Высота 445, диаметр 115 | Высота 390, диаметр 175 | Высота 440, диаметр 150 | |
| Масса огнетушителя полная, кг | 6,0 | 8,8 | 8,8 | |
| Средний срок службы, лет | 10 | 10 | 10 | |
Б.3. Огнетушители углекислотные
Переносные углекислотные огнетушители ОУ-3, ОУ-5 ОУ-6 и ОУ-8 предназначены для тушения загораний различных веществ, кроме веществ, горение которых может происходить без доступа воздуха, электроустановок, находящихся под напряжением до 10 кВ с расстояния не менее 2 м.
На рис. Б.4-Б.6 приведено устройство огнетушителей. Они представляют собой стальной баллон, в горловину которого на конусной резьбе ввернуто запорно-пусковое устройство с сифонной трубкой. В корпус огнетушителя под давлением закачивают заряд двуокиси углерода.
Технические характеристики углекислотных огнетушителей приведены в таблице Б.3.

1 - запорно-пусковое устройство; 2 - ручка (рычаг) запуска; 3 - ручка для переноски; 4 - корпус (баллон); 5 - раструб; 6 - трубка сифонная; 7 - кронштейн крепления огнетушителя;
8 - предохранительная чека; 9 - гибкий шланг
Рис. Б.4 и Рис. Б.5 Устройство огнетушителей углекислотных ОУ-3 (ОУ-5) и ОУ-6 (транспортного исполнения)
Принцип действия огнетушителя
После приведения огнетушителя в действие газ по сифонной трубке подается в раструб, через который происходит выброс газа. При этом происходит переход двуокиси углерода из сжиженного состояния в снегообразное (твердое) сопровождающийся резким понижением температуры до минус 70 °C.

1 - баллон; 2 - хомут; 3 - ручка для переноски; 4 - головка запорно-пусковая;
5 - раструб со шлангом
Рис. Б.6. Устройство огнетушителя углекислотного ОУ-8 (ОУ-10) с запорно-пусковым устройством нажимного типа
Таблица Б.3
Технические характеристики огнетушителей углекислотных
| Наименование показателей | Модели порошковых огнетушителей | |||
| ОУ-3 | ОУ-5 | ОУ-6 | ОУ-8 | |
| 1 | 2 | 3 | 4 | 5 |
| Вид огнетушащего вещества | Двуокись углерода сжиженная | |||
| Вместимость, л | 3 | 5 | 6 | 8 |
| Масса огнетушащего вещества, кг | 2,1 | 3,5 | 4,2 | 5,6 |
| Максимальное рабочее давление, МПа (кг/см2) | 15 (150) | |||
| Огнетушащая способность при тушении модельного очага пожара кл. В, (м2) | 13В (0,41) | 34В (1,07) | 34В (1,07) | 55В (1,73) |
| Продолжительность подачи огнетушащего вещества, с не менее | 8,0 | 9,0 | 10,0 | 12,0 |
| Источник рабочего газа | Закачной | |||
| Диапазон рабочих температур, °C | от минус 40 до +50 | |||
| Масса огнетушителя полная с зарядом (без кронштейна), кг | 6,8 | 14,0 | 14,5 | 15,8 |
| Средний срок службы, лет | 10 | |||
На рис. Б.7 приведено устройство ЗПУ нажимного типа.

1 - предохранительная мембрана; 2 - клапан; 3 - рычаг; 4 - шток;
5 - корпус; 6 - отверстие для предохранительной чеки
I - рабочее положение рычага
Рис. Б.7. Запорно-пусковое устройство нажимного типа
Б.4. Огнетушители воздушно-пенные
Воздушно-пенные огнетушители предназначены для тушения пожаров и загораний твердых веществ (класс А) и легковоспламеняющихся жидкостей (класс В).
Не допускается применение данных огнетушителей для тушения щелочных металлов (класс D) электроустановок находящихся под напряжением (класс Е), а также загораний веществ, горение которых происходит без доступа воздуха.
Технические характеристики огнетушителей приведены в таблицах Б.4 и Б.5.

1 - крышка; 2 - трубка сифонная; 3 - баллон для рабочего газа; 4 - гибкий шланг; 5 - корпус;
6 - полиэтиленовая мембрана; 7 - боковая трубка; 8 - устройство пенообразователя;
9 - насадок-пеногенератор; 10 - рукоятка насадка; 11 - рычаг; 12 - чека с кольцом
Рис. Б.8. Устройство огнетушителя воздушно-пенного ОВП-5
Порядок приведения огнетушителей в действие
Для приведения огнетушителя в действие необходимо:
- выдернуть чеку;
- нажать на рычаг;
- направить насадок пеногенератора на очаг пожара;
- нажать рукоятку насадка.
Принцип действия огнетушителя
Работа огнетушителя основана на использовании энергии химического источника газа для аэрирования и выброса огнетушащего состава (водного раствора).
В крышке 1 размещен пусковой механизм для прокалывания мембраны газового баллона и каналы для выхода рабочего газа (двуокись углерода), к которому привернута сифонная трубка 2. Крышка с баллоном для рабочего газа 3 крепится на горловине корпуса с помощью гайки.
Двуокись углерода из баллона через каналы и сифонную трубку проникает в корпус и выдавливает раствор пенообразователя. Для выпуска раствора достаточно нажать на рукоятку насадка пеногенератора. При этом открывается клапан и раствор пенообразователя, проходя через насадок, образует пену средней кратности.
В месте соединения боковой сифонной трубки 7 с гибким шлангом 4 находится защитная полиэтиленовая мембрана 6, предотвращающая доступ влаги из воздуха внутрь огнетушителя.
Если рукоятка нажата длительное время, заряд выбрасывается полностью и непрерывно. Отпуская периодически рукоятку насадка, можно заряд выпустить по частям, импульсами.

1 - корпус; 2 - трубка сифонная; 3 - баллон для рабочего газа; 4 - ручка для переноски;
5 - предохранительная чека 6 - головка с кнопкой запуска; 7 - шланг гибкий;
8 - рукоятка насадка; 9 - насадок пеногенератора; 10 - водный раствор пенообразователя
Рис. Б.9. Устройство огнетушителя воздушно-пенного ОВП-10
Порядок приведения огнетушителя в действие
Для приведения огнетушителя в действие необходимо:
- выдернуть чеку;
- резко ударить по кнопке запуска;
- направить насадок пеногенератора на очаг пожара;
- нажать на рукоятку насадка.
Принцип действия огнетушителя ОВП-10 аналогичен ОВП-5
Б.5. Огнетушители водные мелкодисперсные
Огнетушители водные мелкодисперсные используются как первичные средства пожаротушения пожаров класса А (твердые горючие материалы), класса В (горючие жидкости и твердые плавящиеся материалы) и класса С (горючие газы).
Огнетушители не применяются для тушения щелочных металлов (класс Д) и электроустановок под напряжением (класс Е).

1 - диск нажимной пусковой иглы; 2 - головка с запорно-пусковым устройством; 3 - штуцер;
4 - мембрана; 5 - втулка; 6 - трубка сифонная; 7 - баллон пусковой; 8 - корпус; 9 -ороситель;
10 - скоба для крепления рукава; 11 - рукоятка; 12- фильтр; 13- шланг гибкий; 14- мембрана;
15 - чека предохранительная; 16 - ручка для переноски и крепления
Рис. Б.10. Устройство огнетушителя водного мелкодисперсного ОВМ-5 (ОВМ-10)
Порядок приведения огнетушителей в действие
Для приведения огнетушителя в действие необходимо:
- выдернуть чеку;
- направить ороситель на очаг пожара;
- нажать на диск пусковой иглы.
Принцип действия огнетушителя
Средством вытеснения заряда из огнетушителя является диоксид углерода, который одновременно подается в струю жидкости перед распылением, что обеспечивает возможность формирования газожидкостной струи с заданными параметрами.
Баллончик с диоксидом углерода расположен внутри корпуса огнетушителя, где рабочее давление не превышает 0,12 МПа (12 кгс/см2). В качестве заряда используется чистая вода либо водный раствор поташа (К2СО3), что позволяет эксплуатировать огнетушитель при температурах от -25 °C до +50 °C. Заряд огнетушителя удовлетворяет требованиям по экологической чистоте.
Для предотвращения выливания вещества при случайном опрокидывании огнетушителя выход из сифонной трубки 6 закрыт мембраной 4.
Запорно-пусковое устройство монтируется в головке 2 и состоит из иглы пусковой 1 (в сборе с кольцом уплотнительным и гайкой), предохранительной чеки 15. Пусковой баллон 7 ввинчивается в головку.
Таблица Б.4
Технические характеристики огнетушителей воздушно-пенных и водных мелкодисперсных
| Тип огнетушителя | Вместимость корпуса, л | Масса пустого огнетушителя, кг | Объем раствора, л | Рабочее давление Р, МПа (кгс/см2) | Защищаемый объем, м3 | Защищаемая площадь, при классе пожара, м2 | |
| А | В | ||||||
| ОВП-5 | 5,0 | 3,00 | 4,50 | 1,2 (12) | 0,29 | 2,35 | 0,41 |
| ОВП-10 | 10,0 | 4,10 | 10,00 | 1,2 (12) | 0,58 | 4,70 | 1,10 |
| ОВМ-5 | 5,0 | 5,30 | 6,70 | 1,2 (12) | 8,30 | 2,50 | 0,65 |
| ОВМ-10 | 10,0 | 6,50 | 13,50 | 1,2 (12) | 12,60 | 5,00 | 1,10 |
Таблица Б.5
Технические характеристики огнетушителей воздушно-пенных закачных
| Наименование показателей | Модель огнетушителя | ||
| ОВП-5 (з) | ОВП-10 (з), | ||
| ОВП-10 (з)-01 | |||
| Марка и масса огнетушащего вещества (ОТВ): |
|
| |
| Углеводородный заряд по ТУ 4854-050-0857830, кг: | 1,0 | 2,0 | |
| Вместимость корпуса, л | 5,12 | 10,25 | |
| Объем раствора ОТВ, л | 4,0 | 8,0 | |
| Огнетушащая способность при тушении модельного очага пожара | кл. А | 1А | 2А |
| кл. В, (м2) | 1,07 (34В) | 1,73 (55В) | |
| Длина струи огнетушащего вещества, м | 3,0 | 3,0 | |
| Продолжительность подачи огнетушащего вещества, с | 30 | 40 | |
| Кратность пены по генератору | Низкая - средняя | Низкая - средняя | |
| Диапазон рабочих температур, град. С | от +5 до +50 | от +5 до +50 | |
| Габаритные размеры, мм | Высота 415, диаметр 150 | Высота 712, диаметр 150 | |
| Масса огнетушителя полная, кг | 7,4 | 13,7 | |
| Средний срок службы, лет | 10 | 10 | |
| Срок между переосвидетельствованиями, год | 1 | 1 | |
Огнетушители воздушно-пенные закачные ОВП-5(з) и ОВП-10(з) имеют устройство аналогично порошковым (рис. Б.3) только вместо порошка они заправляются водным раствором, а на гибком шланге имеется насадок с пенообразующим устройством.
Принцип действия огнетушителей воздушно-пенных закачных аналогичен порошковым закачным огнетушителям.
Внешний вид огнетушителей ОВП-5(з) и ОВП-10(з) приведен на рис. Б.11.

Рис. Б.11. Внешний вид огнетушителей ОВП-5(з) и ОВП-10(з)
Б.6. Огнетушители воздушно-эмульсионные ОВЭ-2(з) и ОВЭ-6(з)
Новейший, высокоэффективный, экологически чистый и безопасный огнетушитель воздушно-эмульсионный закачной предназначен для тушения пожаров твердых горючих веществ (класс А), горючих жидкостей (класс В) и электрооборудования, находящегося под напряжением (класс Е).
Огнетушитель не предназначен для тушения пожаров класса D (горение металлов или металлоорганических веществ).
Общий вид воздушно-эмульсионных огнетушителей приведен на рис. Б.12.
Технические параметры и характеристики - в таблице Б.6.
Устройство и принцип действия огнетушителей ОВЭ аналогичен порошковым закачным огнетушителям.
|
|
|
Рис. Б.12. Огнетушители воздушно-эмульсионные ОВЭ-2(з) и ОВЭ-6(з)
Таблица Б.6
Технические параметры и характеристики огнетушителей
| Наименование показателей | Значение показателей огнетушителя ОВЭ-2(з)-АВЕ-01 | Значение показателей огнетушителя ОВЭ-6(з)-АВЕ-01 |
| 1 | 2 | 3 |
| Вместимость корпуса огнетушителя, л | 2,7 | 8,0 |
| Марка огнетушащего вещества (ОТВ) | Водный раствор "Темперо-1" ТУ 4854-004-11622839-2005 | Состав "Tempero-2" |
| Объем ОТВ, л | 2-0,1 | 6-0,3 |
| Продолжительность приведения огнетушителя в действие, с, не более | 6,0 | 6,0 |
| Рабочее давление в корпусе огнетушителя, МПа | 1,85±0,02 | 1,85±0,02 |
| Продолжительность подачи ОТВ, с, не менее | 9 | 15 |
| Длина струи ОТВ, м, не менее | 3,0 | 6,0 |
| Масса остатка ОТВ в огнетушителе после его срабатывания, кг, не более | 0,2 | 0,48 |
| Огнетушащая способность модельного очага пожара: |
|
|
| - по классу А | 2А | 6А |
| - по классу В | 55В | 183В |
| - по классу Е | до 1000В | до 1000В |
| Диапазон температур эксплуатации огнетушителя | от -30 °C до +50 °C | от -30 °C до +50 °C |
| Габаритные размеры огнетушителя, мм, не более: |
| |
| - высота | 400 | 520 |
| - диаметр корпуса | 125 | 190 |
| Масса заряженного огнетушителя, кг, не более | 4 | 12 |
| Назначенный срок службы, лет | 10 | 10 |
Б.7 Правила работы с огнетушителями
| Правила работы с огнетушителями | Правильно | Неправильно |
| Тушить очаг пожара с наветренной стороны |
|
|
| При проливе ЛВЖ тушение начинать с передней кромки, направляя струю порошка на горящую поверхность, а не на пламя |
|
|
| Истекающую жидкость тушить сверху вниз |
|
|
| Горящую вертикальную поверхность тушить сверху вниз |
|
|
| При наличии нескольких огнетушителей необходимо применять их одновременно |
|
|
| Следите, чтобы потушенный очаг не вспыхнул снова (никогда не поворачивайтесь к нему спиной) |
|
|
| После использования огнетушители сразу необходимо отправить на перезарядку |
|
|
Б.8. Генераторы огнетушащего аэрозоля оперативного применения
Генераторы предназначены для локализации (пожара подкласса А1) и тушения пожаров (подкласса А2 и В) твердых горючих материалов, легковоспламеняющихся и горючих жидкостей, электроизоляционных материалов и электрооборудования, в том числе под напряжением, в помещениях производственных, административных и жилых зданий и сооружений, на железнодорожном и автомобильном транспорте, морских и речных судах и т.п.
Технические характеристики
| Масса снаряженного генератора | не более 6 кг |
| Условно-герметичный защищаемый объем | 84 м3 |
| Рекомендуемый защищаемый объем | до 65 м3 |
| Время задержки срабатывания | 6,4 / 9,6 с |
| Время работы | 30±4 с |
| Габаритные размеры: |
|
| - диаметр | 225 мм |
| - высота | 108 мм |
| - максимальный габаритный размер | 280 мм |
| Система приведения в действие | ручная |
| Температурные зоны: |
|
| > 400 °C | < 0,25 м |
| > 200 °C | < 0,6 м |
| > 75 °C | < 1,6 м |
| Условия эксплуатации: |
|
| - температура | от -50 до +50 °C |
| - относительная влажность | до 98% |
| Количество тепла, выделяемое при работе генератора | - 3200 кКал. |
На рис. Б.13 приведено устройство генератора.
|
| 1 - корпус; 2 - аэрозолеобразующий заряд; 3 - теплозащитный слой; 4 - втулка узла пуска; 5 - узел запуска; 6 - рукоятка; 7 - щелевое сопло; 8-защитный колпачок; 9 - шнур с петлей |
Рис. Б.13. Устройство генератора огнетушащего аэрозоля
Генератор состоит из корпуса (1), в котором размещены два аэрозолеобразующих заряда (2), отделенных от корпуса теплозащитным слоем (3). На боковой поверхности корпуса имеется втулка узла пуска (4) с защитным колпачком на резьбе (8), под которым находится шнур с петлей (9). Для переноски и забрасывания генератора в горящее помещение к корпусу прикреплена рукоятка (6). Выход огнетушащего аэрозоля осуществляется через щелевое сопло (7), расположенное по всей боковой поверхности корпуса.
Для приведения генератора в действие необходимо:
- одной рукой взять генератор за рукоятку;
- опустить генератор вертикально вниз, свободной рукой снять (отвинтить по резьбе) защитный колпачок с втулки узла запуска;
- освободить шнур и резко дернуть за петлю;
- забросить генератор в горящее помещение.
Замедляющий состав в узле пуска обеспечивает задержку срабатывания генератора на 7-10 секунд, необходимые для его безопасного забрасывания в горящее помещение.
При срабатывании узла пуска раздается характерный звук, и из дренажного отверстия на его корпусе появляется струйка дыма.
Внимание! После выдергивания веревочной петли узла запуска обязательно должен быть произведен немедленный заброс генератора, даже если нет уверенности, что узел запуска сработал.
Приложение В
Рекомендуемое
Средства обнаружения и тушения пожаров.
Устройство и работа систем и установок обнаружения и тушения пожаров
В.1. Установки пенного пожаротушения
В связи с тем, что существующие установки пенного пожаротушения на МВПС, согласно статистики, малоэффективны и морально устарели, они заменяются на современные системы и установки газового, аэрозольного или порошкового пожаротушения.
В.2. Система газового пожаротушения
1. Назначение системы
1.1. Система обнаружения и тушения пожара (далее СОТП) является отечественной автоматической системой газового пожаротушения и устанавливается на автомотрисах АЧ-2, дизель-поездах Д1 взамен ранее установленных чешских (на АЧ-2) и венгерских (на Д1) систем пожаротушения, а также на вновь строящихся дизель-поездах ДТ1 и рельсовых автобусах РА-1, РА-2.
1.2. СОТП на АЧ-2, Д1, ДТ1 и РА идентично по своему структурно-функциональному построению и предусматривает использование пожарного приемно-контрольного прибора "Гамма-01" и модулей пожаротушения газовых типа МПГ-150 в качестве исполнительных средств пожаротушения.
1.3. Отличия систем пожаротушения обусловлены числом защищаемых зон и заключаются в количестве устанавливаемых пожарных извещателей, количестве вытекающих отсюда электронных модулей (блоков БМ2 - БМ5) аппаратуры "Гамма-01" и конфигурацией разводки распределительного газового трубопровода.
1.4. Система обнаружения и тушения пожара предназначена для:
- автоматического обнаружения загорания с сигнализацией и адресацией зоны пожара;
- светового и звукового оповещения локомотивной бригады о пожаре;
- хранения, распределения и выпуска в зоны пожара газового огнетушащего состава (ГОС), обеспечивающего расчетную огнетушащую концентрацию.
1.5. СОТП обеспечивает (по необходимости) работу в любом из трех режимов:
- полуавтоматический (ручной дистанционный), при котором обнаружение пожара осуществляется автоматически, а тушение - по команде машиниста;
- автоматический, при котором обнаружение и тушение пожара осуществляется автоматически без вмешательства машиниста;
- аварийный с ручным дистанционным включением газовых модулей пожаротушения от устанавливаемых в безопасных местах специальных устройств ручного пуска УРП-7 (автономный пиротехнический источник электрического импульса), работающих при полном отсутствии электропитания на дизель-поездах.
2. Технические характеристики
2.1. Основные характеристики системы пожаротушения приведены в таблице В.2.1.
Таблица В.2.1
| Наименование показателя | Значение |
| 1 | 2 |
| Тип системы | Установка газового пожаротушения |
| Способ тушения пожара | Объемный |
| Огнетушащее вещество | Двуокись углерода (СО2) сварочная ГОСТ 8050 |
| Масса огнетушащего вещества, кг | 50, не более |
| Время срабатывания, с | 1 |
| Продолжительность подачи ГОС, с | 60, не более |
| Режимы работы | Полуавтоматический: сигнализация автоматическая, подача СО2 - по команде машиниста; |
| Автоматический: сигнализация автоматическая, подача СО2автоматическая | |
| Тип сигнализации | Световая адресная; Звуковая |
| Внимание, Пожар, | |
| Неисправность различной тональности | |
| Защищаемые зоны | Дизельный отсек (ДО) |
| Характер подачи ГОС | От МПГ через штатные распределительные трубопроводы с насадками |
| Тип пожарных извещателей | Тепловой адресный максимального действия ИПТА |
| Тип аварийного привода исполнительного устройства | Ручной дистанционный с автономным разовым пиротехническим источником тока УРП-7 |
| Потребляемая мощность, Вт: |
|
| в дежурном режиме | 2, не более |
| в режиме Пожар, при t = 0,2 с | 50, не более |
| Электропитание от внутреннего источника: | Встроенные необслуживаемые аккумуляторы |
| - суммарное номинальное напряжение, В | 24 (2 ´ 12) |
| - номинальная емкость, А ч | 7 |
| в дежурном режиме | 24, не более |
| в режиме Пожар | 3, не менее |
| От внешнего источника напряжением, В | 110 постоянного тока |
| Условия эксплуатации: |
|
| - температура окружающей среды, °C | от минус 40 до плюс 50 |
| - относительная влажность при температуре 25 °C, % |
|
| Срок службы, лет | 10, не менее |
3. Состав
3.1. В состав системы пожаротушения входят:
1) модуль пожаротушения газовый МПГ-150-50-01;
2) автоматическая адресная система сигнализации о пожаре, включающая:
- пожарный приемно-контрольный прибор "Гамма-01 ПКП" в составе:
блок питания и управления "Гамма-01 БПУ";
блок монтажный "Гамма-01 БМ2-1" с модулями МСЗ, МИ;
блок монтажный "Гамма-01 БМ2-2" с модулями МСЗ, МИУП;
- извещатели пожарные тепловые адресные "Гамма-01 ИПТА";
- блок клавиатуры и индикации "Гамма-01 БКИ";
- кнопочную станцию "Гамма-01 КС";
- оповещатель световой "Гамма-01 ОС";
- оповещатель свето-звуковой "Гамма-01 ОС3";
- оповещатель звуковой Оса-110;
3) извещатели для блокировки дверных проемов И0-102-6;
4) устройство ручного пуска УРП-7;
5) рукав высокого давления РВД-16-20,0-850;
6) распределительный трубопровод с насадками;
7) кабельную сеть;
8) ЗИП одиночный.
Примечание. Количественный состав СОТП зависит от вида МВПС.
4. Устройство и назначение составных частей системы
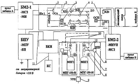
4.1. Структурно-функциональная схема СОТП представлена на рис. В.2.1.

1 - оповещатель звуковой Оса-110; 2 - извещатель для блокировки дверных проемов ИО-102-6;
3 - оповещатель светозвуковой "Гамма-01ОСЗ"; 4 - извещатель тепловой "Гамма-01ИПТА";
5 - оповещатель световой "Гамма-01ОС"; 6 - пиропатрон ПУО-2; 7 - сигнализатор давления СДУ; 8 - индикатор давления; 9 - устройство ручного пуска УРП-7; 10 - распределительный трубопровод; 11 - кабельная сеть; 12 - запорно-пусковое устройство
Рис. В.2.1. Структурно-функциональная схема СОТП
4.2. СОТП обеспечивает защиту дизельного отсека, обозначенного на схеме ДО.
4.3. Дизельный отсек оборудован пожарными тепловыми адресными извещателями (4).
4.4. К двум модулям пожаротушения МПГ, с одним выходным штуцером в запорно-пусковом устройстве (ЗПУ) в каждом модуле, подсоединен распределительный трубопровод (10), обеспечивающий подачу ГОС в ДО.
4.5. Сбор информации от пожарных извещателей, ее обработка, накопление и передача для отображения на блоке клавиатуры и индикации (БКИ) производится модулем питания и управления блока БПУ.
4.6. Информация о состоянии системы пожаротушения отображается на жидкокристаллическом индикаторе (ЖКИ) и светодиодном табло БКИ.
5. Модуль пожаротушения
5.1.1. Модуль пожаротушения МПГ-150-50 предназначен для хранения под давлением и выпуска огнетушащего состава.
5.1.2. Модуль представляет собой баллон цилиндрической формы (рис. В.2.2) с полусферическими днищами. К днищам баллона приварены цилиндрические обечайки, образующие верхний опорный узел и башмак.

1 - баллон; 2 - хомут; 3 - резиновое кольцо; 4 - ЗПУ; 5 - колпак
Рис. В.2.2. Модуль пожаротушения газовый МПГ-150-50
5.1.3. Сверху в горловине баллона установлено запорно-пусковое устройство (рис. В.2.3) для подачи ГОС в распределительный трубопровод.
|
| 1 - переходник; 2 - корпус; 3 - пробка; 4 - запорный элемент; 5 - накидная гайка; 6 - пиропатрон; 7 - электрический разъем пиропатрона; 8 - гайка с предохранительной мембраной; 9; 19 - футорка; 10 - корпус сигнализатора срабатывания предохранительной мембраны; 11 -сигнальный шток; 12 - зарядная гайка; 13 - заглушка; 14 - пробка обратного клапана; 15 - пружина; 16 - обратный клапан; 17 - уплотнительная шайба; 18 - втулка; 20 - индикатор давления; 21 - сигнализатор давления; 22 - выходной штуцер; 23 - гайка; 24-винт. |
Рис. В.2.3. Запорно-пусковое устройство
5.1.4. Срабатывание модуля производится при подаче электрического импульса на пиропатрон (6) (рис. В.2.3).
5.1.5. Более подробные данные о модуле приведены в его Руководстве по эксплуатации МПГ-6600-600 РЭ; о пиропатроне ПУ - в Техническом описании и Инструкции по эксплуатации УДП.000 ТО.
5.2. Блок питания и управления "Гамма-01 БПУ"
5.2.1. Блок питания и управления "Гамма-01 БПУ" предназначен для бесперебойного электропитания стабилизированным напряжением постоянного тока функциональных блоков и модулей приемно-контрольного прибора и выполнения функций управляющего устройства прибора за счет входящего в его состав модуля питания и управления МПУ.
5.3. Пожарный приемно-контрольный прибор
5.3.1. Пожарный приемно-контрольный прибор "Гамма-01 ПКП" предназначен для сбора информации от пожарных извещателей и передачи ее на модуль МПУ блока БПУ, а также включения модулей пожаротушения МПГ, световых и светозвуковых оповещателей по команде МПУ.
5.3.2. Прибор включает в себя 4 микропроцессорных электронных модуля, связанных между собой последовательным каналом с интерфейсом RS485:
- модуль исполнительных устройств пожаротушения (МИУП) предназначен для последовательного включения по команде МПУ исполнительных устройств пожаротушения. Включение производится импульсом тока до 1,5 А с длительностью 0,2 с. Модуль МИУП обеспечивает также прием сигналов обратной связи от сигнализаторов давления СДУ, установленных в ЗПУ модулей пожаротушения. МИУП обеспечивает постоянный контроль исправности всех элементов цепей пуска и контроля;
- модуль интегральный (МИ) предназначен для подключения одного токового и двух цифровых шлейфов сигнализации, включения исполнительных устройств пожаротушения. МИ постоянно проводит контроль исправности всех цепей датчиков и исполнительных устройств;
- модуль световых и звуковых оповещателей (МСЗ) предназначен для включения по команде МПУ одного светового оповещателя ОС, одного светозвукового оповещателя ОС3 и контроля датчика двери.
5.4. Извещатель пожарный тепловой "Гамма-01 ИПТА"
5.4.1. Извещатель предназначен для обнаружения очага загорания по параметру повышения температуры в месте его установки и передачи измеренного значения температуры функциональному модулю аппаратуры "Гамма-01" для сравнения температуры с заданным порогом срабатывания и формирования модулем соответствующего сигнала "НОРМА", "ВНИМАНИЕ" ("сработал" 1 датчик) или "ПОЖАР" ("сработали" 2 датчика).
5.5. Блок клавиатуры и индикации "Гамма-01 БКИ"
5.5.1. Блок клавиатуры и индикации (БКИ) предназначены для отображения информации о состоянии СОТП на жидкокристаллическом индикаторе (ЖКИ), 7-ми разрядном светодиодном индикаторе и подачи звуковых сигналов при возникновении ситуаций, требующих внимания оператора.
5.5.2. Кнопки управления расположенные на лицевой панели БКИ и их функции приведены в таблице В.2.2.
Таблица В.2.2
| Наименование кнопки | Функция кнопки |
| ТЕСТ | Контрольное включение на время нажатия кнопки световых и звуковых оповещателей. |
| РЕЖИМ | Переход в режим "Индикация неисправностей" повторное нажатие - установление режима индикации состояния датчиков, следующее нажатие - установление режима "Индикация состояния системы". |
| ПАМЯТЬ | Не используется |
| ЗВУК | Включение/выключение звукового сигнализатора БКИ. |
| При выключении сигнализатора зажигается светодиод ЗВУК ОТКЛ | |
| СБРОС | Выход из режима "Индикация установки времени и даты". Нажатие кнопки всегда приводит к переходу в режим "Индикация состояния системы". |
| ФУНКЦИЯ | Переход в режим "Индикация установки времени и даты". Последовательное нажатие приводит к установке следующего изменяемого параметра. |
| Ý ß | Выбор параметра при установке времени и даты |
| Þ Ü | Не используется |
5.5.3. БКИ обеспечивает выдачу звуковых сигналов в следующих режимах:
| Дежурный | - молчание; |
| Пуск прошел | - непрерывный; |
| Пожар | - модулированный по частоте; |
| Внимание | - прерывистый двухтональный; |
| Неисправность | - прерывистый однотональный. |
Выключение звукового сигнализатора осуществляется кнопкой ЗВУК при этом на панели блока БКИ включается светодиод зеленого цвета Звук ОТКЛ.
5.6. Кнопочная станция
5.6.1. Кнопочная станция (КС) предназначена для подачи команды Пуск, Отмена и установления режима работы Ручной или Автоматический.
5.6.2. На лицевой панели КС располагаются:
- кнопка Пуск;
- кнопка Отмена;
- контактное устройство, а также элементы световой индикации:
зеленого цвета: Авт., Отмена;
красного цвета: Пуск;
желтого цвета: Руч.
5.7. Оповещатель световой "Гамма - 01 ОС"
5.7.1. Оповещатель световой (ОС) представляет собой малопотребляющее электролюминисцентное табло с предупреждающей надписью Газ! Не входить!
5.8. Оповещатель светозвуковой "Гамма-01 ОС3"
5.8.1. Оповещатель свето-звуковой (ОС3) представляет собой комбинацию в одном корпусе электролюминесцентного табло с предупреждающей надписью Газ! Уходи! и пьезокерамического звукового оповещателя типа "Оса-110".
5.9. Оповещатель звуковой Оса-110
5.9.1. Пьезокерамический звуковой оповещатель Оса-110 предназначен для выдачи звукового сигнала в режиме Пожар - (непрерывный звуковой сигнал, меняющийся по частоте). Установлен оповещатель Оса-110 в кабине машиниста.
5.10. Устройство ручного пуска УРП-7
5.10.1. Устройство ручного пуска УРП-7 - автономное устройство для преобразования механического воздействия оператора (выдергивание за кольцо чеки) в электрический импульс, подаваемый на пиропатрон модуля МПГ.
5.10.2. УРП-7 установлен в защитный стакан, который монтируется в кабине Б. Предусмотрена инструкция по приведению устройства в действие.
5.10.3. Более подробно данные об УРП-7 приведены в его Инструкции по эксплуатации (УРП.00.000 ИЭ).
5.11. Извещатель ИО-102-6
5.11.1. Извещатель охранный предназначен для блокировки металлических дверных проемов.
5.12. Рукав высокого давления
5.12.1. Гибкий рукав высокого давления предназначен для направления потока огнетушащего вещества из баллона модуля в распределительный трубопровод, а также для удобства монтажа и (демонтажа) модуля при его техническом обслуживании.
5.13. Распределительный трубопровод
5.13.1. Распределительный трубопровод (трубная разводка) предназначен для направления потока огнетушащего вещества из модуля МПГ в зону загорания (возникновения пожара). На автомотрисе АЧ-2 используется существующая штатная трубная разводка.
5.14. Кабельная сеть
5.14.1. Кабельная сеть предназначена для электрической связи блоков и шлейфов системы между собой.
5.15. ЗИП одиночный
5.15.1. ЗИП одиночный предназначен для замены сработавших элементов в процессе эксплуатации и технического обслуживания системы.
6. Подготовка системы к работе
6.1. Произвести внешний визуальный осмотр системы пожаротушения, его узлов и элементов на предмет:
- их целостности;
- отсутствия повреждений, загрязнений и пыли;
- надежности креплений всех элементов СОТП.
6.2. Произвести контроль давления газа в модуле МПГ по показанию индикатора давления. По графику изменения давления газа в зависимости от температуры убедиться, что стрелка манометра находится в рекомендуемой рабочей зоне (рис. В.2.4).

Рис. В.2.4. График изменения давления СО2 в баллоне МПГ в зависимости от температуры
6.3. Проверить положение сигнализатора предохранительной мембраны на ЗПУ модуля (см. рис. В.2.3):
рабочее положение - сигнальный шток (11) не выступает из корпуса (10);
аварийное положение - сигнальный шток выдвигается из корпуса на 5 - 8 мм.
6.4. Проверить правильность подсоединения разъемов пиропатронов ПУО-2 модулей МПГ на соответствие схеме электрической принципиальной.
6.5. Проверить состояние системы СОТП - на блоке БКИ горит индикатор Питание и на ЖКИ выводится следующая информация: сообщение о состоянии системы - НОРМА (если система находится в нормальном состоянии) и текущее время.
6.6. При отображении на ЖКИ ситуации ВНИМАНИЕ или НЕИСПРАВНОСТЬ необходимо устранить причины появления данной информации, после чего электронным ключом Сброс перевести систему в нормальное состояние (приложить ключ Сброс к контактному устройству кнопочной станции).
6.7. Установить ручной или автоматический режим Авт/Руч работы СОТП. Перевод с одного режима на другой осуществляется автоматически с помощью электронного ключа РЕЖИМ на блоке КС.
6.8. При ручном режиме на КС включается (загорается) индикатор Руч, на БКИ появляется информация:
<время> <время> Норма
Режим Руч., Дв.Откр./Закр.
6.9. При автоматическом режиме на КС включается (загорается) индикатор Авт, на БКИ также включается индикатор Авт Пуск и появляется информация:
<время> <время> Норма.
Режим Авт Дв.Откр./ Закр.
При этом контроль состояния дверей происходит с задержкой в 3 мин, при состоянии Дв.Закр. система сохраняет Авт режим, при состоянии Дв. Откр. система переходит в Руч. режим работы.
6.10. При установке Авт. режима в течение 3 мин. покинуть машинное отделение поезда, закрыв все двери.
7. Работа системы в дежурном режиме
7.1. Система пожаротушения включена - горит индикатор Питание на блоке БКИ.
7.2. Система пожаротушения установлена в ручном или автоматическом режиме работы - горит индикатор Авт или Руч на блоке КС. При автоматическом режиме на БКИ горит индикатор Авт. пуск.
7.3. Пожарные извещатели непрерывно контролируют температуру среды в зонах их размещения.
7.4. Звуковой оповещатель БКИ выдает сигнал Молчание. На ЖКИ высвечивается информация:
в верхней строке <dd : dd> <tt : tt>, Норма
в нижней строке Режим Руч/Авт, Дв.Откр/Закр.,
где <dd : dd> - число, месяц; <tt : tt> - час, мин.
7.5. Прибор "Гамма-01 ПКП-АЧ-2" постоянно производит самоконтроль и контроль исправности всех цепей (цепей пуска пиропатронов, шлейфов и т.д.) с выдачей информации о возникшей неисправности на блок БКИ.
7.6. При срабатывании одного пожарного извещателя на ЖКИ БКИ в верхней строке появляется информация: Внимание, в нижней строке - <режим>, <состояние двери>. Возникновение ситуации Внимание подтверждается включением встроенного в БКИ звукового сигнализатора - прерывистый двухтональный звуковой сигнал.
7.7. Действия машиниста при ситуации Внимание:
- отключить звуковой сигнал, нажав кнопку Звук на БКИ;
- перевести режим Авт пуска в режим Руч (если был установлен режим Авт) электронным ключом РЕЖИМ или открыв одну из дверей;
- убедиться, что сигнал Внимание не ложный;
- устранить причину возникновения ситуации Внимание;
- электронным ключом СБРОС перевести систему пожаротушения в дежурный режим (состояние НОРМА);
- при невозможности устранения ситуации Внимание и перехода ее в ситуацию Пожар действовать в соответствии с подразделом 5.2.5.
7.8. При возникновении ситуации Неисправность (обрыв цепей, несрабатывание пожарных извещателей и др.) на БКИ загорается индикатор Неисправность. Для обнаружения причины неисправности нажать кнопку РЕЖИМ на блоке БКИ, при этом на ЖКИ блока в верхней и нижней строках появляется информация о виде и месте неисправности в части линий связи (ЛС), пожарного шлейфа, нитей 1 и 2 пиропатронов 1, 2, 3, 4 (ПП) и цепей подключения СДУ.
Для обнаружения неисправного извещателя повторно нажать кнопку РЕЖИМ, в верхней и нижней строках ЖКИ индицируются номера извещателей. Порядковые номера извещателей приведены в Руководстве по эксплуатации СОТП для конкретного типа ВМПС.
При ситуации Неисправность звуковой оповещатель БКИ подает прерывистый однотональный сигнал.
7.9. При ситуации Неисправность машинист должен:
- отключить звуковой сигнал;
- направить поезд на ближайшее место "постановки" или в депо для устранения неисправности.
7.10. Расшифровка индикации извещения Неисправность приведена в Руководстве по эксплуатации СОТП (подраздел Текущий ремонт).
8. Работа системы при пожаре
8.1. При срабатывании двух пожарных извещателей в защищаемом отсеке на блоке БКИ формируется сигнал Пожар - включается индикатор Пожар, звуковая сигнализация блока БКИ, звукового оповещателя Оса-110 и всех оповещателей на ОСЗ. На ОСЗ включается световое оповещение Газ! Уходи! На ЖКИ появляется информация:
в верхней строке <время> <время> Пожар
в нижней строке Руч/Авт Дв.Откр/Закр.
8.2. При пожаре машинист должен:
- остановить поезд;
- определить режим работы СОТП по индикатору на КС - Авт или Руч;
- перевести систему в ручной режим работы, открыть дверь из кабины машиниста в дизельный отсек (если был установлен режим Авт);
- убедиться в ситуации Пожар (полученная на ЖКИ блока БКИ информация неложная);
- нажать кнопку Пуск - на КС, кнопка должна загораться красным цветом. На ЖКИ должна появиться надпись:
в верхней строке <время > <время > Пуск;
в нижней строке Руч. Дв.Откр/Закр Tпуск = 30 с (время до пуска газовых баллонов МПГ);
- покинуть за 30 с кабину машиниста и дизельный отсек, закрыв за собой двери;
- по истечении этого времени запускаются средства пожаротушения и после интервала в 5 сек, при срабатывании соответствующего СДУ, формируется команда Пуск прошел;
- убедиться, что Пуск прошел - включится световой оповещатель Газ! Не входить! на ОС, расположенном в пассажирском салоне;
- при отсутствии надписи на оповещателе ОС, действовать в соответствии с подразделом 9;
- по истечении 10-ти минут, открыть двери в ДО для проветривания, убедиться, что пожар потушен;
- при автоматическом режиме работы системы пожаротушения, после появления сигнала Пожар система автоматически начнет отсчет 30-ти секундного интервала времени, и по его истечении осуществит пуск модулей МПГ (средств пожаротушения). При этом вся информация о режиме работы на индикаторах и ЖКИ блока БКИ, вся звуковая и световая индикация будет аналогична режиму ручного пуска.
9. Действия в экстремальных условиях
9.1. При возникновении пожара и невозможности включения огнетушащего модуля МПГ с КС в ручном режиме или автоматическом режиме работы системы пожаротушения (при обрыве цепи пиропатронов или пропадании электропитания - индикатор Питание на блоке БКИ не горит или информация на оповещателе ОС отсутствует или газ не пошел - внешний осмотр) подачу ГОС из модуля можно обеспечить включением пиропатронов модулей МПГ с помощью УРП-7, установленного в кабине машиниста, а на РА - снаружи кузова.
9.2. При возникновении пожара и невозможности эвакуации людей в течение 30 с, с момента срабатывания пожарных извещателей и поступлений извещений Пожар и Газ! Не входить! машинист обязан отменить включение средств пожаротушения. Отмена производится с помощью кнопки ОТМЕНА, расположенной на блоке КС, при этом кнопка загорается зеленым цветом.
10. Эксплуатационные ограничения
10.1. Электропитание СОТП осуществляться от бортовой сети постоянного тока напряжением 110 В, 55 или 24 В.
10.2. Модуль МПГ устанавливаться вертикально, запорно-пусковым устройством вверх и манометром наружу (от стены).
10.3. На модуль МПГ и пиропатроны ПУО-2 не допускается попадание прямых солнечных лучей, воздействие внешних источников тепла и попадание атмосферных осадков.
10.4. При такелажных работах и транспортировании заправленного модуля браться за ЗПУ запрещается во избежание разгерметизации модуля.
10.5. Диапазоны температуры эксплуатации блока "Гамма-01 БКИ", блока "Гамма-01 БПУ" и оповещателя "Гамма-01 ОС3" от -10 до +50 °C.
11. Меры безопасности
11.1. К работе с системой пожаротушения допускаются лица только после ознакомления с настоящим документом и с эксплуатационной документацией на модуль МПГ, устройство УРП-7 и пиропатроны ПУО-2.
11.2. Работы должны осуществляться в полном соответствии с "Правилами технической эксплуатации электроустановок потребителей", "Едиными правилами безопасности при взрывных работах" и "Правилами устройства и безопасности эксплуатации сосудов, работающих под давлением" ПБ 03-576-03.
11.3. Подключение пиропатронов модулей МПГ-150-50 к цепям пуска производиться только после проведения пуско-наладочных работ и сдачи-приемки системы пожаротушения в штатную эксплуатацию.
11.4. Все работы по монтажу и ремонту СОТП выполняться при отключенном питании системы и отстыкованных разъемах пиропатронов модулей МПГ.
11.5. После проведения технического обслуживания и текущего ремонта подключение разъемов пиропатронов ПУО-2 необходимо производить в соответствии со схемой электрической принципиальной приведенной в документации на систему пожаротушения для конкретного вида МВПС. Перечень сокращений
БКИ - блок клавиатуры и индикации
БМ2 - блок монтажный на 2 модуля
ДО - дизельный отсек
ЖКИ - жидкокристаллический индикатор
ЗПУ - запорно-пусковое устройство
МИ - модуль интегральный
МИУП - модуль исполнительных устройств пожаротушения
МПГ - модуль пожаротушения газовый
МПУ - модуль питания и управления
МСЗ - модуль световых и звуковых оповещателей
ОС - оповещатель световой
ОСЗ - оповещатель светозвуковой
ПКП - приемно-контрольный прибор
СОТП - система обнаружения и тушения пожара
УРП - устройство ручного пуска
В.3. Установки аэрозольного пожаротушения
В.3.1. Установка аэрозольного пожаротушения вагонов электропоездов и прицепных вагонов дизель-поездов СОТ-У АПВ (ТУ 4254-211-36536331-97)
1. Назначение
1.1. Установка аэрозольного пожаротушения СОТ-УАПВ предназначена для локализации и ликвидации пожаров на начальных стадиях ее развития в пассажирских салонах и тамбурах, шкафах с электрооборудованием, вентиляционных каналах, чердаках тамбуров и кабинах машиниста моторных, прицепных и головных вагонов электропоездов и прицепных вагонов дизель-поездов.
2. Принцип действия
2.1. Принцип действия УАПВ основан на ингибирующем воздействии мелкодисперсного аэрозоля солей щелочных металлов на окислительно-восстановительные реакции горения органических веществ в кислороде воздуха.
Огнетушащий аэрозоль образуется при работе генераторов огнетушащего аэрозоля (ГОА) в процессе горения специального аэрозолеобразующего состава (АОС), заключенного в виде монолитного заряда, в корпусе генератора.
2.2. Производительность и количество генераторов выбирается таким образом, чтобы при их работе в защищаемом объеме создавалась необходимая огнетушащая концентрация аэрозоля с учетом его потерь через имеющиеся неплотности и проемы в ограждающих конструкциях.
2.3. При расчете количества генераторов в качестве исходных данных принято, что все имеющиеся двери плотно закрыты, остекленение салона не нарушено, открыта 1/4 всех оконных форточек, внутренние перегородки вентиляционной системы, электрошкафов, чердачных помещений и т.п. выполнены в соответствии с конструкторской документацией на вагоны.
3. Устройство УАПВ
3.1. В состав УАПВ входят генераторы огнетушащего аэрозоля типа АГС-3 и АГС-2/4 и блок управления БУ-УАПВ, соединенные между собой кабельной сетью.
3.2. Генераторы АГС-3 предназначены для защиты электрошкафов, чердаков тамбуров и вентиляционного канала.
3.3. Генераторы АГС-2/4 предназначены для защиты салона, тамбуров и кабины машиниста.
3.4. БУ-УАПВ предназначены для управления установкой и вырабатывания электроэнергии для ее запуска.
3.5. УАПВ прицепных и моторных вагонов выполнены идентично и состоят из двух подсистем.
3.6. Подсистема защиты электрошкафов, чердаков тамбуров и вентканала (ПЗЭ) состоит из ГОА типа АГС-3, установленных в каждом электрошкафу, чердаке и в вентканале. Все ГОА ПЗЭ запускаются одновременно, что обусловлено единством объема всех этих помещений, не имеющих между собой достаточно герметичных перегородок.
3.7. Подсистема защиты салона и тамбуров (ПЗС) состоит из ГОА типа АГС-2/4, установленных в каждом тамбуре и в салоне вагона. Все ГОА ПЗС так же запускаются одновременно.
3.8. УАПВ головного вагона отличается от УАПВ прицепных и моторных вагонов тем, что кроме ПЗС и ПЗЭ имеет подсистему защиты кабины (ПЗК), состоящую из генератора АГС-2/4 и установленного в электрошкафу генератора АГС-3, запускающихся одновременно.
3.9. Генераторы приводятся в действие электрическим импульсом, вырабатываемым БУ-УАПВ (рис. В.3.1).

Рис. В.3.1. Схема электрических соединений БУ-УАПВ для головного вагона
3.10. Электрическая схема УАПВ не связана с электросистемами вагона и позволяет осуществить пуск от входящих в ее состав автономных источников электроэнергии, установленных в БУ-УАПВ (рис. В.3.2 и В.3.3).

1. Схема изображена при нейтральном положении Т1 и закрытой крышке БУ.
2. Провода П1-П2, П3-П4 попарно экранированы.
3. Клеммы 7 и 8 предназначены для заземления экранов проводов.
Рис. В.3.2. Схема электрическая принципиальная УАП СОТ моторного и прицепного вагона
Комплектующие изделия УАП СОТ моторного и прицепного вагона
| Обозначение | Наименование | Количество, шт. | Примечание |
| И1 | Генератор импульсный МИГ-10 ХФЗ.119.013. ТУ | 1 | Гот. изд. |
| Т1 | Тумблер П2Т-10В УСО.360.054 ТУ | 1 | Гот. изд. |
| ИП1-ИП2 | Автономный источник тока ФОО.350.136 ТУ | 2 | Год. изд. |
| ГОА1-ГОА14 | Генератор огнетушащего аэрозоля АГС-2/4 ТУ 4854-015-36536331-97 | 14 | Гот. изд. |
| ГОА15-ГОА24 | Генератор огнетушащего аэрозоля АГС-3 ТУ 4854-013-36556331-97 | 10 | Гот. изд. |
| R1, R2 | Резистор С5-37В-1-2 Ом ±10% ОЖО.457.571 ТУ | 2 | Гот. изд. |
| К1, К3 | Провод из к-та И1 |
|
|
| К2, К4-К13 | Провод ПВ3 S = 0,5 мм2 |
|
|
| ВК1 | Выключатель | 1 | Не входит в комплект |

1. Схема изображена при нейтральном положении Т1 и закрытой крышке БУ.
2. Провода П1-П2, П3-П4, П5-П6 попарно экранированы.
3. Клеммы 7 и 8 предназначены для заземления экранов проводов.
Рис. В.3.3. Схема электрическая принципиальная УАП СОТ головного вагона
Комплектующие изделия УАП СОТ головного вагона
| Обозначение | Наименование | Количество, шт. | Примечание |
| И1, И2 | Генератор импульсный МИГ-10 ЧФЗ.119.013 ТУ | 2 | Гот. изд. |
| Т1 | Тумблер П2Т-10В УСО.360.054 ТУ | 1 | Гот. изд. |
| ИП1-ИП3 | Автономный источник тока ФОО.350.136 ТУ | 3 | Гот. изд. |
| ГОА1-ГОА12, ГОА26 | Генератор огнетушащего аэрозоля АГС-2/4 ТУ 4854-015-36536331-97 | 13 | Гот. изд. |
| ГОА13-ГОА25 ГОА27 | Генератор огнетушащего аэрозоля АГС-3 ТУ 4854-013-36556331-97 | 14 | Гот. изд. |
| R1-R2 | Резистор С5-37В-1-2 Ом ±10% ОЖО 467.571 ТУ | 2 | Гот. изд. |
| К1, К3, К8, К9 | Провод из к-та И1, И2 |
|
|
| К2, К4-К7, К10-К15 | Провод ПВ3 S = 0,5 мм2 |
|
|
| ВК1 | Выключатель | 1 | Не входит в комплект |
3.11. УАПВ имеет ручной автономный пуск, осуществляемый с БУ-УАПВ, установленного на каждом вагоне в специальном подвагонном ящике.
3.12. ПЗС и ПЗЭ имеют общее пусковое устройство, но индивидуальные источники энергии.
3.13. Имеющийся переключатель позволяет осуществлять либо пуск только ПЗЭ, либо одновременный пуск ПЗЭ и ПЗС. В случае необходимости после срабатывания ПЗЭ возможен пуск ПЗС. Пуск одной ПЗС невозможен.
3.14. ПЗК головного вагона не связана с ПЗЭ и ПЗС и имеет собственное пусковое устройство и источник энергии.
3.15. ГОА АГС-3 представляет собой цилиндр высотой 66 мм и диаметром 122 мм, в котором размещен заряд АОС массой 0,32 кг и блок охлаждения аэрозоля. По цилиндрической поверхности равномерно расположены отверстия для выхода аэрозоля в защищаемый объем.
3.16. На одной из торцевых поверхностей корпуса расположены узел запуска и клеммная колодка для подключения электрических проводов от БУ-УАПВ. На другой торцевой поверхности находятся лапки для крепления генератора.
3.17. ГОА АГС-2/4 выполнен в виде цилиндра высотой 152 мм и диаметром 168 мм, в котором размещен заряд АОС массой 1,6 кг и блок охлаждения аэрозоля. Один из торцов цилиндра глухой, а второй закрыт крышкой, имеющей отверстия для выхода аэрозоля.
3.18. ГОА АГС-2/4 имеет две модификации, отличающиеся расположением и направлением осей сопловых отверстий.
3.18.1. Модификация АГС-2/4-1 имеет отверстия на плоской торцевой части крышки, направляющие поток аэрозоля вдоль оси генератора.
3.18.2. Модификация АГС-2/4-2 имеет отверстия на цилиндрической части крышки, направляющие поток аэрозоля в радиальном направлении под углом 90о к оси генератора.
3.19. В ГОА АГС-2/4 узлы запуска расположены внутри корпуса.
3.20. На цилиндрической поверхности корпуса размещена клеммная колодка для подключения проводов к электрической системе пуска УАПВ.
3.21. ГОА АГС-2/4 поставляются с крепежными узлами различной комплектации.
3.22. Крепление генератора АГС-2/4-1-1 и АГС-2/4-2-1 к конструктивным элементам вагона осуществляется с помощью специальных хомутов и фланцев - расположенных в сопловом торце корпуса. АГС-2/4-1-2 и АГС-2/4-2 крепятся с помощью кожуха, в котором закреплен генератор. На кожухе имеется окно для подключения электрических проводов.
3.23. Блоки управления выполняются в двух модификациях:
БУ-УАПВ-ПМ - для моторных и прицепных вагонов;
БУ-УАПВ-Г - для головных вагонов.
3.24. Элементы БУ-УАПВ смонтированы на вертикальной панели.
3.24.1. С лицевой стороны панели находятся пусковые кнопки импульсных генераторов МИГ-100 (по одной в БУ-УАПВ-ПМ, по две в БУ-УАПВ-Г), рукоятки переключателей (по одному в БУ-УАПВ-ПМ, по две в БУ-УАПВ-Г), клеммные колодки, пояснительные надписи.
3.24.2. С задней стороны панели размещены импульсные генераторы МИГ-10 (по одному в БУ-УАПВ-ПМ, по два в БУ-УАПВ-Г), переключатели, автономные источники тока Т-170М-А или их аналоги (по два в БУ-УАПВПМ, по три в БУ-УАПВ-Г), нагрузочные резисторы, коммутационные провода.
4. Действия в экстремальных условиях
4.1. На блоке БУ-УАП, перевести тумблер из нейтрального положения в положение "пожар в шкафах" или в положение "пожар в салоне" (если не удается установить точно место очага пожара, тумблер следует установить в положение "пожар в салоне") и произвести нажатие кнопки "пуск вагона" до щелчка.
4.2. При необходимости, после пуска ПЗЭ, возможно, переключив тумблер в положение "пожар в салоне", повторным нажатием кнопки запустить ПЗС. Обратный порядок действий невозможен, так как при положении тумблера "пожар в салоне" сразу срабатывают обе подсистемы.
4.3. В случае пожара в кабине головного вагона соответствующий тумблер переводится из положения "выключено" в положение "включено" и нажимается кнопка "пуск кабины".
4.4 Последовательность пуска ПЗК в головном вагоне не регламентируется, т.к. она не связана с двумя другими подсистемами.
4.5. При нажатии кнопки "пуск" до щелчка, следует резкий хлопок срабатывающих источников тока и хлопки срабатывающих узлов запуска генераторов. В процессе работы генераторов происходит интенсивное выделение огнетушащего аэрозоля, заполняющего весь объем защищаемых помещений.
5. Меры безопасности
5.1. При монтаже и эксплуатации установок следует соблюдать меры безопасности, указанные в инструкциях предприятия-изготовителя элементов УАПВ.
Кроме того:
- при подключении проводов управления к ГОА концы проводов, подключаемые к БУ, должны быть закорочены;
- при контроле целостности цепей запуска с подключенными ГОА в тамбурах, салоне и кабине вагона не должны находиться люди.
В.3.2. Установка аэрозольного пожаротушения вагонов электропоездов пригородного сообщения постоянного и переменного тока УАПВ "Экспресс" (ТУ 4254-302-54876390-2004)
1. Установка аэрозольного пожаротушения вагонов электропоездов пригородного сообщения постоянного и переменного тока УАПВ "Экспресс" является модернизированной установкой СОТ-УАПВ.
2. УАПВ "Экспресс" оборудованы электропоезда серий: ЭР2, ЭР2Р, ЭР2Т, ЭР9, ЭР9П, ЭР9М, ЭД2, ЭТ2Т.
3. Принцип действия УАПВ "Экспресс" аналогичен СОТ-УАПВ.
Более подробное описание УАПВ "Экспресс" приведено в руководстве по эксплуатации установки.
В4. Системы и установки порошкового пожаротушения
В связи с тем, что существующие установки порошкового пожаротушения на МВПС, согласно статистики, малоэффективны и морально устарели, они заменяются на современные системы и установки порошкового пожаротушения.
В.4.1. Установка модульного порошкового пожаротушения "УСП-Буран"
1. Назначение установки
1.1. Установка модульного порошкового пожаротушения "УСП-Буран" (далее установка) устанавливается на вновь строящихся электропоездах ЭР9.
1.2. Установка является автономной и предназначена для автоматического обнаружения, локализации и тушения пожаров твердых горючих материалов, горючих жидкостей и электрооборудования до 5000 В.
1.3. Установкой оборудуются чердачные помещения и электрошкафы вагонов.
1.4. Состав
Модули порошкового пожаротушения:
- МПП(р)-0,5 "Буран-0,5";
- МПП(р)-2,5 "Буран-2,5";
Устройство сигнально-пусковое УПС-101;
Кабельная сеть.
1.5. Описание и работа составных частей установки
1.5.1. Модуль МПП(р)-0,5 (рис. В.4.1) состоит из корпуса, внутри которого находится огнетушащий порошок, газогенерирующий элемент и электроактиватор.

Рис. В.4.1. Внешний вид модуля МПП(р)-0,5
Корпус модуля с одной стороны плотно закрыт разрывной мембраной с нанесенными определенным образом насечками, по которым мембрана разрывается. Для формирования облака огнетушащего порошка к модулю крепится специальный рассекатель.
При пожаре под действием электрического импульса УСП, в МПП срабатывает электрический активатор, внутри корпуса происходит интенсивное газовыделение, что приводит к нарастанию давления, разрушению мембраны и выбросу порошка в зону горения.
1.5.2. Модуль МПП(р)-2,5 состоит из корпуса, выполненного из двух сферообразных металлических частей, плотно соединенных между собой, и предназначенных для хранения огнетушащего порошка, газообразователя и электрического активатора. Внешний вид и схема крепления модуля приведена на рис. В.4.2.
|
|
|
Рис. В.4.2. Внешний вид и схема крепления модуля МПП(р)-2,5
При пожаре под действием электрического импульса УСП, В МПП срабатывает электрический активатор, внутри корпуса происходит интенсивное газовыделение, что приводит к нарастанию давления, разрушению нижней части корпуса без образования осколков и выбросу порошка в зону горения.
1.5.3 Технические характеристики модулей
| Технические характеристики | МПП(р)-0,5 | МПП(р)-2,5 |
| Масса заряда огнетушащего порошка, кг | 0,5 | 2,0 |
| Полная масса заряженного модуля, кг | 1,6 | 2,9 |
| Габаритные размеры, мм | 100´210 | 250´170 |
| Огнетушащая способность модуля: |
|
|
| защищаемая площадь (очагов класса А и В), м2, до | 2,0 | 7,0 |
| защищаемый объем (очагов класса А и В), м3, до | 2,0 | 16,0-18,0 |
| Пусковой ток, мА, не менее | 100 | |
| Безопасный ток проверки цепи электропуска, мА, не более | 20 | |
| Время быстродействия (в режиме электропуска), с | 2,0 | |
| Время действия, с | 0,5 | |
| Температурные условия эксплуатации | от -50 °C до +50 °C | |
| Коэффициент, характеризующий особенности распыления порошка К5 (НПБ 56-96) | 1,5 | |
| Срок службы, лет | 5 | |
2. Устройство сигнально-пусковое УСП-101
2.1. УСП-101 предназначено для непрерывного контроля пожароопасного состояния окружающей среды и приведения в действие активатора запуска модуля МПП в случае превышения температуры окружающей среды в зоне защищаемого объекта. Устройство УСП-101 приведено на рис.В.4.3.

1 -тепловой замок; 2 - пружина; 3 - шток; 4 - постоянный магнит; 5 - индукционная катушка
Рис. В.4.3. Устройство УСП-101
При повышении температуры окружающей среды происходит срабатывание теплового замка (1). Под воздействием усилия пружины (2) шток (3) на котором закреплен постоянный магнит (4) проходит через индукционную катушку (5) и вырабатывает в ней импульс электрического напряжения, поступающий по соединительным проводам к активатору запуска модуля.
2.2 Технические характеристики УСП-101.
| Технические характеристики | УСП-101-72-Э | УСП-101-93-Э |
| Номинальная температура срабатывания, °C. | +72 (±5) | + 93 (±5) |
| Работоспособность в диапазоне температур, °C | от -60 до +55 | от -60 до +70 |
| Принудительная система | электрического типа | |
| Электрическое сопротивление соединительных проводников, Ом | не более 4 | |
| Время срабатывания, с | 50 | |
| Устойчивость к воздействию одиночных ударов длительностью от 2 до 50 мс с пиковым ускорением, g | до 5 | |
| Устойчивость к воздействию вибрации частотой от 5 до 200 Гц с ускорением, g | до 4 | |
| Число срабатываний | не менее 100 | |
| Средняя наработка на отказ, ч | 50000 | |
| Средний срок службы, лет | 10 | |
2.3. Устройство ручного пуска УСП-101Р предназначено для ручного пуска модуля МПП(р). По своему устройству оно аналогично УСП-101, только вместо теплового замка устанавливается предохранительное кольцо, за которое необходимо дернуть для приведения его в действие.
2.4 Указания мер безопасности
2.4.1. УСП-101 является пожаробезопасным в соответствии с требованиями ГОСТ 1220070 при условии правильности его монтажа и эксплуатации.
2.4.2. При монтаже УСП-101 необходимо вначале убедиться в том, что тепловой замок надежно закреплен, присоединить соединительные провода к винтовым зажимам, закрепить устройства в местах их установок, а затем провода присоединить к побудительной системе.
2.4.3. При эксплуатации УСП-101 необходимо исключать возможность повреждения теплового замка. Запрещается использовать в схемах не аттестованные УСП-101.
3 Кабельная сеть
3.1 Кабельная сеть предназначена для электрической связи МПП и УСП между собой.
3.2 Провода в цепи запуска модулей должны быть экранированные, сечением 0,5 мм2. Монтаж производится согласно схеме электрической принципиальной.
4. Эксплуатационные ограничения
4.1. Модули МПП устанавливаться согласно Инструкции на них.
4.2. На модуль МПП не допускается воздействие внешних источников тепла.
В.4.2. Автоматическая система обнаружения и тушения пожаров для тягового подвижного состава "ИГЛА-ТПС" (ТУ 4371-032-80700772-2007)
1. Автоматическая система обнаружения и тушения пожаров АСОТП "Игла-ТПС" предназначена для автоматического обнаружения и тушения пожара на рельсовом автобусе РА-2.
2. Назначение АСОТП "Игла-ТПС" (РА-2)
2.1. Система предназначена для:
- автоматического обнаружения и тушения пожара в отсеках защищаемых объемов;
- оповещения о месте пожара;
- выдачи сигналов светового и звукового оповещения о пожароопасной ситуации в отсеках защищаемых объемов;
- тушения пожара в автоматическом и ручном режимах;
- контроля процесса тушения;
- контроля состояния компонентов Системы.
2.2. Поблочный принцип комплекта оборудования и построения программного обеспечения АСОТП "Иглаâ-ТПС" позволяет реализовать расширение функций контроля температурного режима работы в узлах и агрегатах РА-2.
3. Принцип действия
3.1. В пожароопасных местах, отсеков защищаемых объемов с оборудованием РА-2 и пассажирском салоне устанавливаются ПИ (пожарные извещатели):
- ДТЦ (датчик температурный цифровой) для контроля и измерения температуры;
- ДК (датчик комбинированный дым/тепло) для определения концентрации дыма и контроля температуры и выдачи сигнала о превышении температуры выше порогового, установленного конструктивно;
- ДД (датчик дымовой) для определения концентрации дыма.
3.2. Сигнал от извещателей по кабелям линий связи поступает на ЛБК (локальный блок контроля), отвечающий за данный отсек, для предварительного анализа тревожной ситуации и дальнейшей его передачи.
3.3. От ЛБК, предварительно обработанный, сигнал поступает на БКУ (блок контроля и управления) для анализа полученной информации с последующим распределением команд управления на:
- БУИ (блок управления и индикации) для отображения информации;
- ИСТ (исполнительные средства тушения) по кабелям линий связи, через ЛБК.
3.4. Анализ результата АСОТП "Иглаâ-ТПС"* после выхода из нештатной ситуации на РА2 применения ИСТ и информация о состоянии компонентов отображается на БУИ.
____________________
* - Здесь и далее â - обозначение зарегистрированного товарного знака
4. Назначение компонентов системы
4.1. БУИ предназначен для отображения информации о:
- текущем, пожароопасном состоянии объекта оборудованного АСОТП "Игла-ТПС";
- текущем состоянии Системы в целом и отдельных ее компонентов;
- событиях, происходящих в Системе в процессе эксплуатации.
4.2. При включении системы на БУИ отображается следующая информация:
- номер вагона серийный (до 6 знаков);
- состояние "норма" или "неисправность".
4.3. Проектное расположение БУИ - в кабине машиниста РА2.
4.4. БУИ оснащен энергонезависимой памятью (журнал событий) емкостью не менее 1000 сообщений. Каждое сообщение содержит информацию о типе события, номере вагона, зоне контроля, наименование элемента контроля.
4.5. Блок имеет встроенные часы. При выполнении в ручном режиме коррекции времени на БУИ одного головного вагона происходит автоматическая синхронизация часов всех, входящий в Систему БУИ, оборудованного АСОТП.
4.6. В БУИ предусмотрена встроенная звуковая сигнализация.
4.7. На лицевой панели БУИ, (см. рис. В.4.4), установлены кнопки управления:

1 - кнопка пуска ИСТ резерва; 2 - кнопка пуска ИСТ основной очереди; 3 - кнопка отключения звуковой сигнализации; 4 - кнопка переключения режима работы Системы «РУЧН./АВТ.»;
5 - кнопки просмотра архива событий
Рис. В.4.4. Лицевая панель Блока БУИ
- пуск ИСТ резервной очереди тушения "РЕЗ." (1) (не используется);
- пуск ИСТ основной очереди тушения "ОСН." (2);
- звуковой сигнализацией "ЗВУК", для отключения внутренней и внешней сирены (3);
- переключения режимов работы Системы "РУЧН."/"АВТ.", ручной или автоматический (4);
- просмотра содержимого архива событий - энергонезависимой памяти (5).
4.8. На нижней торцевой панели БУИ, (см. рис. В.4.5) установлен сигнализатор звукового оповещения (1) и смонтированы разъемы для подключения:

1 - встроенный звуковой оповещатель; 2 - разъем для подключения ПЭВМ;
3 - разъем для подключения питания блока и связи основной межсекционной двухпроводной магистрали передачи данных; 4 - разъем для подключения резервной межсекционной двухпроводной магистрали передачи данных
Рис. В.4.5. Нижняя торцевая панель Блока БУИ
- ПЭВМ, СОМ-порт RS-232 на 2 порта (2);
- питания блока и связи с основной межсекционной двухпроводной магистралью передачи данных (3);
- блока к резервной и дублирующей межсекционной двухпроводной магистрали передачи данных (4).
4.9. БКУ, предназначен для:
- контроля за текущим, пожароопасным состоянием объекта оборудованного АСОТП "Иглаâ-ТПС";
- контроля состояния Системы в целом и отдельных ее компонентов;
- контроля событий, происходящих в Системе в процессе эксплуатации;
- сбора и анализа информации от блоков ЛБК;
- приема/передачи информационных и управляющих сигналов на БУИ;
- приема/передачи информационных и управляющих сигналов на ЛБК в секции;
- формирования команды на адресный (по зонам тушения) пуск ИСТ;
- включения/выключения функции автономного пуска ИСТ основной очереди.
4.10. БКУ устанавливается в кабине машиниста рельсового автобуса, согласно проекту монтажа АСОТП "Иглаâ- ТПС" (РА-2).
4.11. На лицевой панели блока БКУ установлены следующие индикаторы:
- зеленый светоизлучающий диод автоматического режима работы Системы;
- желтый светоизлучающий диод наличия неисправностей в Системе;
- красный светоизлучающий диод "ВНИМАНИЕ";
- красный светоизлучающий диод "НАПРЯЖЕНИЕ СНЯТО" (не используется).
4.12. ЛБК предназначен для: - сбора и анализа текущей информации от датчиков в зоне контроля за пожароопасным состоянием объекта оборудованного АСОТП "Игла-ТПС";
- контроля за состоянием компонентов Системы в (датчиков, ИСТ и кабелей их подключения) в зоне контроля;
- передачи информации о пожароопасной ситуации в зоне контроля от датчиков по линиям связи на БКУ;
- приема по линиям связи управляющих сигналов от БКУ;
- коммутации импульса на адресный, по зонам тушения, пуск ИСТ.
4.13. Блоки ЛБК устанавливаются согласно проекту монтажа АСОТП "Иглаâ-ТПС" (РА-2).
4.14. Все блоки ЛБК подключаются к БКУ посредством дублированных линий связи.
4.15. К каждому блоку ЛБК подключаются датчики (ДД, ДТЦ, ДК), ответственные за пожароопасное состояние определенной зоной контроля и ИСТ в ней.
4.16. На лицевой панели ЛБК установлен зеленый светоизлучающий диод индикации режимов функционирования блока:
- постоянное свечение зеленого светоизлучающего диода соответствует штатному режиму работы;
- мигающее свечение зеленого светоизлучающего диода соответствует режиму "НЕИСПРАВНОСТЬ".
4.17. На торцевых панелях ЛБК расположены разъемы обеспечения подключения для контроля и управления блока:
- к основной вагонной линии связи с БКУ (1);
- к дублирующей вагонной линии связи с БКУ (2);
- к датчикам ДД, ДТЦ, ДК Датчики разных типов могут быть подключены к каждому из трех разъемов. Тип датчика определяет электромонтажную схему распайки разъема;
- к ИСТ основной очереди тушения. Тип ИСТ определяет электромонтажную схему распайки разъема.
4.18. Пульт Ручного Пуска (ПРП), предназначен для подачи Импульса запуска в цепи ИСТ основной очередей.
4.19. ПРП установлены согласно проекту монтажа АСОТП "Игла - ТПС" (РА-2) на данный тип рельсового автобуса.
4.20. ПРП имеет следующие индикаторы с надписями рядом с ними:
- индикатор наличия напряжения на блоке ПРП (основная линия) (зеленый светоизлучающий диод, зеленый - напряжение на входе есть).
- индикатор наличия напряжения на блоке ПРП (резервная линия) (зеленый светоизлучающий диод, зеленый - напряжение на входе есть).
- индикатор подтверждения подачи напряжения в основную линию запуска ИСТ (синий светоизлучающий диод);
- индикатор подтверждения подачи напряжения в резервную линию запуска ИСТ (синий светоизлучающий диод);
4.21. ПРП имеет для управления два тумблера пуска основной очереди ИСТ.
4.22. ДД предназначен для определения концентрации дыма в защищаемом отсеке.
Устанавливается:
Головной вагон
- в пульте машиниста (2 шт.);
- в шкафу КМ (2 шт.) за спиной машиниста;
- в шкафу ЭРО (2 шт.);
- в блоке распределительном (2 шт.).
Прицепной вагон
- в шкафу ЭРО (2 шт.);
- в блоке распределительном (2 шт.).
4.23. ДТЦ предназначен для контроля и измерения температуры в защищаемом отсеке.
Устанавливается:
Головной вагон
- в зоне топливного бака № 1 (3 шт.);
- в зоне топливного бака № 2 (3 шт.);
- в ящике АКБ24 (3 шт.);
- в ящике АКБ110 (3 шт.);
- в контейнере подогревателя (2 шт.);
- в зоне двигателя (9 шт.);
Прицепной вагон
- в зоне топливного бака № 1 (3 шт.);
- в зоне топливного бака № 2 (3 шт.);
- в ящике АКБ24 (3 шт.);
- в контейнере подогревателя (2 шт.).
4.24. ДК предназначен для контроля температуры и выдачи сигнала о превышении температуры выше порогового (установленного) значения и для определения концентрации дыма в защищаемом отсеке.
ДК устанавливается на потолке пассажирского салона (5 шт. на каждый вагон).
4.25. ИСТ предназначены непосредственно для тушения очага пожара. В качестве ИСТ применяются модули порошкового пожаротушения "Буран2,0", которые устанавливаются:
Головной вагон
- в контейнере подогревателя (2 шт.);
- в зоне двигателя (7 шт.).
Прицепной вагон - в контейнере подогревателя (2 шт.).
4.26. Стабилизатор питания предназначен для предварительной стабилизации напряжения подающегося от аккумуляторной батареи рельсового автобуса и сглаживания импульсных помех в цепи питания Системы.
5. Основные значения индикации. Алгоритм работы Системы.
В соответствии с блок-схемой АСОТП "Иглаâ-ТПС" (РА-2) предлагается следующий алгоритм работы: В каждой кабине РА-2 установлен БУИ (Блок Управления и Индикации). Состояние системы на текущий момент времени отображается на всех БУИ Системы.
Включение Системы происходит при подключении ее к аккумуляторной батарее РА-2 (24 В) в каждом вагоне. Далее, установка пожаротушения переводится машинистом из автоматического в ручной режим управления нажатием на кнопку "Автомат/Ручной" на БУИ. При этом включается индикация режима "Ручной" на всех БУИ, подключенных к Системе. При этом Система производит контроль состояния блоков, шлейфов, извещателей, исполнительных устройств (МПП) и других узлов.
Если тестирование прошло успешно, то Система переходит в дежурный режим с постоянным контролем состояния составляющих ее компонентов. На БУИ отразится следующая информация о состоянии системы (см. фиг. 1).

Фиг. 1
После этого Система переходит в дежурный режим с постоянным контролем состояния составляющих ее компонентов.
Если в процессе тестирования в системе обнаружится неисправность, то на БУИ отразится следующая информация о состоянии системы (см. фиг. 2).

Фиг. 2
5.1. Работа системы в режиме ручного управления.
5.1.1. При обнаружении в защищаемых зонах повышенной задымленности одним из ДД, ДК, определении одним из ДТЦ превышения температуры воздуха выше порогового значения на БКУ формируется сигнал - "Внимание".
На всех БУИ Системы отображается сообщение "Внимание" содержащее информацию о номере защищаемого вагона, наименовании защищаемой зоны, тип события, время и дата события. Кнопка "ОСН" - мигает (см. фиг. 3).

Фиг. 3
5.1.2. При обнаружении двумя и более датчиками ДТЦ в одной защищаемой зоне превышения температуры воздуха выше порогового значения на БКУ формируется сигнал - "Пожар". На всех БУИ Системы отображается сообщение "Пожар", содержащее информацию о номере защищаемого вагона, наименовании защищаемой зоны, тип события, время и дата события.
Если происходит одновременно несколько событий в разных защищаемых зонах, то на БУИ каждые 5 секунд происходит смена текущих событий. Кнопка "ОСН" - мигает (см. фиг. 4).

Фиг. 4
5.1.3. При приходе на БУИ любого из сигналов "Внимание" или "Пожар", машинист или его помощник, убедившись в наличии факта возгорания или пожароопасной ситуации, могут приступить к тушению очага пожара. Если в защищаемых зонах отсутствуют ИСТ, то тушение производится штатными средствами тушения расположенными в вагоне. Тушение очага пожара в зоне двигателя и подогревателя производится с БУИ расположенного в головной кабине машиниста по ходу движения.
5.1.4. Нажатием на кнопку "ОСН" дать команду на запуск ИСТ в вагоне, номер которого отображается на БУИ. По этой команде БКУ данного вагона производит запуск ИСТ в защищаемой зоне. После проведения запуска производится контроль ИСТ. При положительном тесте на запуск ИСТ формируется сигнал "Подтверждение пуска ИСТ", который отображается на всех БУИ Системы (см. фиг. 5).

Фиг. 5
5.1.5. Если температура воздуха в защищаемой зоне после запуска ИСТ или применения штатных средств тушения понизится ниже порогового значения, то система сформирует сигнал "Пожар потушен" с указанием номера вагона. Если происходит одновременно несколько событий в разных защищаемых зонах, то на БУИ каждые 5 секунд происходит смена текущих событий (см.фиг.6).

Фиг. 6
5.1.6. Если температура воздуха в защищаемом зоне после запуска ИСТ или применения штатных средств тушения не понизится ниже порогового значения, то на БУИ Системы отразится следующая информация: - если происходит одновременно несколько событий в разных защищаемых зонах, то на БУИ каждые 5 секунд происходит смена текущих событий (см. фиг. 7).

Фиг. 7
5.2. Запуск ИСТ с пульта ручного пуска (ПРП).
5.2.1. Для адресного запуска ИСТ (зона двигателя и подогревателя) необходимо:
- открыть защитную крышку;
- перевести тумблер вверх;
- после загорания светодиода нажать кнопку.
При отключении от аккумуляторной батареи рельсового автобуса АСОТП сохраняет способность обеспечивать функции тушения пожара в режиме работы от пульта ручного пуска.
6. Меры безопасности
6.1. Запрещается монтаж и эксплуатация установки при повреждении корпусов МПП и УСП (трещины, сквозные отверстия, вмятины на мембране МПП более 15 мм).
6.2. К работе с установкой пожаротушения допускаются лица ознакомленные с настоящей инструкцией и с эксплутационной документацией на модули МПП устройства УСП-101.
6.3. После проведения технического обслуживания и текущего ремонта подключение разъемов в цепях пуска модулей производится в соответствии со схемой электрической принципиальной.
7. Подготовка к использованию
7.1. Произвести внешний визуальный осмотр установки пожаротушения, его узлов и элементов на предмет:
- их целостности;
- отсутствия повреждений, загрязнения и пыли;
- надежность крепления всех составных частей.
7.2. Проверить правильность подсоединения разъемов узлов пуска модулей на соответствие схемы электрической принципиальной.
7.3. Установка пожаротушения находится в рабочем дежурном режиме с момента подключения всех ее составных частей.
8. Устранение последствий срабатывания средств пожаротушения
8.1. После срабатывания модулей порошкового пожаротушения (МПП) необходимо провести работы по удалению огнетушащего порошка (продувка или уборка пылесосом) из мест распространения.
8.2. При проведении работ с Системой необходимо выполнить требования правил техники безопасности
ВНИМАНИЕ! Работы по устранению последствий срабатывания средств пожаротушения провести не позднее 3-х часов с момента срабатывания.
9. Возможные неисправности и способы их устранения
9.1. Если в процессе самотестирования Система обнаружила неисправность, машинист обязан отключить Систему от аккумуляторной батареи рельсового автобуса и доложить об этом дежурному по депо. Дежурный по депо непосредственно вызывает представителя предприятия-изготовителя для устранения неисправности в Системе.
В.5. Системы пожарной сигнализации
Системы комплексной безопасности модельного ряда "ПРИЗ-И" (далее СКБ) предназначены для оборудования моторвагонного подвижного состава и тягового подвижного состава.
В зависимости от комплектации и назначения СКБ устанавливаются на МВПС в составе, определяемом из таблицы В.5.1:
- система пожарной сигнализации;
- система пожарно-охранной сигнализации;
- система информационного обеспечения;
- подсистема видеонаблюдения.
Комплексные системы транспортной безопасности модельного ряда "ПРИЗ-И" соответствуют комплектам конструкторской документации согласно таблице В.5.1:
Таблица В.5.1
| Наименование и исполнение | Децимальный номер |
| Система пожарно-охранной сигнализации: |
|
| "ПРИЗ-О" | ДАЛР 27.00.00 |
| "ССЗН-И" | ИС2.00.01 |
| Система пожарно-охранной сигнализации и пожаротушения: |
|
| "ПРИЗ-О-Л" | ДАЛР 58.00.00 |
| Система пожарной сигнализации: |
|
| "ПРИЗ" | ИС1.00.00 |
| Система информационного обеспечения: |
|
| Аппаратура связи и оповещения "АСО УПКУ" | ДАЛР 66.00.00 |
| Система индикации маршрута "СИМ" | ИС 19.00.00 |
| Бегущая информационная строка "БИС" | ДАЛР 30.00.00 |
| Подсистема видеонаблюдения "ПСВН" | ИС50.00.00 |
| Блок резервного питания "БРП" | ДАЛР 64.00.00 |
При комплектовании систем пожарно-охранной сигнализации "ПРИЗ-О", "ССЗН-И", "ПРИЗ-О-Л" подсистемой видеонаблюдения "ПСВН" названия систем приобретают вид "ПРИЗ-О-В", "ССЗН-И-В", "ПРИЗ-О-ЛВ".
При комплектовании системы пожарно-охранной сигнализации "ПРИЗ-О" системой индикации маршрута "СИМ" и бегущей информационной строкой "БИС" название системы приобретает вид "ПРИЗ-О-ИМ-БИС".
Системы пожарно-охранной сигнализации "ПРИЗ-О", "ССЗН-И", "ПРИЗ-О-Л" обеспечивают совместную работу:
- с комплексным локомотивным устройством безопасности "КЛУБУ". В "Шлюз CAN" передается информация о состоянии системы и состоянии тревоги для записи в путевой накопитель и последующей расшифровки;
- с локомотивными радиостанциями "РВ-1М", "РВ-1.1М", "РВС-1". Подключение системы к радиостанции производится в соответствии с проектом Л207.00.00;
- с подсистемами мониторинга. Подсистема мониторинга состояния подвижного объекта для определения собственных координат использует системы спутниковой навигации GPS, ГЛОНАСС. Подсистема позволяет отслеживать состояние подвижного объекта в диспетчерском (ситуационном) центре путем передачи координат подвижного объекта, текущего времени, кодов состояния охранных, противопожарных, диагностических и других систем. Передача обеспечивается посредством цифровых сетей связи общего пользования GSM, GlobalStar.
Аппаратура связи и оповещения "АСО УПКУ" обеспечивает совместную работу с "УСАВП". "АСО УПКУ" устанавливается на МВПС взамен морально устаревшего "У-100".
Условия эксплуатации
Аппаратура СКБ предназначена для использования в условиях умеренного климата (исполнение У, категория размещения 2 по ГОСТ 15150-69, класс размещения К5 по ОСТ 32.146-2000) для работы при:
- температуре окружающей среды от минус 40 °C до 55 °C;
- относительной влажности воздуха до 98 % при температуре 25 °C;
- атмосферном давлении 84-107 кПа (630-800 мм рт. ст.).
Система рассчитана для работы при вибрационных и ударных нагрузках по группе М25 ГОСТ 17516.1-90, класс ММ 1 по ОСТ 32.146-2000.
Режим работы - продолжительный.
Электропитание аппаратуры СКБ осуществляется напряжением от 35 до 170 В выпрямленного пульсирующего тока с возможным снижением напряжения до нуля на время не более 0,15 с, повышением напряжения до 600 В на время не более 0,15 с или выбросом напряжения до 1000 В на время не более 5 мкс.
1 Система пожарно-охранной сигнализации "ПРИЗ-О"
1.1 Назначение и основные функции системы
1.1.1 Система предназначена для автоматического обнаружения пожара по срабатыванию извещателей пожарных дыма и пламени и своевременной доставки информации, в виде речевых и визуальных сообщений, об обнаруженном событии с указанием места его возникновения.
1.1.2 Система осуществляет самодиагностику с предоставлением информации в виде речевых и визуальных сообщений об обнаруженных неисправностях.
1.1.3 Система осуществляет охрану пассажирских дверей, дверей кабины машиниста и крышек ящиков устройства автоматического пожаротушения в вагонах электропоезда.
1.1.4 Система осуществляет запись и хранение в энергонезависимом запоминающем устройстве произошедших событий с указанием года, месяца, числа, времени с возможностью последующего считывания и расшифровки.
1.1.5 Система, в модификации "ПРИЗ-О-В", осуществляет управление подсистемой видеонаблюдения "ПСВН" при обнаружении тревожного события (пожар, вскрытие вагона, вскрытие кабины машиниста).
1.1.6 Система работает в следующих режимах:
- "Маршрут" - речевое сообщение воспроизводится в кабину машиниста для оповещения поездной бригады о возникновении тревожного события (пожар, неисправности шлейфов пожарной сигнализации, неисправности контроллеров вагонных, вскрытие ящиков устройства автоматического пожаротушения) во время следования электропоезда на маршруте;
- "Отстой внутренний" - речевое сообщение воспроизводится в кабину машиниста и в салоны электропоезда аппаратурой связи и оповещения "АСО УПКУ" (системами оповещения "ТОН", "СОНАТА-М" и т.п.) для оповещения поездной бригады, обслуживающего персонала при возникновении тревожного события во время осмотра в депо, во время уборки и осмотра в пунктах оборота;
- "Отстой внешний" - речевое сообщение о тревожном событии (пожар, разряд аккумуляторной батареи) доставляется через локомотивную радиостанцию электропоезда дежурному по депо в "УКВ-диапазоне" на установленной частоте;
- "Охрана в отстое" - речевое сообщение о тревожном событии (пожар, несанкционированный доступ в дизель- и электропоезд, разряд аккумуляторной батареи) доставляется через локомотивную радиостанцию дизель- и электропоезда дежурному по депо в "УКВ-диапазоне" на установленной частоте;
- "Хвостовой" - неактивный режим работы контроллера головного вагона в хвостовом вагоне;
- "Технологический" - режим предназначен для задания и корректировки: даты, времени, номера поезда и для считывания информации, хранящейся в энергонезависимой памяти контроллера головного вагона.
Время в системе - "Московское".
Система выпускается в двух модификациях, различающихся конструктивным исполнением контроллеров головного вагона в соответствии с требованиями заказчика. Лицевые панели контроллеров приведены на рис. В.5.1 и В.5.2.

Рис. В.5.1

Рис. В.5.2
1.2 Состав системы
1.2.1 Контроллер головного вагона (далее КГВ) устанавливается в каждом головном вагоне и предназначен для управления системой и внешними устройствами (аппаратурой связи и оповещения, локомотивной радиостанцией).
1.2.2 Контроллер вагона (далее КВ) устанавливается в каждом вагоне и предназначен для контроля состояния шлейфа пожарной сигнализации (далее ШПС), шлейфа охранной сигнализации (далее ШОС), шлейфа ящика устройства автоматического пожаротушения (далее ШУАП).
1.2.2.1 ШПС прокладывается в каждом вагоне. Выполнен по двухпроводной схеме с подключением извещателей пожарных (далее ИП) дыма и пламени. Количество ИП и места их установки определяются проектной документацией на конкретный тип поезда. На розетке последнего ИП установлен резистор для контроля целостности шлейфа.
1.2.2.2 ШОС прокладывается в каждом вагоне с использованием свободной контактной пары концевых выключателей блокировок пассажирских дверей. Отдельно прокладывается ШОС для дверей кабины машиниста с установкой дополнительных концевых выключателей.
1.2.2.3 ШУАП прокладывается в каждом вагоне и предназначен для подключения концевого выключателя под крышкой ящика УАП к КВ.
1.2.3 Согласующее устройство (далее СУ) включается между КГВ и локомотивной радиостанцией, обеспечивает гальваническую развязку по цепям управления и модуляции между выходом КГВ и разъемом "ТУ-ТС" радиостанции.
1.2.4 Кнопка "Сброс-Повтор" устанавливается в кабине машиниста и предназначена для проверки сообщения о состоянии ШПС, ШОС и ШУАП.
1.2.5 Автоматические выключатели напряжения питания КГВ и КВ устанавливаются для каждого КГВ и КВ.
1.2.6 Комплект кабелей предназначен для подключения КГВ и КВ к поездным электроцепям.
1.3 Работа системы
1.3.1 Система работает непосредственно от аккумуляторных батарей электропоезда через собственные автоматические выключатели. На электропоездах выполнена посекционная схема организации питания: на моторные вагоны питание передается по межвагонному соединению с головных и прицепных вагонов. На дизельпоездах схема организации электропитания зависит от типа поезда и указывается в соответствующей проектной документации.
1.3.2 Система представляет собой локальную сеть на основе выделенной линии связи (экранированная "витая пара"), по которой происходит обмен информацией между КГВ и КВ. Управление системой осуществляется посредством КГВ в головном вагоне, включенном в один из активных режимов: "Маршрут", "Отстой внутренний", "Отстой внешний", "Охрана в отстое". КГВ в хвостовом вагоне должен быть установлен в режим работы "Хвостовой".
1.3.2.1 После включения питания КГВ автоматически устанавливается в режим "Хвостовой". Выбор режима работы осуществляется нажатием соответствующей кнопки на лицевой панели КГВ. При этом на лицевой панели КГВ включается индикация с отображением выбранного режима и звучит речевое сообщение в кабине машиниста, например: "Система готова к работе в режиме Маршрут".
1.3.2.2 После включения активного режима работы КГВ производит адресный опрос подключенных КВ. Результат опроса (последовательное отображение номеров ответивших КВ, соответствующих номерам вагонов в поезде, и затем их итоговое количество) высвечивается на индикаторной панели КГВ и запоминается в его памяти. В дальнейшем КГВ производит периодический опрос КВ о состоянии контролируемых цепей (ШПС, ШОС, ШУАП). При определении тревожного события ("пожар", "обрыв", "короткое замыкание", "вскрытие вагона", "вскрытие кабины машиниста", "вскрытие ящика УАП", "разряд АБ") КВ формирует соответствующую ответную посылку.
1.3.2.3 В режиме "Маршрут" при получении ответной посылки, содержащей информацию о тревожном событии ("пожар", "обрыв", "короткое замыкание", "вскрытие ящика УАП) КГВ формирует речевое сообщение для воспроизведения в кабине машиниста с отображением события световой индикацией на лицевой панели.
1.3.2.4 В режиме "Отстой внутренний" при получении ответной посылки, содержащей информацию о тревожном событии ("пожар", "обрыв", "короткое замыкание", "вскрытие ящика УАП"), КГВ формирует речевое сообщение и управляющий сигнал для включения аппаратуры связи и оповещения. Сообщение воспроизводится по громкоговорящему оповещению.
1.3.2.5 В режиме "Отстой внешний" при получении ответной посылки, содержащей информацию о тревожном событии ("пожар", "вскрытие вагона", "вскрытие кабины машиниста", "разряд АБ") КГВ формирует речевое сообщение, подает на локомотивную радиостанцию аварийное электропитание и вместе с СУ формирует модуляционный и управляющие сигналы для включения радиостанции.
1.3.3 Условиями обнаружения тревожного сообщения считаются:
- По ШПС (при напряжении питания ШПС (21±3) В ток в шлейфе от 1,2 до 4,0 мА, соответствует дежурному состоянию):
- ток в шлейфе от4 до 100 мА соответствует событию "пожар";
- ток в шлейфе меньше 1,2 мА соответствует событию "обрыв";
- ток в шлейфе больше 100 мА соответствует событию "короткое замыкание".
- По ШОС - размыкание/замыкание нормально замкнутой/разомкнутой пары контактов на время не менее 1 секунды.
- По ШУАП - размыкание/замыкание нормально замкнутой/разомкнутой пары контактов на время не менее 1 секунды.
- По контролю разряда АБ - снижение напряжения батареи до уровня (35,0±2,5) В или (77±3) В в зависимости от величины номинального напряжения бортовой сети МВПС: 50 или 110 В соответственно.
1.3.4 В случае, если КВ не отвечает на запрос КГВ в течение заданного времени, КГВ формирует речевое сообщение об отказе КВ.
1.3.5 На боковой стенке КВ расположены светодиоды, индицирующие состояние контролируемых цепей вагона:
Светодиод "Шлейф" - индицирует состояние ШПС вагона:
- 1 секунду включен, 1 секунду выключен - дежурное состояние ШПС;
- 0,5 секунды включен, 0,5 секунды выключен - событие "пожар";
- 5 секунд включен, 1 секунду выключен - "короткое замыкание" ШПС;
- 1 секунду включен, 5 секунд выключен - событие "обрыв" ШПС.
3- Светодиод "Охрана" - индицирует состояние ШОС вагона:
- включен постоянно - сработала охранная сигнализация;
- выключен - охранная сигнализация в дежурном состоянии.
Светодиод "ОБМЕН" - индицирует обмен информацией между КГВ и КВ:
- включен постоянно - прием - передача информации не производятся;
- мигает - показывает осуществление приема - передачи информации.
- Светодиод "УАП" - индицирует состояние ящика УАП вагона:
- включен постоянно - открыт ящик УАП;
- выключен - закрыт ящик УАП.
2 Система пожарно-охранной сигнализации "ССЗН-И"
2.1 Назначение и основные функции системы
2.1.1 Система предназначена для автоматического обнаружения пожара по срабатыванию извещателей пожарных дыма и пламени и своевременной доставки информации, в виде речевых и визуальных сообщений, об обнаруженном событии с указанием места его возникновения.
2.1.2 Система осуществляет самодиагностику с предоставлением информации в виде речевых и визуальных сообщений об обнаруженных неисправностях.
2.1.3 Система осуществляет охрану пассажирских дверей, дверей кабины машиниста и крышек ящиков устройства автоматического пожаротушения в вагонах электропоезда.
2.1.4 Система обеспечивает запись в энергонезависимое запоминающее устройство и хранение сообщений о зарегистрированных событиях с указанием даты и времени события и возможностью последующего считывания и расшифровки информации.
2.1.5 Система осуществляет контроль электрических цепей поездной диагностики с предоставлением информации, в виде речевых и визуальных сообщений по запросу поездной бригады.
2.1.6 Система, в модификации "ССЗН-И-В", осуществляет управление подсистемой видеонаблюдения "ПСВН" при обнаружении тревожного события (пожар, вскрытие вагона, вскрытие кабины машиниста, нажатие копки вызов переговорного устройства "пассажир-машинист", открывание дверей посадки-высадки).
2.1.7 Система обеспечивает управление системой индикации маршрута "СИМ", автоматизированную или по команде машиниста выдачу на бегущую информационную строку "БИС" текстовой информации и речевой информации через аппаратуру связи и оповещения "АСО УПКУ" (системы оповещения "ТОН", "СОНАТА-М" и т.п.) пассажирам поезда.
2.1.8 Режимы работы система аналогичны системы "ПРИЗ-О" (см. п.1.1.6).
2.2 Состав системы
2.2.1 Блок контроля и управления (далее БКУ) устанавливается в каждом головном вагоне. Предназначен для автоматического управления системой и внешними устройствами (аппаратурой связи и оповещения, локомотивной радиостанцией, системой индикации маршрута, бегущей информационной строкой, подсистемой видеонаблюдения, кондиционером).
2.2.2 Блок управления и индикации (далее БУИ). Устанавливается в каждом головном вагоне вместе с БКУ. Предназначен для отображения информации о состоянии системы и обеспечивает управление системой оператором. Лицевая панель БУИ приведена на рис. В.5.3.

где: «01», «02», «10» - количество ответивших ПКПИ (см. п. 2.2.3);
- «01П» - знак «П» показывает пожар в первом вагоне;
- «04о» - знак «о» показывает обрыв ШПС в четвертом вагоне
Рис. В.5.3
2.2.3 Прибор контроля и передачи информации (далее ПКПИ) устанавливается в каждом вагоне. Предназначен для контроля за состоянием шлейфа пожарной сигнализации (далее ШПС), шлейфа охранной сигнализации (далее ШОС), шлейфа ящика устройства автоматического пожаротушения (далее ШУАП), цепей поездной диагностики.
2.2.3.1 ШПС прокладывается в каждом вагоне и выполняется по двухпроводной схеме с подключением извещателей пожарных (далее ИП) дыма и пламени. Количество ИП и места их установки определяются проектной документацией на конкретный тип поезда. На розетке последнего ИП установлен резистор для контроля целостности шлейфа.
2.2.3.2 ШОС прокладывается в каждом вагоне с использованием свободной контактной пары концевых выключателей блокировок пассажирских дверей. Отдельно прокладывается ШОС для дверей кабины машиниста с установкой дополнительных концевых выключателей.
2.2.3.3 ШУАП прокладывается в каждом вагоне и выполнен с подключением концевого выключателя под крышкой ящика УАП.
2.2.3.4. К цепям поездной диагностики ПКПИ подключается через отсекающие диодные шунты.
2.2.4 Согласующее устройство (далее СУ). Включается между БУИ и локомотивной радиостанцией, обеспечивает гальваническую развязку по цепям управления и модуляции между выходом БУИ и разъемом "ТУ-ТС" радиостанции.
2.2.5 Кнопки "СИО", "Запрос", "Повтор". Устанавливаются в кабине машиниста.
2.2.5.1 Кнопка "СИО" предназначена для запуска информационного сообщения, хранящегося в памяти БКУ, для воспроизведения аппаратурой связи и оповещения и бегущей информационной строкой
2.2.5.2 Кнопка "Запрос" предназначена для вывода на дисплей БУИ визуальных сообщений о состоянии цепей поездной диагностики, сопровождающихся речевыми сообщениями.
2.2.5.3 Кнопка "Повтор" предназначена для проверки сообщения о состоянии ШПС, ШОС, шлейфа ящика УАП.
2.2.6 Автоматические выключатели напряжения питания БКУ и ПКПИ. Устанавливаются для каждого БКУ и ПКПИ.
2.2.7 Комплект кабелей. Предназначен для подключения системы к поездным цепям, радиостанции, аппаратуре связи и оповещения и подключения БУИ к БКУ.
2.3 Работа системы
2.3.1 Система работает непосредственно от аккумуляторных батарей электропоезда через собственные автоматические выключатели. На электропоездах выполнена посекционная схема организации питания: на моторные вагоны питание передается по межвагонному соединению с головных и прицепных вагонов. На дизель-поездах схема организации электропитания зависит от типа поезда и указывается в соответствующей проектной документации.
2.3.2 Система представляет собой локальную сеть на основе выделенной линии связи (экранированная "витая пара"), по которой происходит обмен информацией между БКУ и ПКПИ. Управление системой осуществляется посредством БКУ и БУИ в головном вагоне, включенном в один из активных режимов: "Маршрут", "Отстой внутренний", "Отстой внешний", "Охрана в отстое". БКУ в хвостовом вагоне должен быть установлен в режим работы "Хвостовой".
2.3.2.1 После включения питания и начальной загрузки БКУ на дисплей БУИ выводится меню выбора режима работы. Выбор осуществляется нажатием соответствующей кнопки на клавиатуре БУИ. Дальнейшая работа с системой производится в диалоговом режиме. Оператору следует выполнять команды, отображаемые на дисплее БУИ, и руководствоваться эксплуатационной документацией.
2.3.2.2 После включения активного режима работы БУИ производит адресный опрос подключенных ПКПИ. Результат опроса (отображение номеров ответивших ПКПИ, соответствующих номерам вагонов в поезде) высвечивается на дисплее БУИ и запоминается в памяти БКУ. В дальнейшем БКУ производит периодический опрос ПКПИ о состоянии контролируемых цепей (ШПС, ШОС, шлейф ящика УАП). При определении тревожного события ("пожар", "обрыв", "короткое замыкание", "вскрытие вагона", "вскрытие кабины машиниста", "вскрытие ящика УАП", "разряд АБ") ПКПИ формирует соответствующую ответную посылку.
2.3.2.3 В режиме "Маршрут" при получении ответной посылки, содержащей информацию о тревожном событии ("пожар", "обрыв", "короткое замыкание", "вскрытие ящика УАП) БКУ формирует речевое сообщение для воспроизведения в кабине машиниста с отображением события на дисплее БУИ.
2.3.2.4 В режиме "Отстой внутренний" при получении ответной посылки, содержащей информацию о тревожном событии ("пожар", "обрыв", "короткое замыкание", "вскрытие ящика УАП"), БКУ формирует речевое сообщение и управляющий сигнал для включения аппаратуры связи и оповещения. Сообщение воспроизводится по громкоговорящему оповещению.
2.3.2.5 В режиме "Отстой внешний" при получении ответной посылки, содержащей информацию о тревожном событии ("пожар", "вскрытие вагона", "вскрытие кабины машиниста", "разряд АБ") БКУ формирует речевое сообщение, подает на локомотивную радиостанцию аварийное электропитание и вместе с СУ формирует модуляционный и управляющие сигналы для включения радиостанции.
2.3.3 Условиями обнаружения тревожного сообщения считаются:
- По ШПС (при напряжении питания ШПС (21±3) В ток в шлейфе от 1,2 до 4,0 мА, соответствует дежурному состоянию):
- ток в шлейфе от 4 до 100 мА соответствует событию "пожар";
- ток в шлейфе меньше 1,2 мА соответствует событию "обрыв";
- ток в шлейфе больше 100 мА соответствует событию "короткое замыкание".
По ШОС - размыкание/замыкание нормально замкнутой/разомкнутой пары контактов на время не менее 1 секунды.
- По ШУАП - размыкание/замыкание нормально замкнутой/разомкнутой пары контактов на время не менее 1 секунды.
- По контролю разряда АБ - снижение напряжения батареи МВПС до 30% от номинального.
- По цепям поездной диагностики - наличие сигнала неисправности цепи в течение времени не менее 3 секунд.
2.3.4 В случае, если ПКПИ не отвечает на запрос БКУ в течение заданного времени, БКУ формирует речевое сообщение об отказе ПКПИ.
2.3.5 На лицевой панели ПКПИ расположены светодиоды, индицирующие состояние контролируемых цепей вагона:
- Светодиод "Шлейф" - индицирует состояние ШПС вагона:
- 1 секунду включен, 1 секунду выключен - дежурное состояние ШПС;
- 0,5 секунды включен, 0,5 секунды выключен - событие "пожар";
- 5 секунд включен, 1 секунду выключен - "короткое замыкание" ШПС;
- 1 секунду включен, 5 секунд выключен - событие "обрыв" ШПС.
- Светодиод "ОБМЕН" - индицирует обмен информацией между БКУ и ПКПИ:
- выключен постоянно - прием - передача информации не производятся;
- мигает - показывает осуществление приема - передачи информации.
3 Система пожарно-охранной сигнализации и пожаротушения "ПРИЗ-О-Л" для головных вагонов дизель-поездов
3.1 Назначение и основные функции системы
3.1.1 Система предназначена для автоматического обнаружения пожара по срабатыванию извещателей пожарных дыма и тепловых и своевременной доставки информации, в виде речевых и визуальных сообщений, об обнаруженном событии с указанием места его возникновения.
3.1.2 Система осуществляет самодиагностику с предоставлением информации в виде речевых и визуальных сообщений об обнаруженных неисправностях.
3.1.3 Система обеспечивает управление быстродействующим выключателем, установкой автоматического пожаротушения с включением световых предупредительных табло при обнаружении пожара в отстое.
3.1.4 Система осуществляет охрану дверей дизель-поезда (далее ДП) и крышек ящиков установки автоматического пожаротушения.
3.1.5 Система обеспечивает запись в энергонезависимое запоминающее устройство и хранение сообщений о зарегистрированных событиях с указанием даты и времени события и возможностью последующего считывания и расшифровки информации.
3.1.6 Система, в модификации "ПРИЗ-О-Л-В" осуществляет управление подсистемой видеонаблюдения "ПСВН" при обнаружении тревожного события (пожар, вскрытие ДП).
3.1.7 Система осуществляет контроль за состоянием датчиков перегрева колесных букс.
3.1.8 Система работает в следующих режимах: - "Маршрут" - речевое сообщение воспроизводится в кабину локомотива для оповещения бригады о возникновении тревожного события ("пожар", неисправности шлейфов пожарной сигнализации, неисправности шлейфов генераторов огнетушащего аэрозоля, вскрытие ящиков установки автоматического пожаротушения) во время следования ДП на маршруте.
- "Отстой" - речевое сообщение о тревожном событии ("пожар", "разряд аккумуляторной батареи", "включение установки автоматического пожаротушения") доставляется через локомотивную радиостанцию ДП дежурному по депо в "УКВ-диапазоне" на установленной частоте.
Система работает с локомотивными радиостанциями "РВ-1М", "РВ1.1М", "РВС-1". Подключение системы к радиостанции производится в соответствии с проектом Л207.00.00.
- "Охрана в отстое" - речевое сообщение о тревожном событии ("пожар", "вскрытие ДП", "разряд аккумуляторной батареи", "включение установки автоматического пожаротушения") доставляется через локомотивную радиостанцию ДП дежурному по депо в "УКВ-диапазоне" на установленной частоте.
- "Технологический" - режим предназначен для инициализации системы, корректировки: даты, времени, номера ДП и для считывания информации, хранящейся в энергонезависимой памяти блока управления и информации. Время в системе - "Московское".
3.2 Состав системы
3.2.1 Блок управления и информации (далее БУИ) устанавливается в каждой кабине ДП. Предназначен для:
- управления системой и внешними устройствами (локомотивной радиостанцией, быстродействующим выключателем, установкой автоматического пожаротушения (далее УАП), световыми предупредительными табло подсистемой видеонаблюдения);
- контроля за состоянием шлейфов пожарной сигнализации (далее ШПС), шлейфа охранной сигнализации (далее ШОС), шлейфов генераторов огнетушащего аэрозоля (далее ГОА), шлейфа крышек ящиков установки автоматического пожаротушения, датчиков перегрева колесных букс.
Лицевая панель БУИ показана на рис. В.5.4.

Рис. В.5.4
3.2.2 ШПС прокладывается в каждом защищаемом помещении ДП: кабине машиниста, машинном отделении, высоковольтной камере, технологическом проходе. ШПС выполнены по двухпроводной схеме с подключением извещателей пожарных (далее ИП) дыма и тепловых. Количество ИП и места их установки определяются проектной документацией на конкретный тип ДП. На розетке последнего ИП каждого ШПС установлен оконечный резистор для контроля целостности шлейфа.
3.2.3 ШОС прокладывается для всех входных дверей ДП с установкой дополнительных концевых выключателей.
3.2.4 ШУАП предназначен для соединения концевого выключателя под крышкой ящика УАП с БУИ.
3.2.5 Согласующее устройство (далее СУ) включается между БУИ и локомотивной радиостанцией, обеспечивает гальваническую развязку по цепям управления и модуляции между выходом БУИ и разъемом "ТУ-ТС" радиостанции.
3.2.6 Кнопка "Повтор" предназначена для проверки речевого сообщения при обнаружении тревожного события ("пожар", неисправности шлейфов пожарной сигнализации, неисправности шлейфов генераторов огнетушащего аэрозоля, вскрытие ящиков установки автоматического пожаротушения). Устанавливается в кабине машиниста.
3.2.7 Выносной громкоговоритель предназначен для воспроизведения речевого сообщения, сформированного БУИ. Устанавливается в кабине машиниста.
3.2.8 Автоматический выключатель напряжения питания БУИ предназначен для переключения питания с бортовой сети на автономное питание.
3.2.9 Комплект кабелей предназначен для подключения БУИ к электроцепям, радиостанции и УАП.
3.3 Работа системы
3.3.1 Система работает непосредственно от аккумуляторных батарей ДП через собственный автоматический выключатель.
3.3.2 При работе в системе более одного БУИ, система представляет собой локальную сеть на основе выделенной линии связи (экранированная "витая пара"), по которой происходит обмен информацией между БУИ, подключенными к сети.
3.3.3 При нарушении связи между БУИ и сетью, БУИ автоматически переключаются в автономный режим работы. При этом каждый БУИ функционирует в полном объеме по контролируемым цепям На дисплее БУИ, потерявшего связь, периодически высвечивается предупреждение НЕТ СВЯЗИ.
3.3.4 Выбор режима работы "Маршрут" производится установкой переключателя МАРШРУТ/ОТСТОЙ на лицевой панели БУИ в положение "МАРШРУТ". Если один из БУИ, подключенных к сети, не установлен в режим "Маршрут", то на дисплеях БУИ отображается признак Я НЕ ОДИН, предупреждающий о необходимости переключения режима работы всех БУИ в требуемый режим.
3.3.4.1 После получения сигнала об аварийном событии по любому контролируемому каналу БУИ выдает речевое (посредством выносного громкоговорителя) и визуальное (на встроенном дисплее) сообщения с указанием характера события и места его обнаружения:
- номера дизельного вагона (1-ый или 2-ой) и наименования помещения (кабина машиниста, машинное отделение, высоковольтная камера);
Речевое и визуальное сообщения дублируются каждым БУИ, подключенным к сети.
После выдачи сообщения БУИ блокируется по данному сообщению до нажатия кнопки выносной ПОВТОР.
3.3.4.2 При нажатии и удержании кнопки ПОВТОР, на время не менее 1,5 секунд, БУИ проводит повторный анализ состояния контролируемых цепей и, в случае подтверждения тревожного события, повторяет речевое сообщение. Сообщение на дисплее сохраняется до устранения события.
3.3.5 Выбор режима работы "Отстой" производится установкой переключателя МАРШРУТ/ОТСТОЙ на лицевой панели всех, подключенных к сети БУИ в положение "ОТСТОЙ". Если все двери локомотива закрыты и шлейфы охранной сигнализации в рабочем состоянии, то на дисплее высвечивается предложение ввести пароль в виде: ПАРОЛЬ 0000. Нажатие кнопки "ВВОД" без набора кода пароля включает заданный режим.
3.3.5.1 Включение режима работы "Охрана в отстое". После высвечивания признака ПАРОЛЬ 0000 кнопками "вправо" и "вверх" БУИ набирается 4-значная кодовая комбинация (пароль), набираемое значение отображается на дисплее. После набора пароля кнопкой "ВВОД" производится его запись.
Для постановки на охрану и снятия с охраны необходимо пользоваться эксплуатационной документацией.
3.3.5.2 В режиме "Отстой" ("Охрана в отстое") при определении тревожного события ("пожар", "вскрытие ДП", "включение автоматического пожаротушения", "разряд АБ") БУИ формирует речевое сообщение, подает на локомотивную радиостанцию аварийное электропитание и вместе с СУ формирует модуляционный и управляющие сигналы для включения радиостанции.
3.3.5.3 В режиме "Отстой" ("Охрана в отстое") при определении события "пожар" по срабатыванию двух или более дымовых ИП или одного теплового ИП, БУИ включает предупредительные табло: "ГАЗ - УХОДИ", "ПОЖАР, ГАЗ - НЕ ВХОДИТЬ" и выдает команду на управление БВ. Через 30 секунд БУИ автоматически включает УАП и одновременно включает табло "АВТОПУСК ВКЛЮЧЕН". По радиоканалу передается речевое сообщение типа: "Внимание! В дизель-поезде два-три-пять включено автоматическое пожаротушение!".
3.3.5.4 При нарушении связи между БУИ и сетью информация в радиоканал поступает только с того БУИ, к которому подключена локомотивная радиостанция.
3.3.6 Условиями обнаружения тревожного сообщения считаются:
- По ШПС (при напряжении питания ШПС (21±3) В ток в шлейфе от 1,2 до 4,0 мА, соответствует дежурному состоянию):
- ток в шлейфе от 4 до 100 мА соответствует событию "пожар";
- ток в шлейфе меньше 1,2 мА соответствует событию "обрыв";
- ток в шлейфе больше 100 мА соответствует событию "короткое замыкание".
- По ШОС - размыкание нормально замкнутой пары контактов на время не менее 1,5 секунды.
- По ШУАП - размыкание нормально замкнутой пары контактов на время не менее 1,5 секунды.
- По контролю разряда АБ - снижение напряжения батареи ДП до 30% от номинального.
4 Система пожарно-охранной сигнализации "ПРИЗ"
4.1 Назначение и основные функции системы
Система предназначена для автоматического обнаружения пожара по срабатыванию извещателей пожарных (далее ИП) и своевременной доставки информации об обнаружении пожара с указанием места его возникновения.
В настоящее время система с производства снята, как морально устаревшая, и на вновь строящийся и эксплуатируемый МВПС не устанавливается.
4.2 Состав системы
4.2.1 Блок пожарно-речевого извещателя "Приз-1.3М". Устанавливается в каждом вагоне. Предназначен для контроля за состоянием шлейфа пожарной сигнализации (далее ШПС).
4.2.2 ШПС прокладывается в каждом вагоне и выполнен по двухпроводной схеме с подключением ИП дыма. ИП установлены в салоне вагона и на чердаках тамбуров. На розетке последнего ИП установлен оконечный резистор для контроля целостности шлейфа.
4.2.3 Кабель блока "Приз-1.3М" предназначен для подключения блока к поездным электроцепям.
4.2.4 Кнопка "Сброс-Повтор" устанавливается в кабине машиниста и предназначена для проверки сообщения о состоянии ШПС.
4.2.5 Тумблер включения питания "Тпс" устанавливается в электрическом шкафу в месте установки блока "Приз-1.3М".
4.3 Работа системы
4.3.1 Электропитание системы осуществляется от бортовой сети электропоезда постоянным напряжением номинального значения 50 или 110 В.
4.3.2 Выходной каскад речевого извещателя блока "Приз-1.3М" подключен к линии связи "пассажир-машинист" системы "Сигнал" электропоезда, в которую выдается речевое сообщение о состоянии ШПС: "пожар", "обрыв", "короткое замыкание".
4.3.3 Анализ состояния ШПС производится измерением тока в нем. При питании ШПС постоянным напряжением (20±5) В:
- ток в шлейфе меньше 1,2 мА соответствует событию "обрыв";
- ток в шлейфе от 1,2 до 4,0 мА соответствует дежурному состоянию;
- ток в шлейфе от 4 до 100 мА соответствует событию "пожар";
- ток в шлейфе больше 100 мА соответствует событию "короткое замыкание".
4.3.4 При получении в кабине машиниста сообщения, например:
"Сработала пожарная сигнализация в пятом вагоне. Пожар в пятом вагоне. Пожар в пятом вагоне", проверка этого сообщения производится нажатием и удержанием кнопки "Сброс-Повтор" на время не менее 3 секунд. При этом блок "Приз-1.3М" производит повторный анализ состояния ШПС и в случае сохранения события вырабатывает повторное речевое сообщение о нем.
5 Аппаратура связи и оповещения "АСО УПКУ"
5.1 Назначение аппаратуры
Аппаратура связи и оповещения (далее УПКУ или аппаратура) предназначена для организации в дизель- и электропоездах:
- громкоговорящего оповещения пассажиров;
- оперативной связи пассажир - машинист;
- служебных переговоров машиниста с удаленной кабиной.
5.2 Состав аппаратуры
5.2.1 Усилитель и переговорно-коммутационное устройство (УПКУ) предназначен для организации переговоров машиниста с пассажирами и удаленной кабиной дизель- и электропоезда (далее поезда). УПКУ включает в себя: источник питания; коммутатор внешних источников и микрофонов; усилитель оповещения для передачи звуковых сигналов в трансляционную линию поезда; усилитель связи для приема сигналов от переговорного устройства и удаленной кабины.
5.2.2 Манипулятор кабины электропоезда (МНП) предназначен для передачи оперативных сообщений машиниста. МНП включает в себя микрофон и коммутатор, предназначенный для включения микрофона и изменения направления передачи в трансляционную линию или в удаленную кабину.
5.2.3 Переговорное устройство вагона (ПУ) предназначено для передачи оперативных сообщений пассажиров машинисту поезда. ПУ включает в себя микрофон и коммутатор - для подключения ПУ к УПКУ.
5.2.4 Пульт (П) предназначен для подключения МНП в кабине машиниста и в шкафу служебного тамбура.
5.2.5 Устройство подключения (УП) предназначено для соединения составных частей аппаратуры и подключения к цепям электропоезда.
5.3 Работа аппаратуры
5.3.1 На блок УПКУ подается напряжения питания постоянного тока от бортовой сети поезда. Наличие поданного напряжения индицируется светодиодами около соответствующего разъема УПКУ.
5.3.2 Для передачи сообщений пассажирам поезда необходимо нажать кнопку "О" (оповещение) на МНП. УПКУ имеет регулятор уровня громкости оповещения пассажиров, который выведен на боковую панель УПКУ с обозначением "О".
5.3.3 Для передачи сообщений машиниста в удаленную кабину необходимо нажать кнопку "С" (связь) на МНП. УПКУ имеет регулятор уровня громкости связи, который выведен на боковую панель УПКУ с обозначением "С".
5.3.4 Для передачи сообщений пассажиров машинисту поезда служат ПУ, установленные в каждом вагоне. Ответ машиниста может быть передан на громкоговорители оповещения при нажатии кнопки "О" МНП. Таким образом, обеспечивается возможность ведения переговоров пассажир - машинист.
6 Система индикации маршрута "СИМ"
6.1 Назначение системы
Система предназначена для использования в качестве маршрутных указателей на дизель- и электропоездах для замены морально устаревших маршрутных транспарантов.
6.2 Состав системы:
- информационное табло поезда (далее ИТП), устанавливаются за лобовыми или боковыми стеклами кабины машиниста;
- пульт управления ИТП (далее ПУ-ИТП);
- комплект кабелей.
6.3 Работа системы
6.3.1 На ИТП выводится название пункта прибытия (отправления) с ПУ-ИТП, из долговременного банка надписей, хранящегося в ПУ-ИТП, или набранного на клавиатуре ПУ-ИТП нового названия станции прибытия (отправления).
6.3.2 При включении освещения салонов поезда (в темное время суток) на ИТП включается подсветка для функционирования светоотражающих покрытий элементов (пикселей), формирующих знакоместа ИТП.
7 Бегущая информационная строка "БИС"
7.1 Назначение
Бегущая информационная строка предназначена для предоставления пассажирам текстовой информации (маршрутной, служебной, рекламной и другой).
7.2 Состав:
- информационное табло вагона (далее ИТВ), устанавливаются в салонах вагонов;
- пульт управления ИТВ (далее ПУ-ИТВ);
- кабель ПУ-ИТВ.
7.3 Работа
7.3.1 На ИТВ выводится информация, хранящаяся в памяти ПУ-ИТВ, в автоматическом или по командам оператора режимах.
7.3.2 Информация для воспроизведения "БИС" подготавливается на персональном компьютере в любом текстовом редакторе и переносится в память ПУ-ИТВ.
7.3.3 При использовании "БИС" с системой пожарно-охранной сигнализации "ССЗН-И" поставка ПУ-ИТВ не требуется.
8 Подсистема видеонаблюдения "ПСВН"
8.1 Назначение подсистемы
8.1.1. Подсистема предназначена для оперативного наблюдения за обстановкой в контролируемых помещениях МВПС и зонах вне помещений.
8.2 Основные функции подсистемы
8.2.1 Подсистема обеспечивает вывод на монитор текущего изображения от видеокамер до 8-ми штук на вагон. Изображение на монитор выводится в автоматическом, ручном режимах и по тревожным событиям.
8.2.2 Подсистема обеспечивает запись и хранение видеоинформации в объеме, определяемым видеонакопителем (видеорегистратором). Запись в видеонакопитель производится по кольцу, линейно, с предзаписью по событиям.
8.2.3 Подсистема обеспечивает просмотр записанной информации с различными скоростями и сохранением фрагментов и фото.
8.2.4 Подсистема обеспечивает разграничение доступа по трем уровням: просмотр, доступ к архиву, доступ к настройкам.
9 Блок резервного питания "БРП"
9.1 Назначение блока
БРП предназначен для обеспечения электропитания систем пожарно-охранной сигнализации от встроенной в БРП аккумуляторной батареи в случае аварийного отключении бортового питания.
9.2 Основные характеристики блока
9.2.1 БРП работает при номинальном значении бортовой сети: 50В, 75В, 110В. Условием переключения на резервную аккумуляторную батарею считается снижение бортового напряжения питания до предельно-допустимого уровня:
- (35±2,5) В, при номинальном напряжении бортовой сети 50 В;
- (53±3) В, при номинальном напряжении бортовой сети 75 В;
- (90±5) В, при номинальном напряжении бортовой сети 110 В.
9.2.2 Номинальное выходное напряжение резервной аккумуляторной батареи БРП 48 В.
9.2.3 При переключении подключенной системы на электропитание от резервной аккумуляторной батареи БРП обеспечивает бесперебойную работу систем в течение 24 ч.
9.2.4 БРП имеет защиту по выходу и входу от короткого замыкания и режима холостого хода.
10. Меры безопасности
10.1. Работы при эксплуатации и техническом обслуживании систем должны осуществляться в полном соответствии с "Правилами технической эксплуатации электроустановок потребителей" с напряжением до 1000 В.
10.2. Все работы по монтажу и ремонту систем должны выполняться при отключенном питании и отключенных разъемах.
10.3 Техническое обслуживание систем должно проводиться подготовленным персоналом.
10.4 Внимание! Включение в состав электропоезда оборудованного определенной модификацией системы "ПРИЗ-И", вагонов, не оборудованных системой пожарной сигнализации, или оборудованных системами других модификаций, может приводить к неработоспособности системы или выходу из строя отдельных агрегатов системы.
Приложение Г
Обязательное
Содержание и ремонт средств пожаротушения и пожарной сигнализации
Внимание! Техническое обслуживание и ремонт средств пожаротушения и пожарной сигнализации приурочиваются к ТО, ТР и КР моторвагонного подвижного состава.
Г.1. Огнетушители
1.1. Содержание огнетушителей должно отвечать требованиям "Правил устройства и безопасной эксплуатации сосудов, работающих под давлением", утвержденных Госгортехнадзором, инструкций по эксплуатации, руководств или паспортов предприятий-изготовителей и другой действующей нормативно-технической документации.
1.2. К введению в эксплуатацию на моторвагонном подвижном составе допускаются только полностью заряженные и опломбированные огнетушители, снабженные биркой с указанием даты (месяц и год) зарядки и даты очередной перезарядки, контроля и технического освидетельствования. Эти данные допускается вместо бирки наносить на корпус огнетушителя с противоположной стороны насадка штемпельной краской.
1.3. Контроль и техническое освидетельствование огнетушители проходят в сроки, установленные для данного типа огнетушителя.
1.3.1. Огнетушители порошковые:
проверка крепления огнетушителя в кронштейне, плотности закрытия отверстия для засыпки порошка и крепления насадка-пистолета производится не реже одного раза в месяц;
контроль качества порошка, массы заряда в баллончике и состояния лакокрасочных покрытий - один раз в год;
переосвидетельствование корпуса с гидравлическими испытаниями на прочность - через пять лет эксплуатации.
1.3.2. Огнетушители углекислотные переносные: контроль
массы-заряда огнетушителей c запорно-пусковым устройством вентильного типа осуществляется не реже одного раза в три месяца;
то же - огнетушителей с запорно-пусковым устройством пистолетного типа - не реже одного раза в год;
переосвидетельствование баллонов с гидравлическими испытаниями на прочность - через пять лет эксплуатации.
1.3.3. Огнетушители воздушно-пенные:
проверка целостности мембраны спрыска должна производиться не реже одного раза в месяц.
контроль состояния заряда и антикоррозийных покрытий осуществляется один раз в год.
переосвидетельствование корпуса с гидравлическими испытаниями на прочность проводятся через 1; 1,5 и 2 года после начала эксплуатации.
1.3.4. Огнетушители воздушно-эмульсионные:
проверка целостности мембраны спрыска производится не реже одного раза в месяц;
контроль состояния заряда и антикоррозийных покрытий - один раз в год;
переосвидетельствование корпуса с гидравлическими испытаниями на прочность:
25% - через 1,5 года после начала эксплуатации;
50% через 2 года после начала эксплуатации;
100% - один раз в год при дальнейшей эксплуатации.
1.4. Запрещается:
- укомплектование моторвагонного подвижного состава огнетушителями с истекшими сроками технического освидетельствования;
- несвоевременное переосвидетельствование огнетушителей, находящихся в эксплуатации;
- допускать в эксплуатацию огнетушители с глубокими выбоинами, вмятинами и ржавчиной на корпусе.
1.5. Техническое освидетельствование, а также ремонт огнетушителей должны выполняться в мастерских или специализированных организациях, имеющих соответствующее разрешение органов Госгортехнадзора.
1.6. Лица, имеющие непосредственное отношение к огнетушителям, должны быть обучены обращению с ними, знать и соблюдать правила техники безопасности при работе со сжатыми газами согласно "Правил устройства и безопасной эксплуатации сосудов, работающих под давлением".
1.7. Ответственность за правильное содержание и своевременное техническое освидетельствование огнетушителей, как ручных, так и стационарных, несут главные инженеры депо (ремонтного завода), о чем издается соответствующий приказ начальника депо (директора ремонтного завода).
Г.2. Аэрозольные генераторы оперативного применения
2.1. При эксплуатации генераторов следует руководствоваться требованиями безопасности, приведенными в "Руководстве по эксплуатации генератора огнетушащего аэрозоля оперативного применения АГС-5".
2.2. Генераторы "АГС-5" рекомендуются для использования оперативными подразделениями пожарной охраны, локомотивными бригадами железнодорожного транспорта, другими лицами, прошедшими инструктаж по их применению.
2.3. Механизм приведения генератора в действие должен быть снабжен блокировочным или защитным устройством (колпачком), исключающим несанкционированное срабатывание.
2.4. Периодические испытания генераторов проводят не реже одного раза в три года.
Г.3. Системы газового пожаротушения
Техническое обслуживание
3.1. Проведение работ по техническому обслуживанию является одной из основных мер по поддержанию работоспособности системы пожаротушения, предупреждению поломок, аварий и несчастных случаев. Своевременное и правильное техническое обслуживание предупреждает появление неисправностей, увеличивает срок службы и надежность системы.
3.2. Техническое обслуживание СОТП должно проводиться подготовленным персоналом.
3.3. При проведении плановых технических обслуживаний и ремонтов в сроки, определенные Руководством по эксплуатации на дизель-поезд, выполнить работы по обслуживанию системы пожаротушения, указанные в таблице Г.3.1.
Таблица Г.3.1
| Наименование работ | ТО1 | ТО2 | ТО3 | ТР1 | ТР2 | ТР3 | КР1 | Примечание |
| 1 | 2 | 3 | 4 | 5 | 6 | 7 | 8 | 9 |
| 1. Контроль давления в сосуде по показанию индикатора давления | + | + | + | + | + | + | + |
|
| 2. Контроль положения сигнализатора | + | + | + | + | + | + | + |
|
| 3. Визуальный контроль внешнего состояния сосуда, его узлов и элементов на предмет: |
|
|
|
|
|
|
|
|
| - их целостности; | - | + | + | + | + | + | + |
|
| - отсутствия повреждений, загрязнений и пыли; |
|
|
|
|
|
|
|
|
| - надежности крепления сосуда в хомутах |
|
|
|
|
|
|
|
|
| 4. Проверка отсутствия напряжения (тестером или сигнальной лампой) на клеммах 1-3 и 2-4 кабельных разъемах пиропатронов ЗПУ при не включенных командах управления | - | - | - | + | + | + | + |
|
| 5. Проверка наличия напряжения подрыва пиропатронов ЗПУ на клеммах 1-3 кабельных разъемов при включении сосуда (команда ПОЖАР) с обеих пультов машиниста и отсутствие при этом напряжения на клеммах 2-4 разъемов 2РМ14К ПЭ4Г1В1 | - | - | - | + | + | + | + |
|
| 6. Проверка сохранности огнетушащего вещества, при этом баллоны с огнетушащим веществом снимаются, осматриваются на отсутствие механических повреждений и взвешиваются (в случае падения веса заряда более, чем на 10%, заряд пополнить) | - | - | - | - | + | + | + | В соответствии с инструкцией ЦТ-ЦВ-ЦП/3198, с отметкой в паспорте |
| 7. Контроль срока годности сосуда | - | - | - | - | + | + | + | По бирке на баллоне и данным паспорта |
| 8. Проверка индикатора давления (манометра). | - | - | - | - | + | + | + |
|
| Примечание: При проведении проверки манометра, на ЗПУ установить манометр из обменного фонда. Допускается установка заглушки |
|
|
|
|
|
|
|
|
| 9. Проверка цепей управления по методике в соответствии с п. 5.2.7.7. | - | - | - | - | + | + | + |
|
| 10. Произвести переосвидетельствование баллона с заменой уплотнительных колец на разъемных элементах ЗПУ | В соответствии с требованиями инструкции ЦТ-ЦВ-ЦП/3198 | |||||||
| 11. Произвести в соответствии с отметкой в паспорте сосуда; |
| |||||||
| - замену пиропатронов; | 1 раз в 20 лет ±20% | |||||||
| - замену УРП-7; | 1 раз в 10 лет ±20% | |||||||
| - замену гайки с предохранительной мембраной; | 1 раз в 4 года ±20% (при переосвидетельствовании сосуда) | |||||||
| - замену корпуса с разрывным элементом; | 1 раз в 10 лет ±20% (приурочить к переосвидетельствованию сосуда) | |||||||
| - замену рукава РВД | 1 раз в 10 лет ±20% (при переосвидетельствовании) | |||||||
3.4. Контроль давления в сосуде (наличие огнетушащего состава) производится по показаниям индикатора давления, установленного на сосуде.
3.5. Проверка массы СО(2) в сосуде производится взвешиванием. Взвешивание сосуда следует производить на весах для статического взвешивания погрешностью не более 1%. Результат взвешивания следует занести в специальный журнал и паспорт сосуда. Масса СО(2) в сосуде определяется как разность результата взвешивания и массы не заправленного сосуда с ЗПУ, которая указана в паспорте на зарядку. Сосуд подлежит заправке при уменьшении массы ГОС в нем ниже первоначальной на 10 %.
3.6. Срок годности сосуда контролируется по трафарету. При необходимости следует произвести переосвидетельствование сосуда в установленном порядке.
3.7. Проверка функционирования системы
3.7.1. При контроле наличия питающего напряжения:
- на блоке БКИ должен гореть светодиод зеленого цвета Питание.
3.7.2. Контроль функционирования оповещателей ОС, ОСЗ и Оса-110
3.7.2.1. Нажать кнопку ТЕСТ на блоке БКИ, при этом включаются электролюминисцентные табло. На оповещателях отчетливо видны предупреждающие надписи Газ! Не входить! и Газ! Уходи!, а звуковые оповещатели издают звуковой сигнал ситуации Пожар - непрерывный сигнал, модулированный по частоте.
3.7.2.2. Отпустить кнопку: подсветка и звуковой сигнал оповещателей отключаются.
3.7.3. Проверка установки режима Авт/Руч и контроль датчиков дверей
3.7.3.1. Перед началом проверки система должна быть в следующем исходном состоянии:
- на блоке КС горит светодиод желтого цвета Руч;
- на ЖКИ блока БКИ имеется информация:
в верхней строке - <время> <время> Норма;
в нижней строке - Режим Руч Дв. Откр/Закр.
3.7.3.2. Закрыть все двери (кабина - ДО, МО - пассажирский салон, ДО - улица с 2-х сторон поезда), на ЖКИ изменится информация в нижней строке:
| Режим Руч | Дв.Закр. |
3.7.3.3. Установить электронный ключ РЕЖИМ на контактное устройство КС, при этом на ЖКИ в нижней строке появляется информация:
| Режим Авт | Дв.Закр. |
На БКИ включается светодиод желтого цвета Авт. пуск, на КС - светодиод зеленого цвета Авт.
3.7.3.4. Открыть одну дверь, при этом система перейдет в режим ручного пуска, на ЖКИ в нижней строке появится информация:
| Режим Руч | Дв.Откр. |
Светодиоды Авт на БКИ и КС погаснут, на КС включится светодиод желтого цвета Руч.
3.7.3.5. Закрыть все двери. Информация, указанная в п. 3.7.3.4, не изменится.
Примечания.
1. Переход системы СОТП из Авт режима в Руч происходит автоматически при открывании дверей, по истечении времени задержки контроля состояния дверей (3 мин) или с помощью электронного ключа РЕЖИМ.
2. Переход системы Руч в Авт режим возможен только при использовании электронного ключа РЕЖИМ.
3.7.4. Проверка функционирования системы в ситуации Внимание (контроль работы кнопки Звук на блоке БКИ, проверка сигнала СБРОС)
3.7.4.1. Перед началом проверки система должна быть в следующем исходном состоянии:
- на блоке КС горит светодиод желтого цвета Руч;
- на ЖКИ блока БКИ имеется информация:
| в верхней строке | <время> | < время > Норма |
| в нижней строке | Руч. | Дв.Откр/Закр |
3.7.4.2. Нагреть (феном) один пожарный извещатель в шлейфе до появления на ЖКИ информации:
в верхней строке < время > < время > Внимание
в нижней строке Руч. Дв.Откр/Закр, при этом на БКИ загорается светодиод желтого цвета Внимание и появится однотональный прерывистый звуковой сигнал в блоке БКИ.
3.7.4.3. Нажать кнопку Звук на панели блока БКИ, звук должен прекратиться и включится светодиод зеленого цвета Звук Откл.
3.7.4.4. Установить электронный ключ СБРОС на контактное устройство КС, система вернется в исходное положение (см. п. 3.7.4.1).
Операцию выполнить после 10-ти минутного, естественного охлаждения пожарного извещателя.
3.7.5. Проверка выдачи извещения Неисправность
3.7.5.1. Перед началом проверки система должна быть в исходном состоянии, приведенном в п. 3.7.4.1.
Внимание! Вместо пиропатронов должны быть подключены к отсоединенным кабельным разъемам их имитаторы (лампочки или предохранители).
3.7.5.2. При обрыве цепи пиропатронов:
1) отсоединить нить 1 пиропатрона 2 (см. схему электрическую принципиальную СОТП в РЭ);
2) на лицевой панели БКИ включится светодиод желтого цвета Неисправность, сопровождаемый однотональным прерывистым звуковым сигналом;
3) нажать кнопку Звук, звуковой сигнал должен отключиться и включиться светодиод Звук ОТКЛ;
4) на ЖКИ индицируется сообщение:
| в верхней строке | <время> | <время> | Неисправность |
| в нижней строке | Руч | Дв.Откр/Закр. | |
Нажать кнопку РЕЖИМ на панели блока БКИ, на ЖКИ при этом изменится информация:
| в верхней строке | ЛС = 00000 | Шлеф = 00 |
| в нижней строке | ПП = 01 | СДУ = 00, |
где цифра 1 указывает на обрыв цепи нити 1 пиропатрона 2;
цифра 0 свидетельствует об исправности остальных цепей пиропатронов;
5) восстановить связь с имитатором пиропатрона, при этом информация на ЖКИ возвратится в исходное положение:
| в верхней строке | <время> | <время> | Норма |
| в нижней строке | Руч | Дв.Откр/Закр. | |
повторить проверки для всех остальных цепей пиропатронов.
3.7.6. Проверка функционирования СОТП при ситуации Пожар.
3.7.6.1. Перед началом проверки система должна быть в исходном состоянии - горит индикатор Питание на блоке БКИ.
Внимание! Вместо пиропатронов должны быть подключены к кабельным разъемам их имитаторы - лампочки или предохранители.
3.7.6.2. Нагреть (феном) два пожарных извещателя в шлейфе до появления на ЖКИ информации:
| в верхней строке | <время> | <время> | Пожар, |
| в нижней строке | Руч. | Дв. Откр/Закр. | |
На панели БКИ должен загореться светодиод красного цвета Пожар и включиться звуковой сигнал блока БКИ и оповещателя Оса-110, установленного в кабине машиниста. Такой же звуковой сигнал должен появиться на всех ОСЗ вместе с надписью Газ! Уходи!
3.7.6.3. Отключив звук (см. п. 3.7.4.3), ключом СБРОС (см. п. 3.7.4.4) перевести систему в исходное состояние.
3.7.7. Проверка функционирования СОТП в режиме ручного пуска
3.7.7.1. Перед началом проверки система должна быть в состоянии, приведенном п. 3.7.4.1.
Внимание! Вместо пиропатронов должны быть подключены их имитаторы - лампочки.
3.7.7.2. Выполнить операции приведенных в п.п. 3.7.4.1-3.7.4.2.
3.7.7.3. Нажать кнопку Пуск на панели КС, при этом кнопка должна загореться красным светом.
3.7.7.4. На блоке БКИ на ЖКИ появится информация:
| в верхней строке | <время> | <время> | Пуск, |
| в нижней строке | Руч Дв | Откр/Закр. <Т, время до пуска модулей МПГ, равное 30с>. | |
3.7.7.5. По истечении этого времени должны включиться (вспыхнуть) лампочки имитаторы пиропатрона ПП1.
3.7.7.6. В течении £ 5 с разомкнуть контакты СДУ на линии, где включились лампочки. При этом проходит команда Пуск прошел и на ЖКИ появится надпись Пуск прошел, над входной дверью в двигательный отсек из пассажирского салона должен загореться световой оповещатель Газ! Не входить!
3.7.7.7. Оповещатель БКИ должен выдавать непрерывный звуковой сигнал Пуск прошел.
3.7.7.8. Отключить Звук и ключом СБРОС перевести систему в исходное состояние.
3.8. Порядок проведения текущего ремонта
3.8.1. Текущий ремонт проводится с целью восстановления работоспособности системы пожаротушения на месте эксплуатации.
3.8.2. Самоконтроль системы и выдача извещения Неисправность производятся автоматически прибором "Гамма-01 ПКП".
3.8.3. Возможные неисправности и указания по их устранению приведены в таблице Г.3.2.
Таблица Г.3.2.
| Внешние проявления неисправности | Вероятная причина | Метод устранения |
| Выключен индикатор ПИТАНИЕ на блоке БКИ. | Обрыв цепи питания, пропало напряжение сетевого питания | Устранить обрыв. Восстановить напряжение сетевого питания |
| При закрытых дверях на ЖКИ имеется информация ДВ.ОТКР. | Обрыв шлейфа контроля, дверей, неисправен или неправильно установлен датчик контроля дверей. | Устранить обрыв. Отрегулировать положение датчика. Заменить датчик. |
| На ЖКИ имеется информация НЕИСПР. Шлейф = 0100 или Шлейф = 0010 | Обрыв или короткое замыкание шлейфов пожарных извещателей. | Устранить обрыв. Устранить короткое замыкание. Заменить модуль МИ. |
| На ЖКИ имеется информация НЕИСПР. ПП = 00001000 | Обрыв цепи пиропатрона | Устранить обрыв |
| На ЖКИ имеется информация НЕИСПР. СДУ = 0001 | Обрыв цепи СДУ | Устранить обрыв линии связи |
| На ЖКИ имеется информация НЕИСПР. ЛС = 000100 | Обрыв линии связи между электронными модулями, неисправность модуля | Устранить обрыв. Заменить неисправный модуль. |
| При контроле световых и звуковых оповещателей они не включаются | Обрыв линии связи с оповещателями. Неисправный звуковой оповещатель. | Устранить обрыв. Заменить звуковой оповещатель. |
| Падение давления в блоке МПГ (выдвинут сигнальный шток). | Негерметичность резьбовых соединений. Неисправный индикатор давления. Сработала предохранительная мембрана. | Устранить негерметичность. Заменить индикатор давления. Заменить гайку с предохранительной мембраной в ЗПУ модуля |
| Сработал модуль МПГ. | Несанкционированное срабатывание. | Заменить корпус в сборе в ЗПУ модуля. Перезарядить модуль Заменить пиропатрон Заменить УРП-7 |
Более подробное описание проведения всех видов ремонтов системы пожаротушения приведено в РЭ на СОТП для конкретного вида МВПС.
Г.4. Установки аэрозольного пожаротушения
1. Техническое обслуживание и ремонт
1.1. Техническое обслуживание УАПВ ограничивается внешним осмотром ГОА и БУ-УАПВ, удалением с них пыли и устранением дефектов в креплении и электрических контактах.
1.2. При осмотре контролируется целостность и сохранность изделий, надежность их крепления, а также целостность подключения электрических проводов и защитных скоб на переключателях БУ-УАПВ.
1.3. Изделия, входящие в состав УАПВ, не ремонтируются и при обнаружении дефектов или после срабатывания подлежат замене.
1.4. Техническое обслуживание УАПВ следует проводить при ТР-2, ТР-3 и каждом третьем ТР-1 МВПС.
1.5. Регламентная замена ГОА и БУ-УАПВ производится при проведении капитального ремонта МВПС, но не реже одного раза в 5 лет.
Внимание! При проведении уборочных работ не допускается попадание влаги в ГОА и БУ-УАПВ.
Г.5. Установки порошкового пожаротушения
1. Техническое обслуживание
1.1 Проведение работ по техническому обслуживанию является одной из основных мер по поддержанию работоспособности установки пожаротушения, предупреждению поломок, аварий и несчастных случаев. Своевременное и правильное техническое обслуживание предупреждает появление неисправностей, увеличивает срок службы и надежность установки.
1.2 Техническое обслуживание и ремонт установки приурочивается к ТО и ТР электропоездов.
1.3 При проведении плановых технических обслуживаний и ремонтов электропоездов, выполняются работы по обслуживанию установки пожаротушения, указанные в таблице Г.5.1.
Таблица Г.5.1.
| Наименование работ | Ежедневно | ТО2 | СТО | КР |
| Визуальный контроль внешнего состояния составных частей установки | + |
|
|
|
| Проверка правильности подсоединения разъемов пусковых узлов МПП |
| + | + | + |
| Контроль срока годности МПП (р) | По бирке на МПП и данным паспорта | |||
| Произвести замену в соответствии с отметкой в паспорте: | 1 раз в 10 лет ±20% | |||
| - УСП-101 | 1 раз в 10 лет ±20% (при переосвидетельствовании модуля) | |||
| - МПП | 1 раз в 10 лет ±20% (приурочить к переосвидетельствованию модуля) | |||
Г.6. Системы пожарной сигнализации
1. Техническое обслуживание систем
1.1. Проведение работ по техническому обслуживанию является одной из основных мер по поддержания работоспособности системы пожарной сигнализации, диагностики и информационного обеспечения. Своевременное и правильное техническое обслуживание предупреждает появление неисправностей, увеличивает срок службы и надежность системы.
1.2. Техническое обслуживание систем производится в соответствии с "Руководством по техническому обслуживанию систем пожарной сигнализации ПРИЗ-И (в модификациях ПРИЗ, ПРИЗ-О, ССЗН-И и других) моторвагонного подвижного состава", утвержденного Начальником Управления пассажирских перевозок Департамента пассажирских сообщений ОАО "Российские железные дороги" 20.11.2006 г № ЦЛПр-9/12, и руководством "Электропоезда. Общее руководство по техническому обслуживанию и текущему ремонту", утвержденного распоряжением Первого вице-президента ОАО "РЖД" 01.02.2008 г. № 185р.
1.3 Проверка работы системы "ПРИЗ-О" на электропоезде производится в соответствии с "Техническим описанием и инструкцией по эксплуатации" ДАЛР 27.00.00 ТО и ИЭ.
1.4 Проверка работы системы "ССЗН-И" на дизель- и электропоезде производится в соответствии с техническим описанием и инструкцией по эксплуатации ИС 2.00.01 ТО и ИЭ.
1.5 Проверка работы системы "ПРИЗ-О-Л" на дизель-поезде производится в соответствии с руководством по эксплуатации ДАЛР 58.00.00 РЭ.
1.6 Проверка работы системы "ПРИЗ" на электропоезде производится в соответствии с инструкцией по эксплуатации ИС1.00.00 ИЭ.
1.7 Проверка работы аппаратуры "АСО УПКУ" на дизель- и электропоезде производится в соответствии с руководством по эксплуатации ДАЛР 66.00.000 РЭ.
1.8 Проверка работы системы "СИМ" на дизель- и электропоезде производится в соответствии с техническим описанием и инструкцией по эксплуатации ДАЛР 52.00.000 ТО и ИЭ.
1.9 Проверка работы системы "БИС" на дизель- и электропоезде производится в соответствии с техническим описанием и инструкцией по эксплуатации ДАЛР 30.00.000 ТО и ИЭ ИС 2.00.01 ТО и ИЭ.
1.10 Проверка работы подсистемы "ПСВН" на дизель- и электропоезде производится в соответствии с инструкцией по эксплуатации ИС50.00.00 ИЭ.
1.11 Проверка работы блока резервного питания "БРП" на дизель- и электропоезде производится в соответствии с руководством по эксплуатации ДАЛР 64.00.00 РЭ.
Приложение Д
Обязательное
Основные пожароопасные узлы моторвагонного подвижного состава, причины пожаров и меры их предотвращения
| Пожароопасные узлы | Причины пожара | Меры по предотвращению пожара, или требования к техническому состоянию | Примечания |
| 1 | 2 | 3 | 4 |
| Цилиндры дизеля | Взрыв в картере и выброс пламени в дизельное помещение при прогарах днища поршня, обрыве головки, изломе тронковой части (юбки), поломке поршневых колец. | После запуска дизеля проверить отсутствие посторонних шумов и стуков. Перед началом работы дизеля под нагрузкой закрыть вентиль дренажной трубы, т.к. работа с открытым вентилем ведет к снижению количества воздуха, поступающего в цилиндры, и перегреву поршней. В пути следования следить по дифманометру за разряжением в картере, не допуская его снижения меньше установленного. |
|
| Коллекторы выпускные | Скопление топлива в коллекторе с последующим его воспламенением. Пробой газов через уплотнения смотровых крышек. | Не нарушать правил запуска и прогрева дизеля. Не допускать длительной работы дизеля на малых нагрузках. После запуска дизеля пропусков газов не должно быть. Затянуть гайки крепления крышек. |
|
| Дренажная система | Пропуск газов и несгоревших частиц продуктов сгорания через неплотности соединений дренажных труб с выпускными патрубками, запорным вентилем и других резьбовых соединений. Попадание их на поддон и другие промасленные поверхности. Засорение и прогар дренажных труб. | Проверить резьбовые соединения, при необходимости подтянуть. Проверить чистоту и протереть поверхность поддонов и другие, не допуская скоплений масла, топлива, а также неубранных концов, тряпок и т.п. После запуска дизеля убедиться в отсутствии пробоев газов В установленные сроки дренажные трубы должны сниматься, отжигаться и очищаться. |
|
| Трубопроводы топлива и масла | При неплотностях соединений трубопроводов или обрывах труб подвода масла к смазываемым узлам и агрегатам, топливных труб высокого давления и других, масло или топливо воспламеняются от попадания на горячие узлы дизеля, в особенности при попадании на выпускные коллекторы, выпускные патрубки, дренажные трубы и др. | После пуска дизеля убедиться в отсутствии течи через все виды соединений топливного и масляного трубопроводов и особенно в районе выпускного коллектора и дренажных труб. Обратить внимание на состояние масляных резинотканевых рукавов, не допуская эксплуатации с рукавами, имеющими выпучивание или трещины до корда. При обнаружении течи в пути следования на поврежденное место установить специальный хомут | Разработана замена резинотканевых рукавов упругими компенсирующими соединениями телескопического типа |
| Топливный бак | Вытекание топлива по резьбе горловины, облив бака и попадание на него искр. Попадание искр в топливный бак при открытых горловинах. | При наборе топлива не переполнять бак. Уровень топлива должен быть на 50 мм ниже верхнего листа бака. После набора топлива или замера его уровня завинтить пробки, которые должны быть прикреплены к горловине цепочкой. |
|
| Аккумуляторная батарея | Искрение, выброс электролита, замыкания на корпус при повреждении резиновых чехлов. | Проверить состояние и исправность аккумуляторных батарей, отсутствие окислов и солей, отсутствие течи электролита. Все перемычки должны быть целы и надежно закреплены на выводах элементов. |
|
| Провода, подводящие ток к электрооборудованию агрегатов, механизмов и т.п. | Искрения и короткие замыкания в местах подвода проводов, особенно к электродвигателю топливоподкачивающего агрегата, электропневматическим вентилям, распределительным коробкам и т.д. | Проверить целостность изоляции, надежность крепления проводов, наличие защиты от перетирания и дополнительной изоляции проводов на выходах из кондуитов, кожухов, клеммных коробок, штепсельных разъемов, от перетирания об острые кромки элементов конструкции. |
|
| Высоковольтные камеры | Несоответствие плавких вставок и предохранителей установленным характеристикам. Плохое состояние силовых и низковольтовых проводов и их изоляции. Плохое соединение проводов с аппаратами, приборами и др. узлами. Плохое состояние контакторов, реле и других контактных аппаратов. Отсутствие дугогасительных камер или не правильная их установка. Неисправность резисторов. | Проверить соответствие плавких вставок и предохранителей предусмотренным электрической схемой. Проверить плотность контактов в зажимах, состояние изоляционной поверхности вставки. Следов механических повреждений не должно быть. Не должно быть оплавлений, поджогов, изломов или трещин токоведущих деталей, выплавления припоя в месте контакта с кабельными наконечниками. Изоляция должна быть целой, чистой и сухой. Проверить плотность контакта, затяжку болтов, гаек, винтов, убедиться в наличии стопорящих деталей (шплинтов, шайб, контргаек) и правильности их установки. Провода, по той или иной причине, отключенные от схемы, должны быть тщательно заизолированы и закреплены в положении, исключающем возможность их соприкосновения с элементами и корпусом локомотива. Контактные поверхности не должны иметь подгаров и оплавлений, прилегание их друг к другу должно обеспечивать плотный контакт. Износ, разрыв и нажатие контактов должны соответствовать установленным нормам. При уменьшении усилия нажатия против установленного значения производится регулировка аппарата или его замена. Проверить наличие дугогасительных камер и правильность их установки. Дугогасительная камера должна быть надежно закреплена на кронштейне контактора, а ее магнитные полюсы плотно прилегать к магнитным полюсам дугогасительной катушки. Зазоры между краями подвижного контакта и внутренними поверхностями стенок дугогасительной камеры должны допускать свободное движение подвижной части контактора при включении и выключении. Все детали камер должны быть чистыми, не иметь изломов, нагара, следов металлизации, копоти, мест, выгоревших более чем на половину толщины стенок, ослабления крепежных деталей. Резисторы не должны иметь перегоревших витков, изоляторы должны быть чистыми, а подводящие провода и перемычки не иметь подгаров, оплавлений и механических повреждений. |
|
| Чердачные помещения вагонов дизель- и электропоездов | Короткое замыкание проводов к электродвигателям вентиляторов, не исправность нагревательных элементов электрокалориферов, неисправность электродвигателя вентилятора. | При ТО-1 осмотреть состояние электрокалориферов и подводящих проводов. Проверять работу вентиляторов на слух. Не допускать работы электрокалориферов с неработающим вентилятором. |
|
| Межвагонные соединения дизель- и электропоездов | Возникновение дуги и коротких замыканий при слабом контакте высоковольтных межвагонных соединений. | Проверить плотность установки и отсутствие подгаров контактов. |
|
| Тяговые электродвигатели | Ослабление контактов в коннекторных коробках, нарушения изоляции выводных проводов от перетирания или от воздействия влаги и пыли при утере крышек коннекторных коробок или неплотной их установке. Загорание вентиляционных брезентовых патрубков при возникновении кругового огня или коротких замыканий в тяговом электродвигателе. | Осмотреть состояние крепления контактов, удостовериться в наличии и плотной установке крышек коннекторных коробок. Осмотреть патрубки и убедиться в отсутствии подгаров, неплотностей и т.д |
|
| Нерабочая кабина машиниста | Загорания при включенном отоплении. | Не допускать работу отопления без постоянного наблюдения. |
|
Приложение Е
Справочное
ПЕРЕЧЕНЬ
проектов ПКБ ЦТ ОАО "РЖД" по модернизации МВПС с целью повышения их пожарной безопасности
| № п/п | Обозначение | Наименование | Серия МВПС |
| Системы газового пожаротушения | |||
| 1 | ДП266.00.00 | Система газового пожаротушения | Д1 |
| Системы аэрозольного пожаротушения | |||
| 2 | С844.00.00 | Оборудование электропоезда системой аэрозольного пожаротушения | ЭР2 до № 1027 |
| 3 | С847.00.00 | Оборудование электропоезда системой аэрозольного пожаротушения | ЭР2 с № 1028 |
| 4 | С853.00.00 | Оборудование электропоезда системой аэрозольного пожаротушения | ЭР2Р, ЭР2Т, ЭТ2 |
| 5 | С878.00.00 | Оборудование электропоезда системой аэрозольного пожаротушения | ЭР9П до № 344 |
| 6 | С881.00.00 | Оборудование электропоезда системой аэрозольного пожаротушения | ЭР9П с № 345, ЭР9М, ЭР9Е, ЭР9Т |
| 7 | С919.00.00 | Оборудование электропоезда системой аэрозольного пожаротушения | ЭД2Т |
| Системы порошкового пожаротушения | |||
| 8 | С908.00.00 | Оборудование электропоезда системой порошкового пожаротушения | ЭР2 с № 1028 |
| 9 | С950.00.00 | Оборудование электропоезда системой порошкового пожаротушения | ЭР2Р, ЭР2Т, ЭД2Т |
| 10 | С951.00.00 | Оборудование электропоезда системой порошкового пожаротушения | ЭР9, ЭР9П до № 345 |
| 11 | С952.00.00 | Оборудование электропоезда системой порошкового пожаротушения | ЭР9П с № 345, ЭР9М, ЭР9Е, ЭР9Т |
| Системы пожарной сигнализации | |||
| 12 | С836.00.00 | Система пожарной сигнализации "Приз-О" | ЭР2 |
| 13 | С948.00.00 | Система пожарной сигнализации "Приз-О" | ЭР2Р, ЭР2Т, ЭД2Т, ЭТ2 |
| 14 | С949.00.00 | Система пожарной сигнализации "Приз-О" | ЭР9, ЭР9П до № 345 |
| 15 | С953.00.00 | Система пожарной сигнализации "Приз-О" | ЭР9П с № 345, ЭР9М, ЭР9Е, ЭР9Т |
| 16 | С959.00.00 | Система пожарной сигнализации и видеонаблюдения "ССЗН-И-В" | ЭР2 до № 1028, ЭР9, ЭР9П до № 345 |
| 17 | С997.00.00 | Система пожарной сигнализации "Приз-И" | ЭД4М, ЭД4МК, ЭД9М, ЭД9МК |























Комментарии ()