СТО Газпром 2-1.11-170-2007
ОТКРЫТОЕ АКЦИОНЕРНОЕ ОБЩЕСТВО «ГАЗПРОМ»
Общество с ограниченной ответственностью
«Научно-исследовательский институт природных газов и газовых технологий - ВНИИГАЗ»
Общество с ограниченной ответственностью
«Информационно-рекламный центр газовой промышленности»
СТАНДАРТ ОРГАНИЗАЦИИ
ДОКУМЕНТЫ НОРМАТИВНЫЕ ДЛЯ ПРОЕКТИРОВАНИЯ, СТРОИТЕЛЬСТВА И ЭКСПЛУАТАЦИИ ОБЪЕКТОВ ОАО «ГАЗПРОМ»
ИНСТРУКЦИЯ ПО УСТРОЙСТВУ МОЛНИЕЗАЩИТЫ ЗДАНИЙ, СООРУЖЕНИЙ И КОММУНИКАЦИЙ ОАО «ГАЗПРОМ»
СТО Газпром 2-1.11-170-2007
ОКС 29.020, 33.100.01
Дата введения - 2008-03-25
Предисловие
1 РАЗРАБОТАН Обществом с ограниченной ответственностью «Научно-исследовательский институт природных газов и газовых технологий - ВНИИГАЗ»
2 ВНЕСЕН Управлением энергетики Департамента по транспортировке, подземному хранению и использованию газа ОАО «Газпром»
3 УТВЕРЖДЕН И ВВЕДЕН В ДЕЙСТВИЕ Распоряжением ОАО «Газпром» от 15 октября 2007 г. № 337 с 25 марта 2008 г.
4 ВВЕДЕН ВПЕРВЫЕ
Введение
Целью разработки СТО Газпром «Инструкция по устройству молниезащиты зданий, сооружений и коммуникаций ОАО «Газпром» является создание нормативного документа, регламентирующего порядок и методику построения защиты от прямых ударов молнии в здания и сооружения ОАО «Газпром».
Действующие в настоящее время нормативные документы в области молниезащиты: РД 34.24.122-87 «Инструкция по устройству молниезащиты зданий и сооружений» и СО-153-34.21.122-2003 «Инструкция по устройству молниезащиты зданий, сооружений и промышленных коммуникаций» не рассматривают установки, содержащие большие объемы легковоспламеняющихся веществ, и не отражают специфики добычи, транспорта и хранения газа. Предписания стандарта по молниезащите МЭК 62305:2006 также относятся к обычным объектам, не связанным с взрывоопасностью.
Настоящий стандарт разработан в развитие указанных документов с учетом специфики объектов ОАО «Газпром» и является основополагающим документом по устройству молниезащиты зданий, сооружений и коммуникаций. Положения настоящего стандарта касаются не только средств защиты объектов от прямого удара молнии, но и от других газоразрядных явлений во время грозы, опасных для объектов ОАО «Газпром».
1 Область применения
1.1 Настоящий стандарт устанавливает порядок устройства средств защиты от прямых ударов молнии на производственных объектах ОАО «Газпром» при строительстве новых или реконструкции (модернизации) действующих объектов.
1.2 Стандарт должен использоваться при проектировании новых объектов, а также при реконструкции и текущей проверке состояния систем молниезащиты действующих объектов.
1.3 Стандарт устанавливает требования к средствам защиты, ориентированным на пассивные молниеотводы. При проектировании установки активных молниеотводов любых видов необходимо оперировать зонами защиты тех же размеров, что у пассивных молниеотводов аналогичной высоты.
2 Термины и определения
В настоящем стандарте применены следующие термины с соответствующими определениями:
2.1 безопасное расстояние: Минимальное расстояние между двумя проводящими элементами вне или внутри защищаемого объекта, при котором между ними не может произойти опасного искрения.
2.2 встречный разряд: Искровой канал, формирующийся от проводящих конструкций наземного сооружения в электрическом поле грозового облака и лидера нисходящей молнии.
2.3 допустимая вероятность прорыва молнии: Предельно допустимая вероятность удара молнии в объект, защищаемый молниеотводами.
2.4 заземлитель: Проводящая часть или совокупность соединенных между собой проводящих частей, находящихся в электрическом контакте с землей непосредственно или через промежуточную проводящую среду.
2.5 заземляющий контур: Заземляющий проводник в виде замкнутой петли вокруг объекта в земле или на ее поверхности.
2.6 заземлитель технологический: Заземлитель, используемый для жесткой связи с землей электрических коммуникаций объекта, корпусов аппаратуры, экранов и измерительных приборов.
2.7 заземляющий электрод: Металлический элемент заземлителя (горизонтальный или вертикальный), обеспечивающий непосредственный электрический контакт с грунтом для отвода в него тока молнии.
2.8 защищаемый объект: Здание, сооружение (или их часть), пространство с газовыми выбросами, а также участок поверхности земли, для которых выполняется молниезащита.
2.9 зона защиты молниеотвода: Пространство в окрестности молниеотвода заданной геометрии, отличающееся тем, что вероятность удара молнии в объект, целиком размещенный в его объеме, не превышает заданной величины.
2.10 искровой разряд: Электрический разряд вдоль поверхности грунта (в глубине грунта), который формируется от точки удара молнии или от заземлителя пораженного сооружения.
2.11 категория молниезащиты: Объем требований к молниезащите определенной группы объектов.
2.12 компонент молнии: Один из искровых разрядов, из которых состоит удар молнии в землю.
2.13 металлические конструкции: Металлические элементы, расположенные внутри (или на поверхности) защищаемого объекта и способные участвовать в растекании части тока молнии (водопровод и канализация, лестницы, направляющие лифтов, воздуховоды вентиляции и кондиционирования, отопительные трубы, соединенная между собой стальная арматура).
2.14 молниезащитная сетка: Молниеотвод, молниеприемником которого является металлическая сетка.
2.15 молниеприемник: Часть молниеотвода, предназначенная для непосредственного контакта с каналом молнии.
2.16 молниеотвод: Устройство, состоящее из молниеприемника, токоотвода и заземлителя.
2.17 молниеотвод естественный: Наземное сооружение, способное принимать на себя удары молнии и защищающие таким образом соседние объекты.
2.18 молниеотвод активный: Молниеотвод, молниеприемник которого оказывает искусственное воздействие на молнию.
2.19 молниеотвод, отдельно стоящий: Молниеотвод, молниеприемники и токоотводы которого расположены таким образом, чтобы путь тока молнии не имел контакта с защищаемым объектом.
2.20 молниеотвод стержневой: Молниеотвод с молниеприемником в виде стержня.
2.21 молниеотвод тросовый: Молниеотвод с молниеприемником в виде троса.
2.22 молниеотвод, установленный на защищаемом объекте: Молниеотвод, молниеприемники и токоотводы которого установлены таким образом, что часть тока молнии может растекаться через защищаемый объект или его заземлитель.
2.23 молния восходящая: Молния, стартовавшая от наземного сооружения и развивающаяся к грозовому облаку.
2.24 молния исходящая: Молния, стартовавшая в грозовом облаке и развивающаяся в направлении земли.
2.25 надежность защиты: Доля молний, перехватываемых молниеотводами по отношению к их полному числу в рассматриваемой системе.
2.26 опасное искрение: Недопустимый электрический разряд в защищаемом объеме, вызванный ударом молнии.
2.27 потенциал заземлителя: Напряжение на заземлителе относительно бесконечно удаленной точки земли.
2.28 предварительно напряженный бетон: Бетон, содержащий металлическую арматуру с предварительным механическим усилием.
2.29 промышленные коммуникации: Наземные или подземные силовые и информационные кабели, проводящие трубопроводы, изоляционные трубопроводы с внутренней проводящей средой.
2.30 сопротивление заземления: Отношение между потенциалом заземлителя и током через него.
Примечание - Измерения проводятся при воздействии постоянного тока или переменного тока промышленной частоты.
2.31 сопротивление заземления импульсное: Отношение амплитудных значений импульсного потенциала заземлителя к импульсному току через заземлитель.
Примечание - Измерения импульсного сопротивления заземления должны производиться при импульсном напряжении с временными параметрами 10/350 мкс, нормированными стандартом МЭК 62305:2006 [3] для первого компонента тока отрицательной молнии.
2.32 токоотвод (спуск): Часть молниеотвода, предназначенная для отвода тока молнии от молниеприемника к заземлителю.
2.33 точка поражения: Точка, в которой канал молнии соприкасается с землей или наземными сооружениями.
Примечание - Удар молнии может иметь несколько точек поражения.
2.34 удар молнии в землю: Искровой разряд в электрическом поле атмосферы между грозовым облаком и землей, состоящий из одного или нескольких импульсов тока.
2.35 уравнивание потенциалов: Соединение проводником точек, между которыми возможно возникновение разности потенциалов.
2.36 устройство для выравнивания потенциалов: Элемент устройства защиты, ограничивающий разность потенциалов, обусловленную растеканием тока молнии.
2.37 устройство защиты от вторичных воздействий молнии: Устройство, ограничивающее воздействия электрического и магнитного полей, возникающих при ударе молнии.
2.38 устройство молниезащиты: Система, снижающая опасные воздействия от ударов молнии в защищаемый объект, содержащая в себе внешние и внутренние устройства.
Примечание - В настоящем стандарте не рассматриваются внутренние устройства, устанавливаемые в оборудовании и предназначенные для защиты от электромагнитных воздействий разрядов молнии.
3 Общие положения
3.1 Средства и методы защиты от молнии, излагаемые в настоящем стандарте, позволяют снизить вероятность поражения объекта. Методы молниезащиты должны быть выбраны на стадии проектирования объекта, чтобы максимально использовать конструктивные элементы последнего в качестве молниезащитных устройств.
3.2 Категория молниезащиты объекта устанавливается исходя из степени опасности удара молнии для самого объекта и работающего персонала, стоимости возможных ущербов, воздействия на соседние здания и сооружения, а также на экологическую обстановку в месте дислокации. Для зданий, сооружений и промышленных коммуникаций устанавливаются четыре категории защиты от прямых ударов молнии и их последствий.
3.2.1 Первая категория молниезащиты предусматривает использование молниеотводов, обеспечивающих в совокупности защиту объектов от прямых ударов молнии с надежностью 0,999. При наличии взрыво- и пожароопасных выбросов в атмосферу в зону защиты молниеотводов должен попадать весь объем газовой струи. При сосредоточении тяжелых горючих газовых фракций у поверхности земли конструкция заземлителей должна исключать возникновение искровых разрядов в пожароопасной области. Конструкция контуров заземления объекта должна обеспечивать защиту от заноса высокого потенциала по наземным и подземным коммуникациям, а также защиту от искрений в результате электромагнитной и электростатической индукции.
Защита по первой категории рекомендуется в местах со средней продолжительностью гроз в год 10 ч и более для особо ответственных объектов, аварийное повреждение которых может привести к человеческим жертвам, экологической катастрофе, крупным экономическим ущербам, нарушению нормального жизнеобеспечения населения на значительной площади.
3.2.2 Вторая категория молниезащиты предусматривает использование молниеотводов, обеспечивающих в совокупности защиту объектов от прямых ударов молнии с надежностью не менее 0,99.
Защита по второй категории используется в местах со средней продолжительностью гроз в год менее 10 ч или если вся совокупность технологически связанных объектов поражается молниями в среднем не чаще, чем один раз за 100 лет эксплуатации. Защита по второй категории рекомендуется также для объектов, аварийное повреждение которых может привести к большим экономическим ущербам, травмам людей и животных, нарушениям нормального жизнеобеспечения населенных пунктов.
3.2.3 Третья категория молниезащиты предусматривает использование молниеотводов, обеспечивающих в совокупности защиту объектов от прямых ударов молнии с надежностью не менее 0,9, или молниезащитных сеток. При ожидаемой частоте ударов в совокупность технологически связанных между собой защищаемых объектов более одного за 10 лет эксплуатации рекомендуется использовать молниеотводы с надежностью 0,99.
Защита по третьей категории рекомендуется для объектов, где образование взрывоопасных (пожароопасных) газовых выбросов и протечек топлива возможно только кратковременно, в аварийных ситуациях и при плановых ремонтах, а локальный поджиг выбросов не ведет к развивающейся аварии.
3.2.4 Четвертая категория молниезащиты предусматривает использование естественных молниеотводов, обеспечивающих надежность защиты 0,9, или молниезащитных сеток. Устройство токоотводов и заземлителей молниезащиты должно обеспечивать безопасный отвод тока молнии в землю.
Защита по четвертой категории рекомендуется для вспомогательных зданий и сооружений, не создающих горючих и взрывоопасных выбросов и не содержащих микропроцессорную технику.
3.3 Плотность ударов молнии в землю, выраженную через число поражений квадратного километра земной поверхности за год, определяют по данным метеорологических наблюдений в месте размещения объекта.
Если плотность ударов молнии в землю Ng, 1/км2/год, неизвестна, ее необходимо оценивать по следующей формуле:
(3.1)
где Тd - число дней с грозой за год, определенное по региональным картам интенсивности грозовой деятельности.
4 Защита от прямых ударов молнии
4.1 Комплекс средств защиты от прямых ударов молнии включает в себя систему молниеотводов различного исполнения: стержневых, тросовых или выполненных в виде молниезащитной сетки. Необходимо использовать естественные молниеотводы, роль которых могут исполнять сооружения и их фрагменты, способные без аварийных последствий принять на себя удар молнии и безопасным образом отвести ее ток в землю.
4.2 Молниеотводы могут быть изолированы от защищаемого объекта (отдельно стоящие молниеотводы) или устанавливаться непосредственно на нем. В последнем случае металлические конструктивные элементы объекта могут быть частью молниеотвода (молниеприемником, спуском или заземлителем), если они отвечают требованиям пункта 4.6.
4.3 Ток молнии, ударившей в молниеприемник, отводится в заземлитель через систему токоотводов (спусков) и растекается в земле.
4.4 Защитное действие молниеотводов характеризуется ожидаемой вероятностью прорыва молнии Рпр и надежностью защиты Фзащ. Величина Рпр характеризует долю молний, прорвавшихся к объекту, из всех ориентированных в направлении объекта и защищающих его молниеотводов; величина Фзащ определяет долю молний, перехваченных молниеотводами, поэтому:
Рпр = 1 - Фзащ. (4.1)
Проектирование системы молниеотводов производится, исходя из допустимого числа прорывов молнии к защищаемому объекту Nпр в течение заданного срока эксплуатации tэксп. Молниеотводы выбраны правильно, если
Рпр×NS×tэксп < Nпр, (4.2)
где NS- среднегодовое число ударов молнии в систему, состоящую из защищаемых объектов и их молниеотводов.
В зону защиты молниеотвода помимо защищаемого объекта включается объем, заполняемый горючими газовыми выбросами во время нормального технологического цикла, за исключением постоянно горящих газовых факелов.
4.5 Для проведения проектных расчетов в приложении А приведены расчетные соотношения для построения типовых зон защиты одиночных и двойных тросовых и стержневых молниеотводов высотой до 150 м, а также замкнутого троса высотой до 60 м, опоясывающего защищаемый объект по внешнему периметру.
4.6 Минимально допустимые сечения элементов молниеприемников, токоотводов и заземляющих проводников представлены в таблице 4.1. Данные приведены в соответствии с требованиями международного стандарта МЭК 62305:2006 [3].
Таблица 4.1 - Материал и минимально допустимые сечения элементов молниеотводов
| Материал | Молниеприемник, мм2 | Токоотвод, мм2 | Заземлитель, мм2 |
| Сталь | 50 | 50 | 80 |
| Алюминий | 70 | 25 | Не используется |
| Медь | 35 | 16 | 50 |
Примечание - Стальные элементы молниеотводов, изготовленных до ввода в действие настоящего стандарта и соответствующие по сечению действовавшим ранее нормам, могут быть оставлены без изменений до ближайшей плановой реконструкции.
В коррозионно-активных грунтах рекомендуется использование медных проводников вследствие большей коррозионной стойкости. Использование алюминия для подземных шин не допускается из-за малой устойчивости к коррозии.
4.6.1 При размещении в объеме с взрывоопасной концентрацией газовой смеси, возгорание которой не допускается, внешний радиус молниеприемника необходимо выбирать с учетом требований 5.3, чтобы исключить образование незавершенных встречных разрядов, способных поджечь газовую смесь.
4.6.2 В качестве естественных молниеприемников могут использоваться следующие конструктивные элементы зданий и сооружений:
а) металлические кровли защищаемых объектов при условии, что:
- обеспечен электрический контакт между разными частями элементов зданий и сооружений;
- толщина металла кровли составляет не менее 4 мм для железа, 5 мм для меди и 7 мм для алюминия, если необходимо предохранить кровлю от повреждения или прожога;
- толщина металла кровли составляет не менее 0,5 мм, если ее необязательно защищать от повреждений и нет опасности воспламенения находящихся под кровлей горючих материалов;
- кровля не имеет изоляционного покрытия, причем небольшой слой антикоррозионной краски или слой асфальтового покрытия толщиной до 0,5 мм или слой полихлорвинила толщиной до 1 мм не считается изоляцией;
- неметаллические покрытия на или под металлической кровлей не выходят за пределы защищаемого объекта;
б) металлические конструкции крыши (фермы, соединенная между собой стальная арматура и т.п.);
в) металлические элементы типа водосточных труб, украшений, ограждений по краю крыши и т.п., если их сечение не меньше величин, установленных для обычных молниеприемников;
г) металлические трубы и резервуары, если они выполнены из металла толщиной не менее 2,5 мм и если прожог этого металла не приведет к опасным или недопустимым последствиям;
д) металлические трубы и резервуары, если они выполнены из металла толщиной не менее 4 мм для железа, 5 мм для меди и 7 мм для алюминия и если повышение температуры с внутренней стороны в точке удара молнии не представляет опасности.
4.6.3 При использовании естественных молниеприемников, полностью или частично расположенных в объеме взрывоопасного газового выброса, возгорание которого недопустимо, следует контролировать соответствие радиуса молниеприемника критериям 5.3, исключающим развитие элементов встречных разрядов, способных инициировать возгорание газа.
4.7 Токоотводы следует прокладывать по прямым и вертикальным линиям, избегая петель. Сечение токоотвода должно соответствовать требованиям таблицы 4.1. Если токоотвод проходит через зоны взрыво- или пожароопасных выбросов, его радиус должен отвечать требованиям 5.3.
4.7.1 От каждого молниеприемника должно быть проложено не менее двух токоотводов. Тросовый молниеотвод или молниеотвод в виде сетки должен иметь не менее одного токоотвода из каждого узла крепления.
Молниеприемники и токоотводы должны быть жестко закреплены, чтобы исключить любой разрыв или ослабление крепления проводников под действием электродинамических сил или случайных механических воздействий.
Количество соединений по трассе токоотвода должно быть сведено к минимуму. Соединения должны выполняться сваркой, пайкой, а как исключение - вставкой в зажимной наконечник или болтовым креплением.
4.7.2 Токоотводы от крыши сооружения, принимающей на себя удары молнии, или от установленных там молниеприемников располагаются таким образом, чтобы средние расстояния между ними были не больше указанных в таблице 4.2.
Токоотводы должны быть объединены горизонтальными поясами вблизи поверхности земли и через каждые 20 м по высоте здания или сооружения для уравнивания потенциалов. Токоотводы размещают с равным шагом по периметру защищаемого объекта и вблизи его углов.
Таблица 4.2 - Средние расстояния между токоотводами в зависимости от уровня защищенности
| Категория молниезащиты | Среднее расстояние, м |
| I | 10 |
| II | 15 |
| III | 20 |
| IV | 25 |
4.7.3 Неизолированные от защищаемого объекта токоотводы должны прокладываться следующим образом:
- если стена выполнена из негорючего материала, токоотводы могут быть закреплены непосредственно на поверхности стены или проходить под негорючим декоративным покрытием;
- по стене из горючего материала, при условии, что превышение температуры при распространении тока молнии не представляет опасности для этого материала;
- если стена выполнена из горючего материала и повышение температуры токоотводов представляет для него опасность, токоотводы должны располагаться таким образом, чтобы расстояние между ними и защищаемым объектом всегда превышало 0,1 м. Металлические скобы для крепления токоотводов могут быть в контакте со стеной.
Примечание - Рекомендуется размещать токоотводы на максимально возможных расстояниях от дверей и окон. Нельзя прокладывать токоотводы в водосточных трубах.
4.7.4 Следующие конструктивные элементы зданий могут считаться «естественными» токоотводами:
а) металлические конструкции при условии, что:
- электрический контакт между разными элементами конструкции соответствует требованиям 4.7.1 к способам соединения;
- конструктивные элементы имеют сечения и толщины, не меньшие, чем требуются для специально предусмотренных токоотводов;
Примечание - Металлические конструкции могут иметь изоляционное покрытие.
б) металлический каркас здания или сооружения;
в) соединенная между собой стальная арматура здания или сооружения;
Примечание - Если используется предварительно напряженный бетон, необходимо учитывать возможные последствия протекания по арматуре тока молнии, который может вызвать недопустимые механические нагрузки.
г) части фасада, профилированные элементы и опорные металлические конструкции фасада при условии, что:
- их размеры соответствуют требованиям, относящимся к токоотводам, а их толщина составляет не менее 0,5 мм;
- металлическая арматура железобетонных строений удовлетворяет следующим условиям:
1) примерно 50 % соединений вертикальных и горизонтальных стержней выполнены сваркой или имеют жесткую связь;
2) вертикальные стержни соединены сваркой или внахлест на отрезке длиной не менее 20 их диаметров и жестко закреплены;
3) электрический контакт обеспечен между стальной арматурой различных заранее заготовленных бетонных блоков и арматурой бетонных блоков, подготовленных на месте.
Прокладку горизонтальных поясов не применяют, если металлические каркасы здания или стальная арматура железобетона используются как токоотводы.
В качестве токоотводов молниеприемников, установленных на металлических опорах, могут использоваться их металлоконструкции, при условии, что сечение металла удовлетворяет требованиям таблицы 4.1.
4.8 Заземляющие устройства зданий и сооружений и молниезащиты второй и третьей категорий этих зданий и сооружений, как правило, должны быть общими согласно ПУЭ [4].
4.8.1 Заземлители отдельно стоящих молниеотводов, защищающих от прямых ударов молнии, должны быть отдельными от заземлителей других систем. Использовать производственные трубопроводы в качестве заземлителей таких молниеотводов запрещается. Для заземлителей молниеотводов необходимо использовать один или несколько контуров, охватывающих защищаемые объекты по внешнему периметру, вертикальные (наклонные) электроды, радиально расходящиеся горизонтальные шины, заземляющий контур на дне котлована строящегося объекта, заземляющие сетки.
4.8.2 Для устранения искровых разрядов, скользящих вдоль поверхности грунта, а также для устройства заземлителя отдельно стоящего молниеотвода, когда необходимо ограничить долю тока молнии, ответвляющегося в заземлители соседних объектов, должны использоваться заземляющие электроды, заглубленные более чем на 10 м.
4.8.3 Горизонтальные заземляющие электроды должны прокладываться на глубине не менее 0,5 м в непросохшем грунте. В районах с вечномерзлыми грунтами необходимо использовать горизонтальные шины, которые в грозовой сезон располагаются в оттаявшем слое, или вертикальные электроды большой длины, проходящие сквозь мерзлый грунт до незамерзающих пород.
Заземлитель в виде наружного контура необходимо прокладывать по внешнему периметру сооружения на глубине не менее 0,5 м от поверхности земли и на расстоянии не менее 1 м от стен.
4.8.4 В качестве заземляющих электродов может использоваться соединенная между собой арматура железобетонных фундаментов или иные подземные металлические конструкции, отвечающие по надежности соединений требованиям, предъявляемым к токоотводам, согласно 4.7.1 и 4.7.2.
Фундаменты зданий, предназначенные к использованию в качестве заземлителей, должны отвечать следующим условиям:
- площадь поверхности контакта фундамента с грунтом должна составлять не менее 10 м2;
- фундамент эксплуатируется без покрытия либо имеет битумные или битумно-латексные (неэпоксидные или другие полимерные) покрытия;
- грунт имеет влажность не менее 3 %.
Примечание - Если используется предварительно напряженный бетон, следует учесть возможные последствия протекания по арматуре тока молнии, который может вызвать недопустимые механические нагрузки.
4.8.5 Для объектов первой и второй категорий, независимо от сопротивления заземления естественных заземлителей, по внешнему периметру прокладывается замкнутый контур заземления, представляющий собой горизонтальную шину, которая в случае необходимости может быть дополнена вертикальными электродами. К этому контуру по кратчайшему расстоянию должны быть присоединены все токоотводы объекта, а также естественные заземлители. Шаг связи естественных заземлителей с контуром должен быть не менее шага присоединения токоотводов. Аналогичный контур заземления рекомендуется прокладывать при исполнении других категорий молниезащиты в случае больших объемов микроэлектронных устройств в объеме защищаемого объекта. Требования к сопротивлению заземления объектов установлены ПУЭ [4].
4.9 Молниеотводы, монтируемые на защищаемом объекте, а также его конструктивные элементы, используемые в качестве молниеприемников, присоединяются к технологическому заземлителю объекта или к единому контуру заземления комплекса сооружений. Так же необходимо поступать при использовании молниеотводов, удаленных от защищаемого объекта, но не рассматриваемых в качестве отдельно стоящих.
4.9.1 Отдельно стоящие стержневые молниеотводы и каждая опора отдельно стоящих тросовых молниеотводов должны иметь сопротивление заземления не более 10 Ом для объектов первой и второй категорий молниезащиты и не более 20 Ом - для остальных категорий. При удельном сопротивлении грунта свыше 500 Ом × м допускается увеличить величину сопротивления заземления для объектов первой и второй категорий согласно выражению
R3 = 10 + 0,0022(r - 500), (4.3)
где R3 - сопротивление заземления, Ом;
r - удельное сопротивление грунта, Ом×м.
Для других категорий допустимые значения R3могут быть удвоены, а предельное значение увеличено до 40 Ом. Сопротивление заземления отдельно стоящих молниеотводов должно контролироваться стандартными измерительными средствами на постоянном токе или токе промышленной частоты.
4.9.2 В грунтах с высоким удельным сопротивлением для снижения сопротивления заземления молниеотводов допустима частичная замена грунта или обработка его раствором электролита, допустимого к применению по условиям коррозионной стойкости подземных металлоконструкций, а также использование химически активных заземляющих электродов при условии, что фирма-изготовитель гарантирует их эффективность в данном типе грунта. Замена грунта и химическая обработка должны производиться в пределах круга радиусом не менее 20 м. Элементы фундамента молниеотвода могут использоваться в качестве заземляющих электродов, если они сами по себе или в комбинации с другими заземляющими устройствами обеспечивают нормированное сопротивление заземления.
4.10 Ожидаемое число N ударов молнией в объект определяют по формуле
N = n×Fст, (4.4)
где п - удельная плотность ударов молнии в землю в месте нахождения объекта, зависящая от интенсивности грозовой деятельности в разных регионах страны, удар/(км2/год)-1;
fст - площадь области стягивания разрядов молнии к объекту, км2.
Для объекта высотой hвеличина fст складывается из площади основания объекта и площади полосы шириной 3h, охватывающей его основание по внешнему периметру.
Удельная плотность ударов молнии в землю п для данной местности задается в зависимости от продолжительности гроз П, ч/год. Значения П определяют по средним многолетним данным метеостанций, ближайших к месту дислокации объекта, либо по утвержденным для регионов картам интенсивности грозовой деятельности. Усредненная связь между nи П на территории России представлена в таблице 4.3.
Ниже приведены формулы для оценки ожидаемого числа поражений молнией объектов с заданной геометрией. Все габаритные размеры объектов вводятся в расчетные формулы в метрах.
а) Сосредоточенные объекты, размеры которых в плане пренебрежимо малы по сравнению с их высотой h(например, прожекторные мачты).
Таблица 4.3 - Соотношение между среднегодовой продолжительностью гроз и плотностью ударов молнии в поверхность земли
| Среднегодовая продолжительность гроз П, ч/год | Плотность ударов молнии в землю п, удар/км2/год |
| 10-20 | 1,0 |
| 20-40 | 2,0 |
| 40-60 | 4,0 |
| 60-80 | 5,5 |
| 80-100 | 7,0 |
| 100 и более | 8,5 |
Область стягивания - круг радиусом R= 3 ×h и площадью Fст, км2,
Fст =9 × 10-6p×h2, (4.5)
чему соответствует
N = 9 ×10-6p× n× h2. (4.6)
б) Протяженная горизонтальная конструкция длиной Lи высотой h (например, трубопровод, трос, провод и т.п.).
Область стягивания - прямоугольник длиной Lи шириной 6×h, по концам которого расположены полукруги радиусом 3 ×h:
N = (6×L×h + 9 ×p× h2) × n × 10-6. (4.7)
в) Прямоугольное здание высотой h, длиной Lи шириной G.
Область стягивания - прямоугольник со сторонами (L + 6 ×h) и (G + 6 ×h), за вычетом площади скругленных углов, приблизительно равной 7,7 ×h2.
N = [(L + 6 ×h) + (G + 6 ×h) - 7,7 ×h2] ×n× 10-6. (4.8)
г) Объект полусферической формы радиусом r.
Область стягивания - круг радиусом R» 3,17 ×r, откуда
N»p×r2×n× 10-5. (4.9)
д) Объект в виде конуса высотой hи радиусом r.
Область стягивания - круг радиусом R= 3 ×hпри угле при основании конуса j > 18° и R = rпри j£ 18°:
N»p×R2×n× 10-6. (4.10)
е) Объект цилиндрической формы радиусом rи высотой h.
Область стягивания - круг радиусом R= r + 3 ×h:
N»p×n (r + 3 ×h)2× 10-6. (4.11)
Если сверху цилиндр имеет сферическое скругление или коническую вершину с максимальной высотой над уровнем земли h, радиус стягивания определяется как наибольшее из двух значений R = 3 ×h и R = r + 3 ×h.
ж) Для объектов, составленных из нескольких геометрических фигур, для каждой из которых площадь стягивания известна, суммарная площадь стягивания определяется положением огибающей всех отдельных площадей.
4.11 Для защиты от прямых ударов молнии следует максимально использовать естественные молниеотводы, а если обеспечиваемая ими защищенность недостаточна - в комбинации со специально установленными молниеотводами.
4.11.1 Если защита объекта обеспечивается простейшими молниеотводами (одиночным стержневым, одиночным тросовым, двойным стержневым, двойным тросовым, замкнутым тросовым), размеры молниеотводов можно определять, пользуясь заданными в настоящем документе типовыми зонами защиты.
4.11.2 Типовые зоны защиты стержневых и тросовых молниеотводов вычисляются в предположении, что защищаемый объект целиком заполняет объем зоны. При частичном заполнении этого объема фактическая надежность защиты повышается тем сильнее, чем дальше располагается объект от границы зоны и чем меньшую часть зоны он занимает. Расчет зон защиты молниеотводов приведен в приложении А.
4.11.3 Молниезащитные сетки используются с типовыми размерами не более 6 ´ 6 м2 или 12 ´ 12 м2. При укладке на поверхности крыши здания или сооружения сетка не защищает никаких возвышающихся над ней конструктивных элементов или газовых выбросов. В отношении металлических или проводящих элементов ниже уровня сетки ее можно рассматривать как систему тросовых молниеотводов.
4.11.4 Установка сетки на крыше не препятствует ударам молнии в металлическую арматуру железобетонных плит крыши и контакту канала разряда молнии с гидро- и теплоизоляционными покрытиями.
4.11.5 Использование молниезащитной сетки способствует равномерному распределению тока молнии между токоотводами и улучшает электромагнитную обстановку в защищаемом объеме. С этой целью все продольные и поперечные проводники сетки на своих концах должны быть связаны по кратчайшему расстоянию с токоотводами.
4.11.6 Для зданий высотой выше 20 м молниезащитная сетка должна укладываться на крыше и на поверхности стен до уровня последнего перед поверхностью земли горизонтального пояса для уравнивания потенциалов, размещаемого на уровне 20 м над поверхностью земли. Допускается совмещение проводников сетки с проводниками уравнивающих поясов, а также с другими наружными металлоконструкциями (например, с арматурой стеклопакетов), если они надежно связаны с землей, а по сечению металла отвечают требованиям таблицы 4.1.
4.11.7 Для объектов первой и второй категорий молниезащиты молниезащитная сетка, уложенная на крыше, может использоваться только в качестве вспомогательного средства. Исключение составляют технологические установки или эстакады под крышей или навесом такой высоты, что защищаемые объекты (вместе с зонами взрывоопасных выбросов) оказываются в зоне защиты многократного тросового молниеотвода, который организован проводниками сетки. В этом случае при выборе сечения проводников сетки помимо требований таблицы 4.1 следует учитывать требования 5.2 и 5.3. Допускается использовать сетку, поднятую над крышей высотных зданий для защиты технологического оборудования, размещенного на крыше, когда для этой цели не удается использовать другие типы молниеотводов, в т.ч. замкнутые тросовые. Высота размещения проводников сетки должна исключать обратные перекрытия на защищаемое оборудование (см. 5.2). При этом длину изоляционных промежутков следует устанавливать, исходя из высоты подвеса сетки относительно уровня крыши.
4.11.8 Для защиты зданий по третьей категории применяют сетку 6 ´ 6 м2. Для защиты зданий по четвертой категории применяют сетку 12 ´ 12 м2.
4.12 Защита от грозовых индуцированных перенапряжений кабельных коммуникаций, проложенных на эстакадах, должна осуществляться согласно предписаниям ПУЭ [4].
4.12.1 Наземные кабели в металлических или диэлектрических оболочках могут заносить высокий потенциал в защищаемый объем зданий, а также в места размещения наружных установок. Для защиты от заноса высоких потенциалов по кабельным трассам рекомендуется во всех возможных случаях осуществлять прокладку кабелей с диэлектрическими оболочками в металлических трубах или металлических коробах. При надземной прокладке экранирующие трубы и короба должны заземляться перед вводом в защищаемую зону не менее чем на двух опорах коммуникации, ближайших к месту ввода, а далее - присоединяться к контуру заземления защищаемого объекта. Сопротивление заземления каждого заземлителя опор коммуникации выбирается аналогично сопротивлению заземления молниеотвода.
4.12.2 Трасса наземных кабельных коммуникаций должна проходить на расстоянии не менее 10 м от заземлителей всех молниеотводов. Такое же или большее расстояние следует выдерживать между заземляющими электродами молниеотвода и коммуникаций.
4.12.3 Заземлители кабельной коммуникации не должны монтироваться в зоне постоянных протечек жидкого топлива или в местах скопления тяжелых горючих газовых фракций, расстояние от заземлителя до таких мест должно быть не менее 10 м.
4.12.4 В случае размещения на эстакаде нескольких кабелей в металлических оболочках или нескольких экранирующих металлических труб (коробов) при их сближении на расстояние менее 10 см следует устанавливать металлические перемычки, уравнивающие потенциалы. Установка первой перемычки осуществляется на расстоянии 20 м от защищаемого объема с горючими газовыми выбросами, а затем - через каждые 10 м по трассе внутри защищаемого объема. Перемычки изготавливаются из стальной проволоки диаметром не менее 5 мм или из гибкого медного провода аналогичного сечения.
4.12.5 В случае открытой прокладки неэкранированных кабелей с диэлектрическими оболочками до входа в защищаемую зону они должны быть оснащены ограничителями перенапряжений, гарантирующими отсутствие искрений во взрывоопасном объеме.
5 Защита от искрообразования во взрывоопасной среде
5.1 Защита от обратных перекрытий по воздуху является обязательной, когда недопустимо растекание тока молнии или его части по конструктивным элементам защищаемого сооружения, а также когда существует вероятность проникновения образующегося искрового канала в область, заполненную горючей газовой смесью.
5.2 Защита от обратных перекрытий по воздуху достигается за счет обеспечения безопасного расстояния Sвмежду объектом и стержневым молниеотводом или опорой тросового молниеотвода:
- при удельном сопротивлении грунта менее 500 Ом × м - Sв не меньше 7 м;
- при удельном сопротивлении грунта от 500 до 2500 Ом × м расчет минимального требуемого расстояния Sв, м, производят по формуле
Sв= 7 + 3 ´ 10-3 (r - 500); (5.1)
- при удельном сопротивлении грунта r > 2500 Ом × м расстояние между объектом и молниеотводом Sвпринимают 15 м.
Для зданий и сооружений высотой hсвыше 30 м независимо от удельного сопротивления грунта расчетное значение Sвдополнительно увеличивают на величину DS, м, вычисляемую по формуле
DS = 0,1 ×h - 3. (5.2)
Минимальное расстояние Sвт между тросовым молниеприемником и объектом, включая его зоны взрывоопасности, определяют так же, как и Sв.
Для тросового молниеотвода общей протяженностью свыше 60 м (сумма длины троса в пролете и двух высот опор) расстояние Sвтдополнительно увеличивают на 1 м из расчета на каждые 20 м длины свыше 60 м независимо от удельного сопротивления грунта.
5.3 Защита от незавершенных встречных искровых разрядов
5.3.1 Незавершенные встречные разряды от внешних конструктивных элементов защищаемого объекта представляют опасность, когда эти элементы могут непосредственно соприкасаться с областью выброса легко воспламеняющихся или взрывоопасных газовых смесей. Мероприятия по подавлению встречных незавершенных искровых разрядов осуществляются для:
- частей молниеприемников и токоотводов, которые располагаются в зоне опасных газовых выбросов либо удалены от них в радиальном направлении или вниз на расстояние менее 1,0 м;
- металлоконструкций зданий и сооружений, возвышающихся более чем на 0,5 м над крышей и соприкасающихся с зоной опасных выбросов.
В зоне опасных выбросов не должно находиться никаких металлических предметов и конструкций высотой более 0,5 м, не предусмотренных проектной документацией, в том числе временно установленных.
5.3.2 Встречные разряды от боковой поверхности молниеприемников и токоотводов подавляются увеличением радиуса тонкостенных труб кругового сечения. При этом сечение металла должно соответствовать требованиям таблицы 4.1, а радиус внешней поверхности должен ограничивать максимальное значение напряженности электрического поля ниже критического значения Екр, кВ/см, вычисляемого по формуле:
Екр = 25 ×d,
где d - относительная плотность воздуха в месте размещения объекта (для равнинной местности d = 1).
Упрощенный расчет допустимого радиуса стержневых молниеотводов, электростатических экранов, диаметров экранирующих труб приведен в приложении Б.
5.3.3 Установка экранов нецелесообразна, если без больших материальных затрат можно увеличить радиус кривизны металлоконструкции до величины rкр, задаваемой в приложении Б.
5.3.4 Поверхность защитных экранов должна быть гладкой, а все крепежные и другие выступающие детали следует располагать на внутренней или нижней поверхности экранов. Электрическое соединение экрана с защищаемой конструкцией должно осуществляться не менее чем в двух точках. В качестве элементов контактной группы допускается использовать узел крепления экрана либо предусматривать специальные металлические перемычки из медной проволоки диаметром не менее 5 мм или гибкой ленты сечением не менее 24 мм2.
5.4 Защита от искрений вследствие электростатической или электромагнитной индукции
5.4.1 Искрения вследствие электростатической индукции в помещениях со взрывоопасной концентрацией устраняются жестким присоединением металлических конструкций (кровли, ферм, балок, кранов, подкрановых путей, трубопроводов и т. п.) и металлических корпусов оборудования к общему технологическому заземлителю сооружения. Подвижные металлические конструкции (например, резервуары с плавающими крышами) соединяются с заземлителем не менее чем двумя гибкими перемычками. Также поступают с элементами наружных установок, находящихся в объеме газовых взрыво- или пожароопасных выбросов, при нормальном технологическом цикле.
5.4.2 Сечения заземляющих проводников и гибких перемычек, по которым не может непосредственно протекать ток молнии, должны быть не менее 6 мм2, 10 мм2 и 16 мм2 для меди, алюминия и железа соответственно. Присоединение заземляющих проводников и перемычек должно обеспечивать переходное сопротивление не более 0,05 Ом на один контакт. Алюминиевый проводник необходимо присоединять к заземляющим шинам выше уровня грунта.
5.4.3 Для защиты от искрений вследствие электромагнитной индукции между трубопроводами и другими протяженными металлическими предметами и конструкциями (каркас сооружения, металлические трубы, рельсы, оболочки кабелей, обрамляющие уголки каналов, временные строительные конструкции и т. п.), в местах их взаимного сближения на расстояние 10 см и меньше, через каждые 20 м следует присоединять металлические перемычки, исключающие образование высокого напряжения в местах разрывов проводящих контуров. Если перемычки размещены так, что возможно их механическое повреждение, следует использовать стальную проволоку диаметром не менее 5 мм или стальную ленту.
5.4.4 В местах соединения элементов трубопроводов и других протяженных металлических предметов и конструкций, расположенных внутри защищаемого сооружения, необходимо обеспечить контакт с переходным электрическим сопротивлением не более 0,05 Ом на одно соединение. При фланцевом соединении труб такая величина переходного сопротивления достигается нормальной затяжкой болтов при их количестве на фланец не менее шести.
В местах соединений с переходным сопротивлением более 0,05 Ом необходимо приваривать перемычки, выполненные в соответствии с указаниями данного пункта.
5.5 Защита от заноса высоких потенциалов
5.5.1 На входе в защищаемый объект металлические оболочки коммуникаций должны быть связаны по кратчайшему расстоянию с заземлителем объекта. Для пластиковых трубопроводов с проводящей жидкостью заземление осуществляется путем установки в пластиковый трубопровод металлического элемента (фланцы, муфта, задвижка и т.п.), через который осуществляют заземление.
5.5.2 Местом присоединения коммуникаций к заземлителю объекта должен служить контур заземления, который рекомендуется прокладывать по внешнему периметру согласно 4.8.5. Поскольку в заземляемую коммуникацию может ответвиться значительная доля тока молнии, сечение проводника, соединяющего ее с контуром заземления, должно быть не меньше 16 мм2 для меди, 50 мм2 для железа и 25 мм2 для алюминия, причем алюминиевый проводник не должен контактировать с грунтом из-за опасности коррозии.
5.5.3 Для защиты от заноса высокого потенциала внешние, открыто проложенные металлические конструкции и коммуникации в дополнение к мероприятиям, предусмотренным 5.5.1, должны присоединяться к арматуре двух железобетонных фундаментов опор, ближайших к защищаемому объекту. Если же использование фундамента опор в качестве заземлителя невозможно, следует применять искусственные заземлители любой конструкции с сопротивлением заземления не больше указанного в 4.9.1. При необходимости открытые кабельные эстакады должны защищаться от прямых ударов молнии естественными или отдельно стоящими молниеотводами.
5.5.4 Ввод линий электропередачи во внутренние объемы сооружений должен осуществляться по требованиям ПУЭ [4]. Ввод низковольтных сетей микроэлектронных устройств, автоматики, управления, телефона, сигнализации и т.п. в здания и сооружения, относящиеся к первой и второй категориям молниезащиты, необходимо осуществлять только экранированными кабелями, проложенными в металлических трубах. Все металлические поверхности кабелей (броня, оболочка, труба) должны присоединяться до ввода в сооружение к контуру заземления объекта. Рекомендуется прокладывать кабели в трубах по всей территории объекта.
6 Защита от ввода тока в заземлитель или подземные коммуникации защищаемого объекта при ударе молнии в молниеотвод
6.1 Ток молнии полностью или частично может протекать из заземлителя молниеотвода в заземлитель защищаемого объекта либо в его подземные коммуникации за счет:
- искрового пробоя изоляционного расстояния между указанными элементами вдоль поверхности грунта или в земле;
- естественного растекания тока молнии в грунте;
- формирования одиночного скользящего разряда между заземлителями молниеотвода и объекта.
Защита от искрового пробоя осуществляется выбором необходимых изоляционных расстояний между проводниками заземлителя молниеотвода (в т.ч. естественного) и подземными (наземными) металлическими коммуникациями объекта. Минимальная величина изоляционного расстояния должна быть в 2 раза больше, указанного в 5.2 для перекрытий по воздуху, причем поправка на высоту объекта во внимание не принимается.
6.2 Изоляционные расстояния, оговоренные в 6.1, не исключают ввода в металлические коммуникации объекта значительной (вплоть до 50 - 60 %) доли тока молнии за счет естественного растекания в грунте. Чтобы избежать этого, заземлитель объекта должен быть удален от заземлителя молниеотвода в сторону или в глубину земли на расстояние не менее чем на 25 - 30 м.
6.3 Искровые каналы, возникающие вдоль поверхности грунта, исключаются полностью только при низком (менее 1 Ом) сопротивлении заземления молниеотвода, что достигается, если молниеотвод, согласно требованиям ПУЭ [4], по кратчайшему расстоянию присоединен к технологическому заземлителю объекта. Когда молниеотвод оснащен собственным заземлителем, для подавления скользящих искровых разрядов необходимо применять одно из следующих мероприятий:
- молниеотвод оснащается одним или несколькими лучевыми заземлителями, направленными в противоположную сторону от подземных коммуникаций и контура заземления объекта;
- молниеотвод оборудуется глубинным заземлителем, изолированным от грунта на длине не менее 5 м, считая от поверхности земли; твердая изоляция электрода должна выдерживать в импульсном режиме напряжение
U = R3× Imax, (6.1)
где R3 - сопротивление заземления молниеотвода;
Imax - амплитуда расчетного тока молнии;
- опасная территория в окрестности защищаемого объекта на расстоянии не менее 10 м от внешней границы охватывается контуром заземления из горизонтальной шины, уложенной на глубине 0,5 - 0,7 м, с вертикальными стержнями длиной 2 - 3 м, которые забиваются в грунт с шагом 6 - 8 м по всему контуру.
7 Приемка и эксплуатация устройств молниезащиты
7.1 Порядок приемки устройств молниезащиты
7.1.1 Временные устройства молниезащиты создаются в процессе строительства объекта, когда высота смонтированной конструкции превышает 20 м. На верхней отметке строящегося объекта должны быть закреплены молниеприемники, которые через металлические конструкции или свободно спускающиеся вдоль стен токоотводы следует присоединять к контуру заземления или к сосредоточенным заземлителям. Молниеотводы, в т.ч. естественные, в совокупности должны обеспечивать на верхней отметке, в местах нахождения строительного персонала, зону защиты с надежностью не менее 0,9. По мере увеличения высоты строящегося объекта молниеприемники следует переносить выше. Во время грозы все работы на открытых внешних площадках и конструктивных элементах на высоте более 20 м должны быть прекращены.
7.1.2 Приемка в эксплуатацию молниезащитных устройств на действующих объектах осуществляется рабочей комиссией, в состав которой, как правило, включаются лица, ответственные за электрохозяйство объекта, представители подрядной организации и инспекции противопожарной охраны.
7.1.3 Рабочей комиссии предъявляются:
- утвержденные проекты устройства молниезащиты;
- акты на скрытые работы по монтажу заземлителей и токоотводов, недоступных для осмотра, а также на присоединение к ним коммуникаций объекта;
- акты измерений (осмотра и испытаний) устройств молниезащиты, в т.ч. результаты измерений сопротивлений заземления всех заземлителей, результаты осмотра и проверки работ по монтажу молниеотводов и элементов их крепления, данные по переходным сопротивлениям нормируемых соединений между токоведущими элементами.
7.1.4 Рабочая комиссия производит полную проверку представленной документации и осмотр выполненных строительно-монтажных работ по монтажу молниезащитных устройств. Приемка оформляется актами приемки оборудования для устройств молниезащиты. Ввод молниезащитных устройств в эксплуатацию оформляется, как правило, актами-допусками соответствующих органов государственного контроля и надзора.
7.1.5 После приемки в эксплуатацию устройств молниезащиты составляются паспорта устройств молниезащиты и паспорта заземлителей устройств молниезащиты, которые хранятся у ответственного за электрохозяйство. Форма паспорта заземлителя молниеотвода приведена в приложении В.
Акты, утвержденные руководителем организации, вместе с представленными актами на скрытые работы, и протоколы измерений включают в паспорт устройств молниезащиты.
7.2 Эксплуатация устройств молниезащиты
7.2.1 Устройства молниезащиты эксплуатируются в соответствии с Правилами технической эксплуатации электроустановок [5] и требованиями настоящего стандарта. Для обеспечения надежной работы устройств молниезащиты ежегодно перед началом грозового сезона производится их проверка и осмотр. Внеплановые проверки производятся также после внесения каких-либо изменений в систему молниезащиты, после любых повреждений защищаемого объекта и при стихийных бедствиях.
7.2.2 Каждая проверка проводится в соответствии с рабочей программой, в которой указывается причина проверки и ее сроки.
7.2.3 Во время осмотра и проверки устройств молниезащиты необходимо:
- проверить визуальным осмотром (в том числе с помощью бинокля) целостность молниеприемников и токоотводов, надежность их соединения и крепления к мачтам;
- выявить элементы устройств молниезащиты, требующие замены или ремонта вследствие нарушения их механической прочности;
- определить степень разрушения коррозией отдельных элементов устройств молниезащиты, принять меры по антикоррозионной защите и замене элементов, поврежденных коррозией;
- измерить сопротивления заземления молниеотводов;
- проверить надежность электрических соединений между токоведущими частями всех элементов устройств молниезащиты;
- измерить нормированные переходные сопротивления токонесущих проводников;
- проверить соответствие устройства молниезащиты технической документации, а при наличии строительных или технологических изменений за предшествующий период - наметить мероприятия по модернизации и реконструкции (особое внимание следует обращать на естественные молниеотводы, которые могут быть демонтированы без согласования с руководством объекта);
- проверить наличие необходимой документации на устройства молниезащиты.
Для объектов первой и второй категории один раз за 6 лет эксплуатации производится выборочный контроль со вскрытием грунта искусственных заземлителей и токоотводов, причем ежегодно должно контролироваться до 20 % общего количества заземлителей, чтобы в целом соблюсти указанную периодичность. Пораженные коррозией заземлители и заглубленные участки токоотводов при уменьшении их площади поперечного сечения более чем на 25 % должны быть заменены новыми.
7.2.4 Внеочередные замеры сопротивления заземления устройств молниезащиты следует производить после выполнения ремонтных работ как на устройствах молниезащиты, так и на самих защищаемых объектах и вблизи них. Результаты проверок оформляют актами, заносят в паспорта по форме, приведенной в приложении В, и в журнал учета состояния устройств молниезащиты. Рекомендуемая форма журнала учета состояния молниезащиты приведена в приложении Г.
7.2.5 На основании полученных данных составляется план ремонта и устранения дефектов устройств молниезащиты, обнаруженных во время осмотров и проверок. Земляные работы у защищаемых зданий и сооружений объектов, устройств молниезащиты, а также вблизи них производятся, как правило, с разрешения эксплуатирующей организации, которая выделяет ответственных лиц, наблюдающих за сохранностью устройств молниезащиты. Во время грозы работы на устройствах молниезащиты и вблизи них не производятся.
Приложение А
(обязательное)
Расчет зон защиты молниеотводов
А.1 Зоны защиты одиночного стержневого молниеотвода
Стандартной зоной защиты одиночного стержневого молниеотвода высотой hявляется круговой конус высотой hо < h, вершина которого совпадает с вертикальной осью молниеотвода, как показано на рисунке А.1. Габариты зоны определяются двумя параметрами: высотой конуса hои радиусом конуса на уровне земли ro.

Рисунок А.1 - Типовая зона защиты одиночного стержневого молниеотвода
Приведенные расчетные формулы пригодны для молниеотводов высотой до 150 м. Параметры зоны защиты молниеотвода для надежности защиты Рз = 0,9 определяются по соотношениям.
Для высоты молниеотвода 0 < h < 100 м:
ho = 0,85 × h, (А.1)
rо =1,2 ×h;
100 < h£ 150 м:
ho = 0,85 × h, (A.2)
ro = [1,2 - 10-3 (h - 100)] × h.
Надежность защиты Рз = 0,99:
0 < h £30 м: (А.3)
ho = 0,8 ×h,
ro = 0,8 ×h;
30 < h£ 100 м:
ho = 0,8 × h, (А.4)
rо = [0,8 - 1,43 × 10-3 (h - 30)] × h;
100 < h£ 150 м:
ho = [0,8 - 10-3(h - 100)] × h, (А.5)
ro = [0,7 - 1,27 × 10-3 (h - 100)] ×h.
Надежность защиты Рз= 0,999:
0 < h £ 30 м:
ho = 0,7 × h, (A.6)
ro = 0,6 ×h;
30 < h£ 100 м:
ho = [0,7 - 7,14 × 10-4 (h - 30)] × h, (А.7)
ro = [0,6 - 1,97 × 10-3 (h - 30)] × h;
100 < h£ 150 м:
ho = [0,65 - 10-3 (h - 100)] × h, (А.8)
ro = [0,46 - 2,24 × 10-3 (h - 100)] × h.
Для зоны защиты требуемой надежности радиус горизонтального сечения rхна высоте hх вычисляют по формуле
(А.9)
А.2 Зоны защиты одиночного тросового молниеотвода
Стандартные зоны защиты одиночного тросового молниеотвода высотой h ограничены симметричными двускатными поверхностями, образующими в вертикальном сечении равнобедренный треугольник с вершиной на высоте ho < hи основанием на уровне земли 2ro, как показано на рисунке А.2.

Рисунок А.2 - Типовая зона защиты одиночного тросового молниеотвода
Приведенные расчетные формулы пригодны для молниеотводов высотой до 150 м.
Под высотой hпонимается минимальная высота троса над уровнем земли (с учетом провеса).
Надежность защиты Рз = 0,9:
0 < h£ 150 м:
ho = 0,87 × h, (А.10)
ro= 1,35 ×h.
Надежность защиты Рз = 0,99:
0 < h£30 м:
hо = 0,8 × h, (А.11)
ro = 0,9 ×h;
30 < h£ 100 м:
ho = 0,8 × h, (А.12)
ro= [0,9 - 1,43 × 10-3 (h - 30)] ×h;
100 < h£ 150 м:
ho = 0,8 × h, (А.13)
ro = [0,8 - 1,85 × 10-3 (h - 100)] × h.
Надежность защиты Рз = 0,999:
0 < h£30 м
ho = 0,75 × h (А.14)
ro = 0,65 ×h
30 < h£ 100 м
ho = [0,75 - 4,28 × 10-4 (h - 30)] × h (А.15)
ro= [0,65 - 2,14 × 10-3(h - 30)] × h
100 < h£ 150 м
ho = [0,72 - 10-3(h - 100)] × h (А.16)
ro = [0,5 - 1,96 × 10-3(h - 100)] × h.
Полуширину rхзоны защиты требуемой надежности на высоте hх от поверхности земли вычисляют по формуле
(А.17)
При необходимости расширить защищаемый объем к торцам зоны защиты собственно тросового молниеотвода могут добавляться зоны защиты несущих опор, которые рассчитываются по формулам одиночных стержневых молниеотводов.
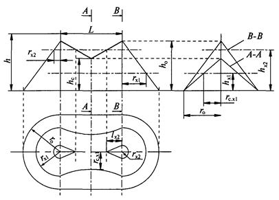
А.3 Зоны защиты двойного стержневого молниеотвода
Конфигурация вертикальных и горизонтальных сечений стандартных зон защиты двойного стержневого молниеотвода (высотой h и расстоянием Lмежду молниеотводами) представлена на рисунке А.3. Построение внешних областей зон (полуконусов с габаритами ho, ro) производят по формулам А.1 - А.9 для одиночных стержневых молниеотводов.

Рисунок А.3 - Зона защиты двойного стержневого молниеотвода
Размеры внутренних областей зон определяются по приведенным формулам, пригодным для молниеотводов высотой до 150 м.
Надежность защиты Рз = 0,9
hс = ho при 0 < L£2,5 ×h; (A.18)
при 2,5 ×h < L < Lmax, (A.19)
0 < h £30 м:
Lmax = 5,75 × h; (A.20)
30 < h£ 100 м:
Lmax = [5,75 - 3,57 × 10-3 (h - 30)] × h. (А.21)
100 < h £ 150 м:
Lmax = 5,5 × h. (A.22)
Надежность защиты Рз = 0,99:
hс = ho при 0 < L£Lc, (A.23)
при Lс < L£Lmax; (A.24)
0 < h £30 м:
Lc = 2,25 × h, (A.25)
Lmax = 4,75 × h.
30 < h £ 100 м:
Lc = [2,25 - 0,0107 × (h - 30)] × h, (A.26)
Lmax = [4,75 - 3,57 × 10-3 (h - 30)] × h.
100 < h £150 м:
Lc = 1,5 × h, (A.27)
Lmax = 4,5 ×h.
Надежность защиты Pз = 0,999:
hс = ho при 0 < L£Lc, (A.28)
при Lc< L£Lmax (A.29)
0 < h £ 30 м:
Lc = 2,25 × h, (A.30)
Lmax = 4,25 × h;
30 < h £ 100 м:
Lc = [2,25 - 0,0107 × (h - 30)] × h, (A.31)
Lmax = [4,25 - 3,57 × 10-3 (h - 30)] × h
100 < h £150 м
Lc = 1,5 ×h (A.32)
Lmax = 4,0 ×h.
При L > Lmaxмолниеотводы рассматриваются как одиночные.
Другие размеры зоны вычисляют по следующим формулам, общим для всех уровней надежности защиты:
- максимальная полуширина зоны rх в горизонтальном сечении на высоте hх
(А.33)
- длина горизонтального сечения lх на высоте hх³hc
(А.34)
причем при hх < hсlх = L/2;
- ширина горизонтального сечения в центре между молниеотводами 2rсх на высоте hх£hс:
(А.35)
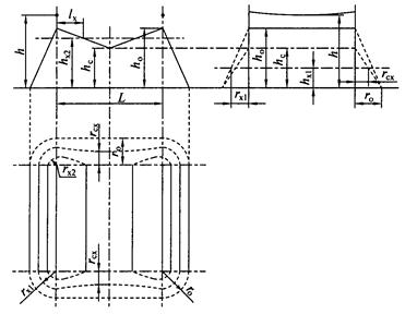
А.4 Зоны защиты двойного тросового молниеотвода
Конфигурация вертикальных и горизонтальных сечений стандартных зон защиты двойного тросового молниеотвода (высотой hи расстоянием между молниеотводами L) представлена на рисунке А.4. Построение внешних областей зон (двух односкатных поверхностей с габаритами ho, ro) производится по формулам А.10 - А.17 для одиночных тросовых молниеотводов.

Рисунок А.4 - Зона защиты двойного тросового молниеотвода
Размеры внутренних областей зон определяют по формулам А.36 - А.50, пригодным для молниеотводов высотой до 150 м.
Надежность защиты Рз = 0,9:
hс = ho при 0 < L£Lc; (A.36)
при Lc< L£Lmax; (A.37)
0 < h £ 150 м:
Lc = 3,0 × h, (A.38)
Lmax= 6,0 ×h.
Надежность защиты Рз = 0,99:
hс = ho при 0 < L£Lc; (A.39)
при Lс < L£Lmax; (А.40)
0 < h £30 м:
Lc = 2,5 ×h, (A.41)
Lmax = 5 ×h.
30 < h£ 100 м:
Lc = [2,5 - 7,14 × 10-3 (h - 30)] × h, (A.42)
Lmaх = 5 × h;
100 < h £150 м:
Lc = [2,0 - 5 × 10-3 (h - 100)] × h, (A.43)
Lmax = [5,0 - 5 × 10-3 (h - 100)] × h.
Надежность защиты Рз = 0,999:
hс = ho при 0 < L£Lc, (A.44)
при Lс < L£Lmax; (А.45)
0 < h £30 м:
Lc = 2,25 × h, (А.46)
Lmax = 4,75 ×h.
30 < h£ 100 м:
Lс = [2,25 - 3,57 × 10-3 (h - 30)] × h, (A.47)
Lmax = [4,75 - 3,57 × 10-3 (h - 30)] × h.
100 < h £ 150 м:
Lс = [2,0 - 5 × 10-3 (h - 100)] × h, (A.48)
Lmax = [4,5 - 5 × 10-3 (h - 100)] × h.
При L > Lmaxмолниеотводы рассматривают как одиночные.
Длину горизонтального сечения зоны защиты на высоте hх вычисляют по формулам
Iх = L/2 при hс³hx; (A.49)
при 0 < hс < hx. (A.50)
Для расширения защищаемого объема на зону двойного тросового молниеотвода может быть наложена зона защиты опор, несущих тросы, которая строится как зона двойного стержневого молниеотвода, если расстояние Lмежду опорами меньше Lmax. В противном случае опоры должны рассматриваться как одиночные стержневые молниеотводы.
А.5 Зоны защиты замкнутого тросового молниеотвода
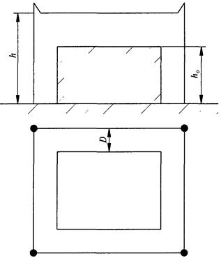
Расчетные формулы настоящего раздела могут использоваться для определения высоты подвеса замкнутого тросового молниеотвода, предназначенного для защиты объектов высотой hоб < 30 м, размещенных на прямоугольной (круглой) площадке площадью Soво внутреннем объеме зоны при минимальном горизонтальном смещении между молниеотводом и объектом, равным D, согласно рисунку А.5. Под высотой подвеса троса hпринимают минимальное расстояние от троса до поверхности земли с учетом возможных провесов в летний сезон.

Рисунок А.5 - К расчету замкнутого тросового молниеотвода
Значение hвычисляют по формуле
h = A + B ×hoб, (A.51)
где константы А и В определяются в зависимости от уровня надежности защиты по формулам:
а) надежность защиты Рз = 0,99:
А = -0,14 + 0,267 × (D - 5) + [0,132 + 0,6 × 10-4× (D - 5)] ×
. (A.52)
В = 1,05 - 9,08 × 10-3× (D - 5) + [-1,38 × 10-3 + 2,5 × 10-5× (D - 5)] ×
. (А.53)
б) надежность защиты Рз = 0,999:
А = -0,35 + 0,336 × (D - 5) + [0,165 + 5,0 × 10-5× (D - 5)] ×
. (A.54)
В = 1,1 - 0,009 × (D - 5) + [-2,1 × 10-3 + 3,2 × 10-5× (D - 5)] ×
. (А.55)
Расчетные соотношения могут быть использованы при D > 5 м. Работа с меньшими горизонтальными смещениями троса не целесообразна из-за высокой вероятности обратных перекрытий молнии с троса на защищаемый объект. По экономическим соображениям замкнутые тросовые молниеотводы не рекомендуются, когда требуемая надежность защиты меньше 0,99.
Если высота объекта превышает 30 м, то высоту замкнутого тросового молниеотвода можно определить по расчетными графикам, представленным на рисунках А.6 - А.13.

Рисунок А.6 - Зависимости высоты замкнутого тросового молниеотвода hот площади прямоугольного сооружения S0при высоте объекта ho = 30 м и различных значениях горизонтального смещения троса Dдля Рз = 0,99

Рисунок А.7 - Зависимости высоты замкнутого тросового молниеотвода hот площади прямоугольного сооружения S0при высоте объекта ho = 40 м и различных значениях горизонтального смещения троса Dдля Рз = 0,99

Рисунок А.8 - Зависимости высоты замкнутого тросового молниеотвода hот площади прямоугольного сооружения S0при высоте объекта ho = 50 м и различных значениях горизонтального смещения троса Dдля Рз = 0,99

Рисунок А.9 - Зависимости высоты замкнутого тросового молниеотвода hот площади прямоугольного сооружения S0при высоте объекта ho= 60 м и различных значениях горизонтального смещения троса Dдля Рз = 0,99

Рисунок А.10 - Зависимости высоты замкнутого тросового молниеотвода hот площади прямоугольного сооружения S0при высоте объекта ho = 30 м и различных значениях горизонтального смещения троса Dдля Рз = 0,999

Рисунок А.11 - Зависимости высоты замкнутого тросового молниеотвода hот площади прямоугольного сооружения S0при высоте объекта ho = 40 м и различных значениях горизонтального смещения троса Dдля Рз = 0,999

Рисунок А.12 - Зависимости высоты замкнутого тросового молниеотвода hот площади прямоугольного сооружения S0при высоте объекта ho = 50 м и различных значениях горизонтального смещения троса Dдля Рз = 0,999

Рисунок А.13 - Зависимости высоты замкнутого тросового молниеотвода hот площади прямоугольного сооружения S0при высоте объекта ho = 60 м и различных значениях горизонтального смещения троса Dдля Рз = 0,999
Приложение Б
(обязательное)
Расчет радиуса стержневых молниеотводов, электростатических экранов, диаметров экранирующих труб, при которых напряженность электрического поля ниже критического значения
Б.1 Оценку допустимого радиуса стержневого молниеотвода r0min, м, можно выполнить, используя приближенное выражение
(Б.1)
где lх - высота расчетной точки на поверхности молниеотвода;
dIм/dt - скорость роста тока молнии;
Екр - предельно допустимая напряженность электрического поля.
Если ориентироваться на предельные параметры тока для первого компонента молнии, то
(Б.2)
где lх - высота расчетной точки поверхности молниеотвода над уровнем земли;
d - относительная плотность воздуха (при нормальных условиях d=1).
Фактическая величина радиуса rфактдолжна быть увеличена по сравнению с r0min по соотношению:
(Б.3)
где Iмmax - расчетный ток молнии;
Rз - сопротивление заземления молниеотвода.
Значение Кг определяется по кривым, приведенным на рисунке Б.1, в зависимости от высоты lх над уровнем земли для молниеотвода высотой hм, установленного на земле. Размещение молниеотвода во взрывоопасной зоне может привести к существенному увеличению расхода металла, особенно если гарантировать безопасность работы при воздействии импульсов тока большой крутизны, для чего могут потребоваться конструкции с радиусом стойки в десятки сантиметров. Чтобы избежать этого, необходимо выносить молниеотводы за пределы опасных газовых выбросов.

Рисунок Б.1 - Поправочный коэффициент для расчета радиуса молниеотвода высотой hм во взрывоопасной зоне
Б.2 Встречные разряды от внешних конструктивных элементов защищаемого объекта подавляют установкой специальных электростатических экранов на металлоконструкциях и других проводниках, возвышающихся более чем на 0,5 м над поверхностью крыши в местах, где формирующийся встречный разряд может проникнуть в объем взрыво- или пожароопасного газового выброса. Для устранения незавершенных разрядов напряженность электрического поля у вершины конструктивного элемента объекта не должна превышать порог ионизации воздуха. Для сосредоточенного объекта (труба, стойка и т.п.), у которого высота hмногократно превышает другие габаритные размеры, в случае установки на плоской поверхности земли, радиус сферического (полусферического) экрана на вершине для подавления ионизационных процессов в электрическом поле грозового облака rэкр, м, определяют по формуле:
(Б.4)
где h - высота объекта;
d - относительная плотность воздуха в месте дислокации объекта.
При размещении защищаемой конструкции на крыше сооружения радиус экрана, помимо превышения объекта над крышей Dh, определяется также габаритными размерами сооружения, его высотой Н и минимальным расстоянием от объекта до края крыши D.
Необходимая поправка вводится расчетным коэффициентом КЕ, значения которого приведены на рисунке Б.2:
(Б.5)
Примечание - Поскольку величина КЕ нарастает с уменьшением D, целесообразно размещать все внешние конструктивные элементы защищаемого сооружения максимально близко к центру его крыши. По той же причине следует минимизировать превышение внешних конструктивных элементов защищаемого объекта над крышей, если они находятся в зоне горючих газовых выбросов.

Рисунок Б.2 - Зависимость поправочного коэффициента от величины отношения h/H
Помимо сферических и полусферических допускается применять экраны любой конструкции, при которой максимальная напряженность электрического поля на элементах самого экрана и у вершины экранируемой металлоконструкции Екр, кВ/см, не может превысить 25 d, где d - относительная плотность воздуха в месте размещения объекта.
Б.3 Ограждение по периметру крыши следует выполнять из трубы круглого сечения. Использование уголка или металлической полосы не допускается, если ограждение находится в зоне газовых выбросов, возгорание или взрыв которых опасен для сооружения. Чтобы устранить возникновение встречных разрядов от ограждения в электрическом поле грозового облака, минимальный радиус горизонтально размещенной трубы ограждения для круглого объекта высотой Н и эквивалентным радиусом Rопределяют с помощью зависимости (Б.6) и коэффициентов, приведенных на рисунке Б.3 и Б.4.

Рисунок Б.3 - Зависимость поправочного коэффициента от величины отношения Dh/H, где Dh - превышение ограждения над плоскостью крыши
(Б.6)
Поправочный коэффициент Кг определяют по расчетной кривой, приведенной на рисунке Б.4, в зависимости от параметра g, вычисляемого по формуле
g = 0,008×Когр. (Б.7)
В случае объекта некруговой формы его эквивалентный радиус можно приравнять наименьшему из габаритных размеров в плане.
Б.5 Тороидальные электростатические экраны размещают на газоотводных и дыхательных трубах большого диаметра, не оборудованных колпаками или «гусаками». В случае установки трубы высотой hна плоской поверхности земли минимальный малый радиус тороидального экрана rтора мин на вершине труб различного диаметра (рисунок Б.5) должен быть не менее значения, определяемого по графикам (рисунки Б.6 - Б.10) в зависимости от параметра А. Параметр А определяют в зависимости от расстояния до ближайшего молниеотвода Rлид и высоты ближайшего молниеотвода Hмол по формуле
(Б.8)
При размещении труб на крыше сооружения радиус экрана, помимо превышения трубы над крышей Dh, определяется также габаритными размерами сооружения, его высотой H и минимальным расстоянием трубы до края крыши D. Необходимая поправка вводится расчетным коэффициентом КЕ, значения которого определяют по зависимости, представленной на рисунке Б.2. В этом случае:
rтора = ке×rтора мин, (Б.9)
где rтора мин - значение, определяемое по графикам (рисунки Б.6 - Б.10).

Рисунок Б.4 - Зависимость поправочного коэффициента Кг от расчетного параметра g

Рисунок Б.5 - Пример размещения тороидального экрана на вершине трубы

Рисунок Б.6 - Минимальный малый радиус тороидального электростатического экрана, установленного на трубе с внутренним радиусом 30 см

Рисунок Б.7 - Минимальный малый радиус тороидального электростатического экрана, установленного на трубе с внутренним радиусом 20 см

Рисунок Б.8 - Минимальный малый радиус тороидального электростатического экрана, установленного на трубе с внутренним радиусом 15 см

Рисунок Б.9 - Минимальный малый радиус тороидального электростатического экрана, установленного на трубе с внутренним радиусом 10 см

Рисунок Б.10 - Минимальный малый радиус тороидального электростатического экрана, установленного на трубе с внутренним радиусом 5 см
При более высоких трубах или близко расположенных к ним молниеотводах (параметр А < 30 м) установка тороидальных экранов на вершине труб не гарантирует исключения возникновения встречных разрядов при максимальных токах молнии. В таких случаях рекомендуется устанавливать на вершине трубы тороидальные экраны максимально возможного размера с целью уменьшения вероятности возникновения встречных разрядов с вершины трубы.
Приложение В
(рекомендуемое)
Форма паспорта заземлителя молниеотвода
Паспорт заземлителя молниеотвода
________________________________________________________________
наименование объекта
________________________________________________________________
тип заземлителя, расположение
Дата ввода в эксплуатацию молниеотвода ________________ 200_ г.
Основные технические данные
| № п/п | Конструкция заземлителя, (номер чертежа), размеры | Удельное сопротивление грунта, Ом×м | Сопротивление заземления, Ом | Способ измерения (тип прибора) | Дата | Подпись | Примечание | |
| расчетное | измеренное | |||||||
|
|
|
|
|
|
|
|
|
|
|
|
|
|
|
|
|
|
|
|
Приложение Г
(рекомендуемое)
Форма журнала контроля состояния молниезащиты
Журнал контроля состояния молниезащиты
| № п/п | Вид молниезащитного устройства | Место нахождения молниезащитного устройства (№ защищаемого сооружения по генплану и № молниеотвода) | Дата установки или монтажа | Дата проверки | Состояние | Измеренное сопротивление заземлителя | Допускаемая величина | Обнаруженные недостатки | Дата и подпись ответственного лица об устранении недостатков и принятых мерах | |||
| молниеотводов | токопроводов | опор молниеотводов | конструктивных элементов защиты от вторичных воздействий молнии | |||||||||
|
|
|
|
|
|
|
|
|
|
|
|
|
|
Библиография
[1] Руководящий документ Министерства энергетики и электрификации СССР РД 34.21.122-87 Инструкция по устройству молниезащиты зданий и сооружений
[2] Руководящий документ Министерства энергетики Российской Федерации СО-153-34.21.122-2003 Инструкция по устройству молниезащиты зданий, сооружений и промышленных коммуникаций
[3] Стандарт Международной электротехнической комиссии МЭК 62305:2006 Защита от молнии
[4] Правила устройства электроустановок (ПУЭ), издание седьмое (утверждены приказом Министерства энергетики Российской Федерации от 20.05.2003 № 187)
[5] Правила технической эксплуатации электроустановок потребителей (ПТЭЭП) (утверждены приказом Министерства энергетики Российской Федерации от 13.01.2003 № 6)
Ключевые слова: инструкция, устройства, молниезащита, здания, сооружения, защита от прямых ударов молнии, защита от искрообразования, приемка, эксплуатация
Содержание
Введение
1 Область применения
2 Термины и определения
3 Общие положения
4 Защита от прямых ударов молнии
5 Защита от искрообразования во взрывоопасной среде
6 Защита от ввода тока в заземлитель или подземные коммуникации защищаемого объекта при ударе молнии в молниеотвод
7 Приемка и эксплуатация устройств молниезащиты
Приложение А (обязательное) Расчет зон защиты молниеотводов
Приложение Б (обязательное) Расчет радиуса стержневых молниеотводов, электростатических экранов, диаметров экранирующих труб, при которых напряженность электрического поля ниже критического значения
Приложение В (рекомендуемое) Форма паспорта заземлителя молниеотвода
Приложение Г (рекомендуемое) Форма журнала контроля состояния молниезащиты
Библиография

Комментарии ()